|
||||||||||||||||||||||||||||||
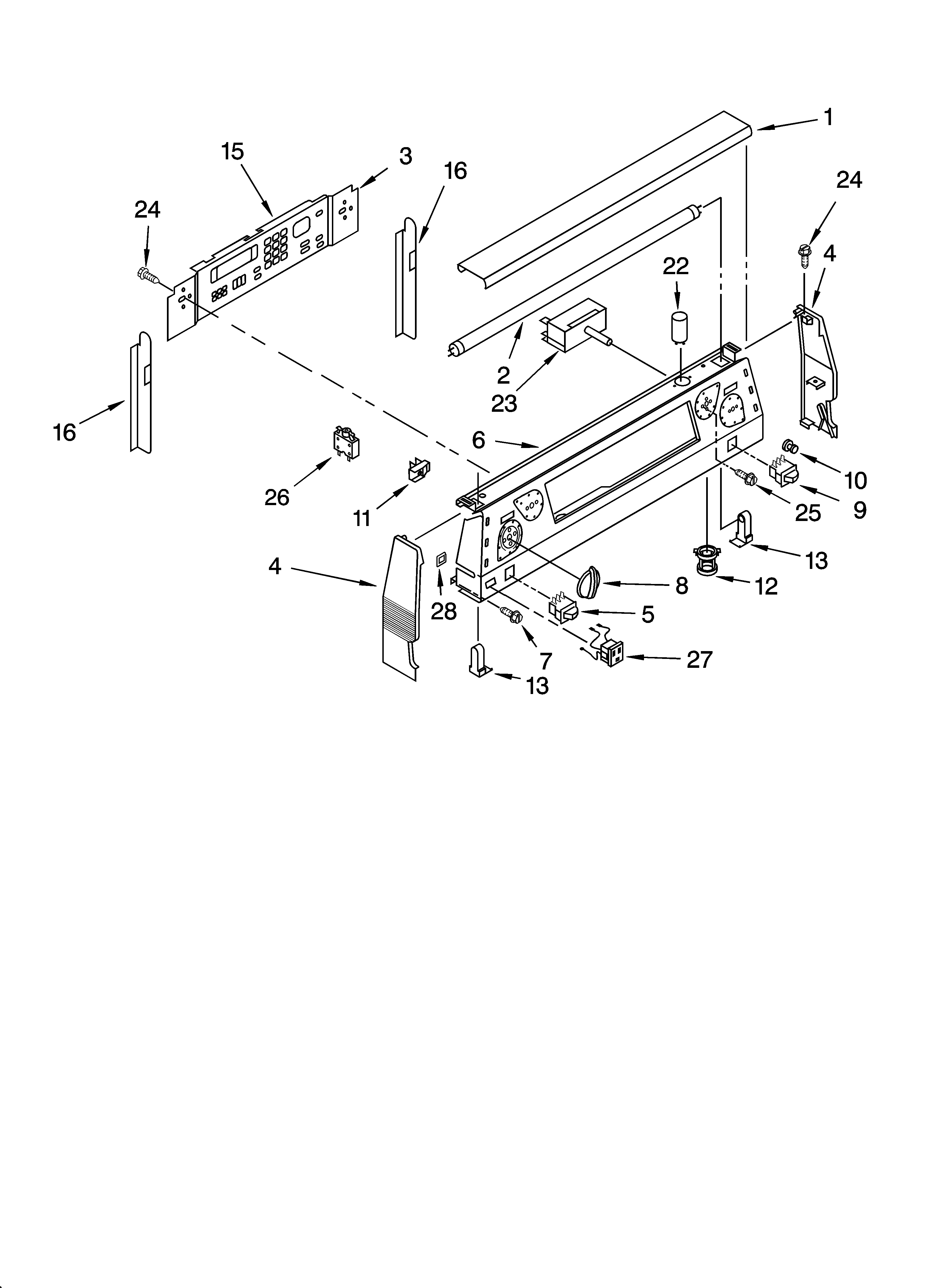
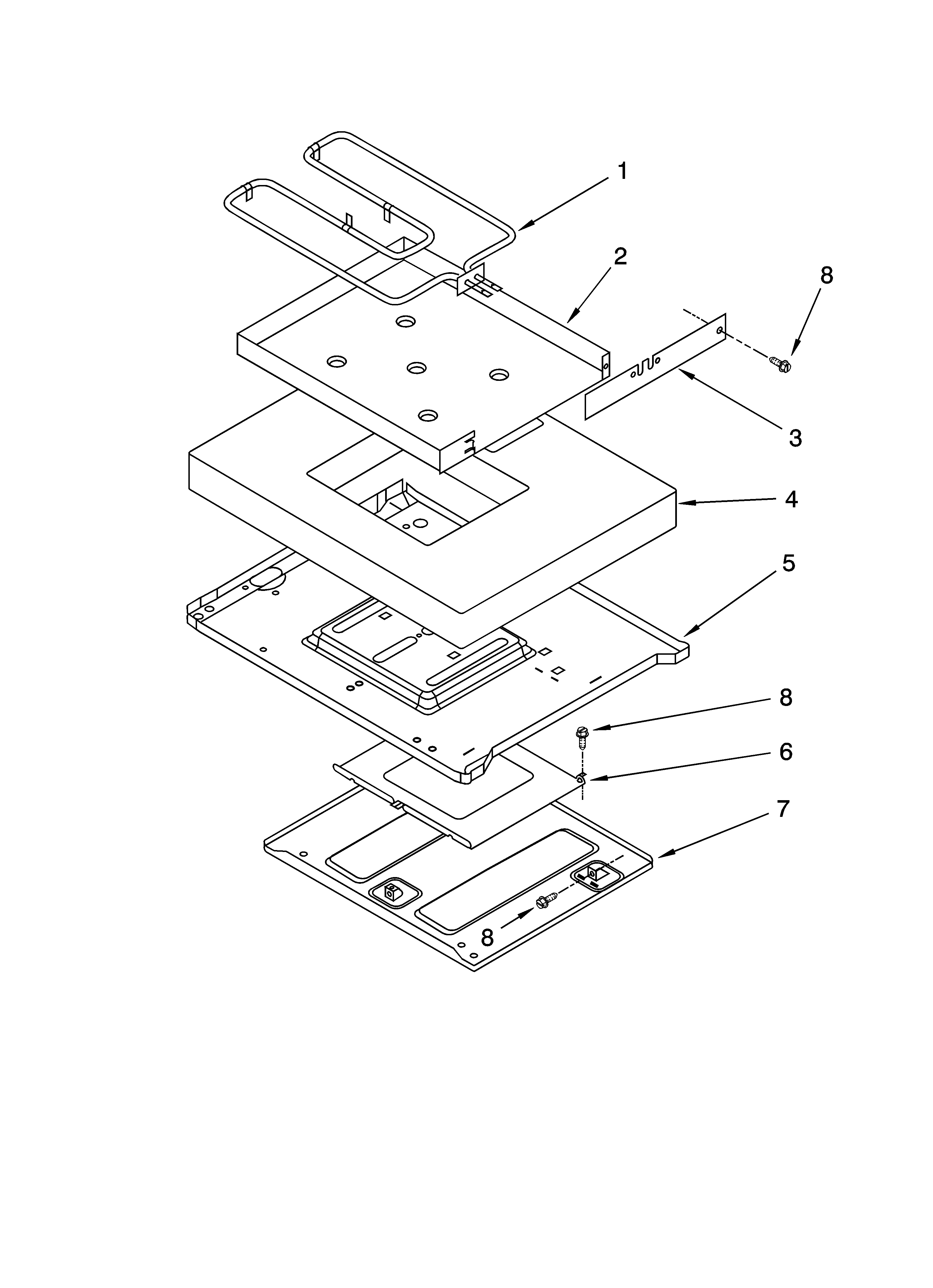
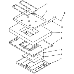
KitchenAid Free Standing Electric Range YKERC507HS4 Timer RepairWhat is the timer/clock part number for the KitchenAid YKERC507HS4 Free Standing Electric Range?![]() The YKERC507HS4 Free Standing Electric Range uses timer part number 8190681. Do you have a failed KitchenAid YKERC507HS4 control panel? Click here: We can repair or replace your faulty KitchenAid YKERC507HS4 timer. YKERC507HS4 are also sometimes referred to using these Alternative Names/Model numbersWhirlpool YKERC507HS4 Free Standing Electric Range YKERC507HS4 Schematic and Wiring DiagramsRecent Service Requests
Common problems for KitchenAid Free Standing Electric Range YKERC507HS4 Timer RepairAre you encountering a similar problem as them? Contact us now and we will try to help you fix your YKERC507HS4 timer-related problem. Hi, I recently broke the inside glass on the oven door. How do I replace the glass or the door altogether? Thanks -Jeff I have a Kitchenaid superba kitchen. Model YKERC507HS4 I was resetting the time and i messed the display. The time of day/ control panel never goes on. It's a blank screen. Or if you press the clock it goes on but turns off if you press the start/set button or start button. When I try to reset the clock to get it to stay on, the start button erases the time. If i set it, the start? question mark goes on the oven display. please help would like my time displayed agin in my oven. Phoned kitchenaid and tehy weren't able to help me. My kitchen aid oven keeps shutting off randomly with a code of F2E5. Do you know what would cause this? KitchenAid Superba range manuals are no longer available from KitchenAid Canada. How do you clean the oven. When I press the "Clean" button, the over locks for 3 hrs and 30 mins and my house smells like a stale cigar butt. Model No. YKERC507HS4 Thanks Ron McAnespie XXX@XXXXXX.XXX |
||||||||||||||||||||||||||||||
|
||||||||||||||||||||||||||||||