Jenn-Air Electric Wall Oven WW2750W Timer Repair

What is the timer/clock part number for the Jenn-Air WW2750W Electric Wall Oven?

Timer part number 12200028 for Jenn-Air WW2750W

The WW2750W Electric Wall Oven uses timer part number 12200028.

Do you have a failed Jenn-Air WW2750W control panel? Click here:

Request Appliance Timer Service

We can repair or replace your faulty Jenn-Air WW2750W timer.

WW2750W are also sometimes referred to using these Alternative Names/Model numbers

Maytag WW2750W Electric Wall Oven, Whirlpool WW2750W Electric Wall Oven

WW2750W Schematic and Wiring Diagrams

Control panel Parts diagram
WW2750W Electric Wall Oven Control panel Parts diagram
Body Parts diagram
WW2750W Electric Wall Oven Body Parts diagram
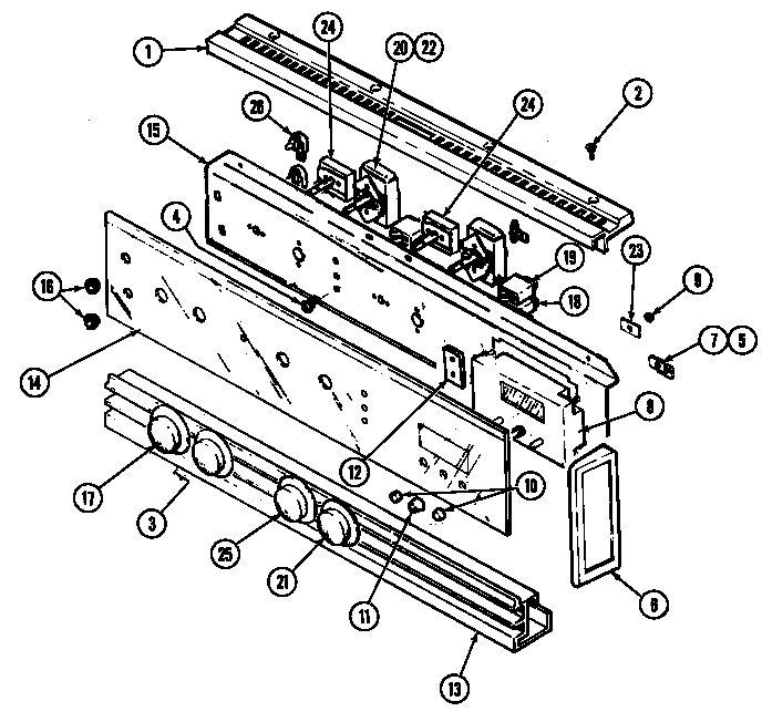
Internal controls Parts diagram
WW2750W Electric Wall Oven Internal controls Parts diagram
Oven Parts diagram
WW2750W Electric Wall Oven Oven Parts diagram
Door Parts diagram
WW2750W Electric Wall Oven Door Parts diagram
Blower motor (cooling) Parts diagram
WW2750W Electric Wall Oven Blower motor (cooling) Parts diagram
Blower motor (convection) Parts diagram
WW2750W Electric Wall Oven Blower motor (convection) Parts diagram

Recent Service Requests

CityProblem DescriptionResolution
Vicksburg, MississippiThe Clock displays all zeros or gets stuck on 5. Timer does not work which makes the self-cleaning function inoperable, too.Repaired
San Antonio, TexasThe self cleaning oven does not work and the clock does not work. Repairman indicated the self cleaning oven needs a working clock in order to come on. Jenair no longer makes this part. Please advise as to when/how you can repair this.Awaiting receipt of timer

Common problems for Jenn-Air Electric Wall Oven WW2750W Timer Repair

Are you encountering a similar problem as them? Contact us now and we will try to help you fix your WW2750W timer-related problem.
Hi guys, I got in over my head here. Let me start from the beginning. My washer will fill up with water, then just sit there when it's supposed to be washing. Then if I advance the clock manually to the next part of the cycle, the water will drain, but after it is all drained and is supposed to spin, it just sits there, again. Whenever it sits, I hear clicking at regular intervals from the clock knob... maybe 3 clicks every two seconds, or so. So I decided to take the clock apart, although maybe that's not even the problem. There was some liquid in there, on the plastic gears... melted glue maybe? I washed all the little plastic gears and put them back on their spindles, but now I'm not sure how the big knob goes back in, or where the two plastic pieces inside go (one is a long plastic piece, slanted and high in the middle on one side, flat on the other side... the other plastic piece looks like it fits into the knob's threads somehow but I'm not sure how). So, does anybody have a diag
Our dishwasher (Roper built-in) (WU5750B1) has been acting very erratic the last few weeks and I am looking for suggestions as to what could be failing. Last week, one operation did not drain at all, another operation the clock just made EXCESSIVE clicking noises and no wash occurred. Today: First attempt, clock rotated using proper time frame with normal mechanical clicks, but no operations occured for the entire 'cycle' Second Attempt, proper operation as should be, with minor water puddle in bottom (very little) Additional notes....clock does not feel stiff or unusual, We have only had a total of two cycles that did not drain over the course of about twenty cycles, The clicking clock with no other operations has occurred three times now. My first guess is that the clock may be getting worn? Obviously I do not want to inivest in a new clock if that is not the issue. Since (as I understand it) the clock sends all the power inputs to the components at the required time I am assuming th
I have a Jenn-Air ww27430 Double wall oven that is having some issues. About a week ago the display dimmed to a point where it was impossible to see the read out on the LED display, but the oven worked and was functioning. Last night I took it apart thinking there might be a bulb that I could replace. Seeing that there was no servicable parts, I put it back together. All I did was to disconnect the control board from the door and then reconnect it. The connections only go on one way. When I reconnected the electric connection, an alarm goes off on the control panel itself and will not shut off. The oven no longer works and the only switch that seems to work on a temporary basis is the cancel and oven light. I left the electric connection off overnight and now asking for your advise.
Subject display board display is dim and the temperature display is hardly readable. I just assume the problem is with the display board and not the power supply on the relay board. Hope someone has seen this before,
Hi, had a problem start last December 2010. In Dec 2009 I replaced the clock controller because the upper oven stopped working. After I replace the clock/cntrl all was great. Then last Dec 2010 the clock/cntl went blank and over powered off. This is the rangen part. If I left the door open, and left the upper oven light turned on, the clock/cntl would function and the oven would turn on. As soon as you closed the door or turned off the light the clock would go out. The switch on the oven is the one farthest to the right, that if you pushed it while the oven light was on the clock would also go out. So, I jumpered the switch and unscrewed the bulb and left oven light switch to on position. It has been running this way ever since. I would like to fix it but not sure what the problem is. The switch I jumped is still operational and checks out with a meter, plus I obtained a spare and replaced it and it still fails unless you jump it. So, if the oven is on, and you turn off the oven light
I just bought a house that has the above oven in it. The digital display does not work although some of the touch pads do work. The Baking/Broiling etc do not work. If I buy the control board and replace it, will that solve the problems and how hard is it to replace. From the diagram it looks like it's just a couple of ribbon connections.
Hi, my light on my display on my wall oven is increasingly dimmer with time. What part do I need to purchase so that the problem will be resolved and how much knowledge is needed to be able to do it myself.
washer works good other than when it goes into spin cycle, it spins for a second then stops does it several times but never spins for more than 3-5 seconds, pump works fine and pumps water out at a good rate. any suggestions????
The self cleaning feature quit working on my Jenn-Air oven (model number WW2750W). The oven elements do not heat up when the oven is put in the self cleaning mode nor does the oven clean light go on. In the normal oven mode the element heats up, and the broiler element heats up in the broiler mode. The serial number is XXXXX