Jenn-Air Gas/Electric Slide In Range SVD48600P Timer Repair

What is the timer/clock part number for the Jenn-Air SVD48600P Gas/Electric Slide In Range?

Timer part number 5700m662-60 for Jenn-Air SVD48600P

The SVD48600P Gas/Electric Slide In Range uses timer part number 5700m662-60.

Do you have a failed Jenn-Air SVD48600P control panel? Click here:

Request Appliance Timer Service

We can repair or replace your faulty Jenn-Air SVD48600P timer.

SVD48600P are also sometimes referred to using these Alternative Names/Model numbers

Maytag SVD48600P Gas/Electric Slide In Range, Whirlpool SVD48600P Gas/Electric Slide In Range

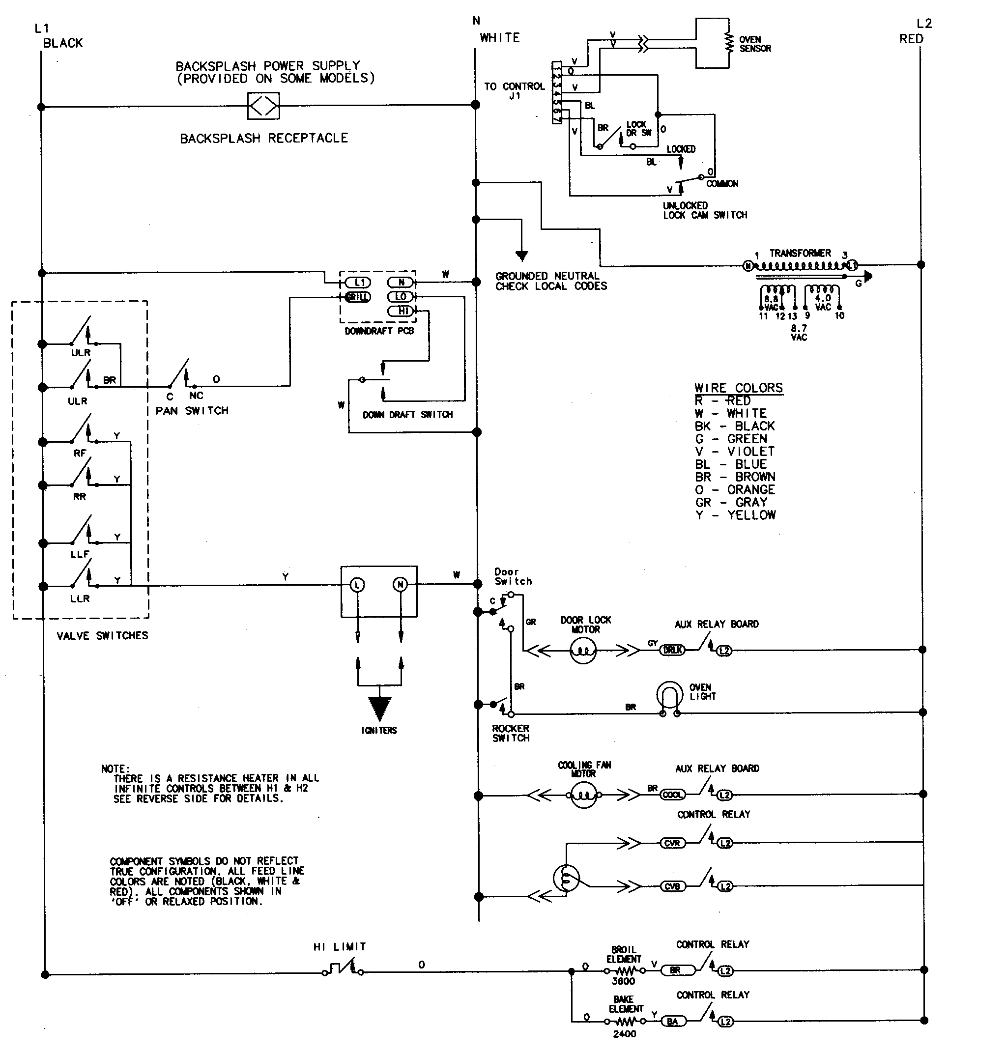
SVD48600P Schematic and Wiring Diagrams

Control panel Parts diagram
SVD48600P Gas/Electric Slide In Range Control panel Parts diagram
Top assembly Parts diagram
SVD48600P Gas/Electric Slide In Range Top assembly Parts diagram
Oven Parts diagram
SVD48600P Gas/Electric Slide In Range Oven Parts diagram
Blower & convect assy. Parts diagram
SVD48600P Gas/Electric Slide In Range Blower & convect assy. Parts diagram
Body Parts diagram
SVD48600P Gas/Electric Slide In Range Body Parts diagram
Gas controls Parts diagram
SVD48600P Gas/Electric Slide In Range Gas controls Parts diagram
Access panel Parts diagram
SVD48600P Gas/Electric Slide In Range Access panel Parts diagram
Door Parts diagram
SVD48600P Gas/Electric Slide In Range Door Parts diagram
Wiring information Parts diagram
SVD48600P Gas/Electric Slide In Range Wiring information Parts diagram

Recent Service Requests

CityProblem DescriptionResolution
Honesdale, PennsylvaniaUNIT JUST GOES BLANK
COMES BACK ON, SOMETIMES QUICKLY
SOMETIMES AFTER AN HOUR
Repaired
Markham, OntarioAuxilary fan starts up and then F3 or F5 code comes up and stove turns off. Screen at times goes blank. This usually happens after 1/2 hour of the stove being on. Stove will not reach 350Repaired
Nelson, British ColumbiaCannot set above 350 degrees on bake setting.Repaired
Troy, North CarolinaF3 code oven doesn't reach set tempAwaiting receipt of timer
Calgary, AlbertaJust purchased the oven. The former owner stated it was not working. He had a service technician out to diagnose the issue and indicated it was this control that was the issue.Repaired
Belmont, MassachusettsHi, my oven's timer stopped working. Specifically The bake, convect bake, broil and clean buttons. I would like to replace it, new or used doesn't matter as long as it is functional and in a good condition. If it is not in stock I would like to have it replaced. Please advise on how to proceed.Awaiting receipt of timer
Carmel Valley, CaliforniaComplete failure of the range/oven electronic timerAwaiting receipt of timer
Snohomish, WashingtonStarted by oven not getting to set temp all the time then one day relay stated chattering. This timer was new old stock that I got a few years ago to replace the original that had F3 code after 30 minutes of use. Reinstalled that original and everything works as normal just get the F3 after 30 minutes or so.Beyond Repair
Billerica, MassachusettsMy Oven Timer is no longer working correctly, I press timer and timer function comes but when I press the up arrow nothing happens. When I select bake which starts at 350, the up arrow button does not work the temp does not change. The down arrow still works. It appears the up arrow button is broken, can this be repaired? The soft key is slightly more depressed than normal feels broken?Awaiting receipt of timer
Nashville, TennesseeThe button in the timer is broken. The soft touch face that includes the button has ruptured.Awaiting receipt of timer
Bogota, New JerseyShuts off randomly, flashes shuts off at high tempRepaired
Lac Supérieur, QuebecOven stop and screen turn off also after 5 min. We reset and still shut offAwaiting receipt of timer
Hopkinton, New HampshireF-1 code will not stop beepingAwaiting receipt of timer
Bayfield, Ontarioeverything looks like it is working buttons all work says oven on goes to 100f but does not heat, same for the broil element everything appears normal but no heat.Repaired
Green Cove Springs, FloridaF3 error message when Bake button pressed. Temperature sensor and relay board replaced but did not correct problem.Repaired
Tacoma, Washingtonprevious timer failed, not repairableAwaiting receipt of timer
Ajax, Ontariotemp UP button does not respondAwaiting receipt of timer
Tacoma, WashingtonTimer display went dark. Once before this reset after unplugging the oven. This time it didn't work.Beyond Repair
Eugene, OregonCONTROL PANEL HAS INPUT POWER BUT NO LIGHTED VALUES DISPLAYED. NOTHING INCLUDING CLOCKAwaiting receipt of timer
Goffstown, New Hampshireno error but it started with the up temp button not working, then the next thing was the clock would stop working and just blink, the a couple of times the stove would just shut off during baking.Beyond Repair

Common problems for Jenn-Air Gas/Electric Slide In Range SVD48600P Timer Repair

Are you encountering a similar problem as them? Contact us now and we will try to help you fix your SVD48600P timer-related problem.
I have a Jenn-Air oven, model # : SVD48600P. My wife was heating up the oven, she said it got "super hot" and came up with an "F2" error message and started beeping. She couldn't get the beeping to stop after repeatedly hitting the cancel button, finally she unplugged the oven and everything came to a halt. The oven was installed in 1999 and haven't had any problems until now. I found the error / fault codes and found 2 different repairs. First F2 code repair is : Oven too hot - Replace relay board (if present) or oven temperature sensor. Second F2 was for "Newer Style" oven range : Oven temp sensed; over 600F sensed by control in time of day mode, bake mode, or over 900F sensed in clean mode, Repair - Ohm test the oven temperature sensor, if ok, change power relay board. I've found the sensor in the oven(Ihaven't removed it yet oven still a little warm) and I have a meter, I am a DIY'er. Any all suggestions welcome, hope I gave enough info. thanks, XXXXX XXXXX
I have a jenn- air svd48600 series combination gas-electric grill-oven and oven, purchased in 1996. Display does not come on, oven cooling fan runs nearly all the time when oven is in use. Time to buy a new one, or is this good for a repair? Thanks for your help, Sue
I have a jenn-air svd48600p gas-electric grill-oven with convection oven and a f3 code any ideas how to clear it?
My Jenn-AIR SVD48600p electric oven stopped working. The front control panel that controls the oven is dark. The cook top gas burners, exhaust fan and oven light work. Circuit breakder has not tripped.
i have a jenn-air range, model svd48600p, the oven door stays open about a good 2-3 inches when looking at it from the side. i have replaced the hinges on it already no difference. i have checked the level & squareness of the outter frame, it seems fine, no obvious damage. i don't see any adjustment slots on the hinges or the mounting supports for the hinges on the frame. any suggestions would be helpful.
Fault Code F2 Jenn-Air Oven Model # XXXXXXXXX
WE HAVE A JENN AIR OVEN MODEL #SVD48600P THE HEATING ELEMENT BLEW AND HAS BEEN REPLACED BUT NOW THE CONTROL PANEL ISN'T WORKING. RELAY HAS BEEN REPLACED AS WELL. wHAT NEXT?
I have a Jenn-air 30" gas range model #SVD48600P. The door doesn't close the last 3/4". I ordered new hinges and replaced them. It seems there is not enough tension. Any ideas.
Hi, my Jenn Air slide in Electric Kitchen oven model # SVD48600P needs the Relay Board part # 71002144 replaced and this part number is no longer available. How do I find this part?
Jenn-air SVD48600P oven will not work / F3 error . I recently replace the expense control / clock unit on my oven because it would not heat. This was advice from repair person. Once replaced the over worked again, for about 10 minutes, and now there is an F3 error flashing and the internal fan will start running for absolutely no reason. With only 4 days until Christmas dinner, I'm running out of time...
Hi. I have a Y-2K Jenn-Air Electric Oven, with a gas cooktop. Model#SVD48600. The other day we finally got the clean mode to work-- didn't realize we had to push the oven door for the lock to engage. After the cleaning was completed, the F2 error light came on. The fan kept running, and the lock would not disengage. Eventually the lock disengaged, and the fan shut off. However, the next morning the fan spontaneously came back on, and stayed on until yesterday, mid afternoon. This morning, the fan spontaneously came back on, and the F2 error came up again. In spite of repeated attempts to click the cancel/off button, the F2 would repeatedly come back on. I eventually unplugged the plug from the power supply, and am now ready to "dig in" to see what I need to fix it. According to the schematic, the F2 error is an Ohm Sensor. If the resistances do not match, I should either replace the sensor, or the whole relay board. Your helps would be appreciated in my troubleshooting. 1- I am not an
Try here for the manual Download SVD48600.pdf
I have a Jenn-Air Electric oven that the oven elements wont work. I replaced the oven sensor today and it did have some heat damage on the wiring adaptor. However, there is no change. I have tried bake, broil and clean and none work. Sometimes it will flash a F5 code but not always. Most times, it will show that "preheat" is on but never heat up. I have inspected the upper and lower heating elements but found nothing obvious. Everything else works fine.
Original problem...oven cooling fan running by itself and when Bake or Broil selected....doesn't work....did tests with Stop Key....now F3 displays....it says that ohm sensor should be checked...not sure what part that they are talking about I have replaced clock ( main circuit board) but to no avail...
My clock works but it does not beep anymore when time has expired. Any idea what the problem may be or what part I need to order?
My Jenn-Air range is having problems with the control panel. The only button that doesn't work is the up arrow. The rest of the control panel works fine. I am assuming that this was the first button to go since I use the up arrow the most. Does the whole control panel need to be replaced, or is there something that can be done to fix the up arrow? I cannot use the clock and can only bake up to 350 degrees w/out the up arrow. I would really like to avoid having to pay around $400 for a new control panel and the labor to repair it.
Both upper and lower oven elements won't heat beyond warm (100 degrees)Jenn-Air Model# SVD48600P
my oven isn't getting warm...what to do, everything else seems to be working.model # SVD48600P
element burn out bottom jennair range element burn out bottom range jennair SVD48600p repain man replaced element and main board with clock range still would not work but he did not know what else could be problem
I can't lock the oven door to perform self cleaning. I there a handle to manually lock door? or is there just a problem with the door latch assembly