Jenn-Air Gas/Electric Slide-In Range SVD48600B Timer Repair

What is the timer/clock part number for the Jenn-Air SVD48600B Gas/Electric Slide-In Range?

Timer part number 71001799 for Jenn-Air SVD48600B

The SVD48600B Gas/Electric Slide-In Range uses timer part number 71001799.

Do you have a failed Jenn-Air SVD48600B control panel? Click here:

Request Appliance Timer Service

We can repair or replace your faulty Jenn-Air SVD48600B timer.

SVD48600B are also sometimes referred to using these Alternative Names/Model numbers

Maytag SVD48600B Gas/Electric Slide-In Range, Whirlpool SVD48600B Gas/Electric Slide-In Range

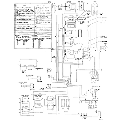
SVD48600B Schematic and Wiring Diagrams

Control panel Parts diagram
SVD48600B Gas/Electric Slide-In Range Control panel Parts diagram
Top assembly Parts diagram
SVD48600B Gas/Electric Slide-In Range Top assembly Parts diagram
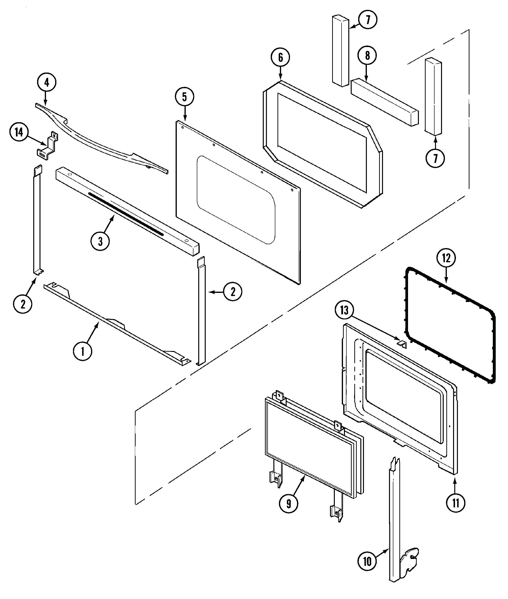
Door Parts diagram
SVD48600B Gas/Electric Slide-In Range Door Parts diagram
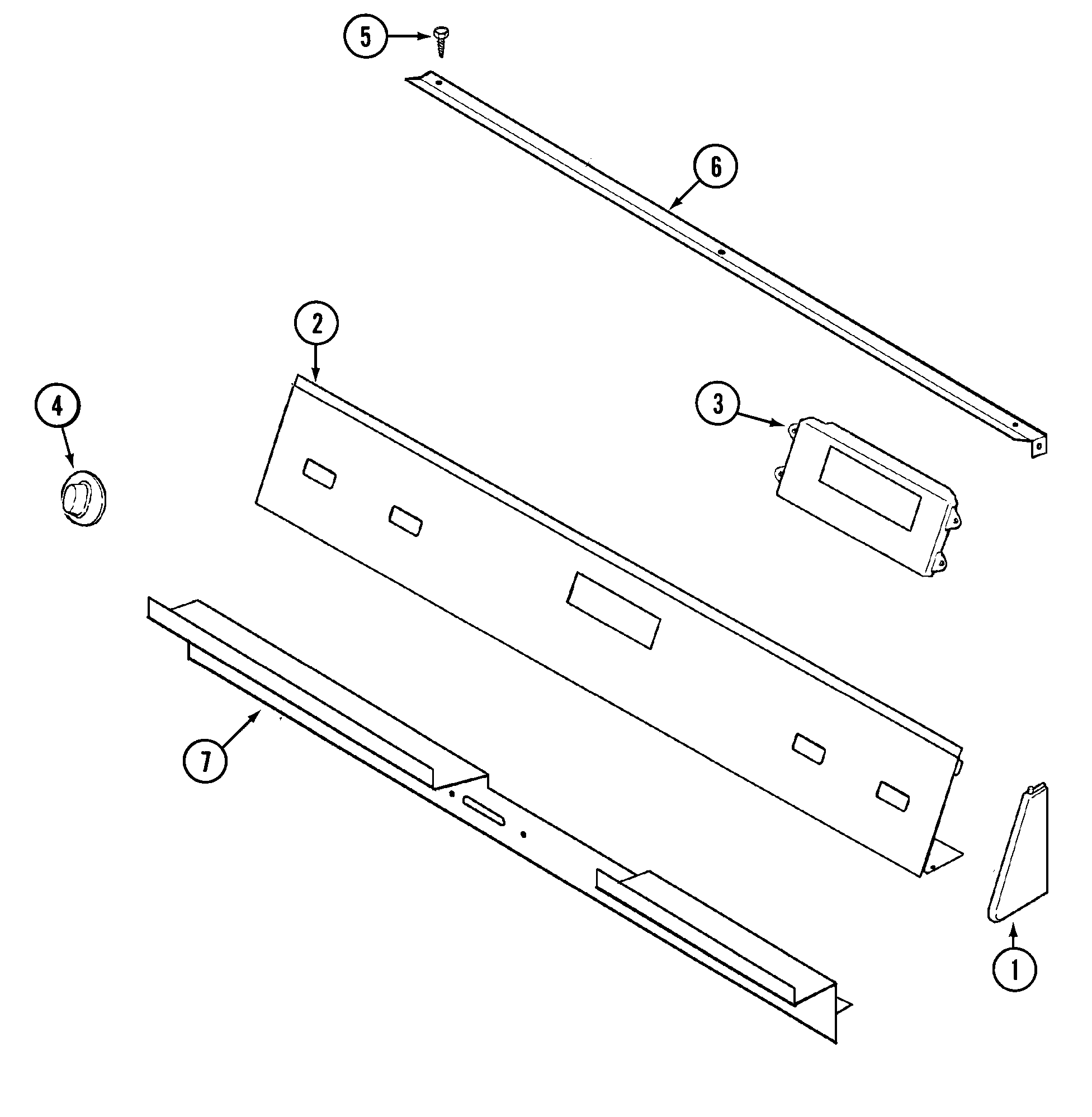
Access panel Parts diagram
SVD48600B Gas/Electric Slide-In Range Access panel Parts diagram
Wiring information Parts diagram
SVD48600B Gas/Electric Slide-In Range Wiring information Parts diagram
Oven Parts diagram
SVD48600B Gas/Electric Slide-In Range Oven Parts diagram
Body Parts diagram
SVD48600B Gas/Electric Slide-In Range Body Parts diagram
Gas controls Parts diagram
SVD48600B Gas/Electric Slide-In Range Gas controls Parts diagram
Blower & convect assy. Parts diagram
SVD48600B Gas/Electric Slide-In Range Blower & convect assy. Parts diagram

Recent Service Requests

CityProblem DescriptionResolution
Cedarburg, WisconsinNo display. Oven did not turn off using control. Had to set temperature to zero to get it to turn offRepaired
Freehold, New Jerseythe display went out years ago but the range continued to work. it now beeps and occasionally the oven doesn't work.Awaiting receipt of timer
North Salem, New YorkNO LIGHTS AT ALL NO DING ON TOUCH PADAwaiting receipt of timer
Kahului, HawaiiLight is dim, once stove heats up display is normal.Replaced with reconditioned timer
Newmarket, Ontario**NOTE**: This timer is under warranty. When it was returned and installed and within 10 minutes of turning on the oven to test things the timer displayed a F5 error.
I cleared it and continued to test the oven only to have it shut off completely (oven turned off and no display). I unplugged the oven and after waiting a few minutes plugged it back in - it reset and the clock was flashing. I tested it a last time and the oven heated up but could not be shut off - had to unplug it again.
Awaiting receipt of timer
Newmarket, OntarioTimer screen is blank and emits alarm when on for a few minutes.Repaired
North Easton, MassachusettsRANGE HAS F7 CODE AND BEEPS.Repaired

Common problems for Jenn-Air Gas/Electric Slide-In Range SVD48600B Timer Repair

Are you encountering a similar problem as them? Contact us now and we will try to help you fix your SVD48600B timer-related problem.
Jenn-Air dual-fuel oven model SVD48600B dislpay (clock/temp/etc) is too dim to read. Do we need new display unit or perhaps a power supply board?
I'm hoping someone has the ultimate answer to the FC error code I'm receiving when powering up my oven. I've purchased most everything I can think of based on all the threads I have read. Issues started when my baking element wasn't working, the broiler element was fine. Purchased electronic oven control assembly (clock) AP4088560 since I had this part go out on me before. Did not fix the problem so I purchased the baking element which also didn't work. Checked the harness to make sure it was seated properly and then purchased relay board AP 4008573. The new board fixed the baking element issue but then a couple of weeks later started getting the FC error on heat up. After this happened a couple of times I checked out everything and noticed that the ribbon on the switch membrane appeared to be cracked, possibly causing the FC error. First I purchased the noise suppressor that was mentioned in a technical bulletin I read, but didn't make a difference. Purchased the membrane AP4088890 an
I have a Jenn-Air SVD48600B. The oven works fine, but the display no longer works, so you can't see the time, temp, etc. Some have suggested that just replacing the control panel unit will solve the problem and others have suggested that the control panel needs to be replaced? Any suggestions and part numbers would be appreciated.
error code My Jenn-Air keeps beeping with error code F C
My broiler element won't shut off. Is it a relay? I have to cut the breaker switch. Also the clock is not illuminated so I can't see the codes. And one more thing. The down draft fan stopped working, first at one speed then both. Not sure if I would have to replace the fan motor itself or the board. Since the fan won't work the oven won't clean as well. Lot's of problems but still cheaper to fix than to buy a new unit. I wopuld also need the service/repair manual to fix this. Can you help?
jenn-air model svd48600b Fan runs continually and the oven light stays on. only way to stop them is to pull the oven breaker on the electric panel.
I have an older Jenn-Air gas-electric Grill-oven with Convection Oven. Dated 1996 - Model SVD48600B. I got 2 alarms , F-5 and then F-C. Could not get this alarm to go off. I had to disconnect the electric plug.
re: Jenn Air #svd48600b Gas range Top works...Oven and Broiler not working(Elec.) I replaced Electronic oven control assy...It works correctly, but never gets Hot!!Any ideas??
MODEL #Jenn-Air oven Downdraft SVD48600B (1996) Whirlpool Need to know if the following symptoms sounds like the "relay board" needs to be replaced as well as the "clock"? Might the unit only be getting 120V and that is the reason the oven only heats up to 150 degrees? Could there be a "short" some where or is this common when these part burn out? Any guidance would be welcome! - Jef 1) digital clock started a slow "fade" no visual output at this time. 2) bottom oven element stopped working ( replaced with new element ) still does not respond 3) control panel touch pads all work, setting temp and oven heats up using only 1 element 4) fan and fan controls for (downdraft) works fine 5) self cleaning does not work 6) interior light works 7) oven works perfect all burners + grill
Amana range - SVD48600B; Self Cleaning fails to start. Will allow entry of "clean" and 3 hour time, but will not lock door and start process. I flipped breaker and tried again, but not luck. Any ideas? Tom
I have a Jenn Air Model svd48600b it started giving a f4 when i hit bake, it also would start to chatter and flash when the broiler was on too long. Now I have a F5 and none of the oven features work. What do I need. I'm selling my home and of course it failed when the lady was doing the finial inspection. OH-yeah the right side igniter does not work but it is strqange when I turn the right knob the igniter on tthe left clicks. the left side works fine. TOOOOOOO much but please help. Bob XXX@XXXXXX.XXX
f5 and f7 on my jennair range model svd48600b
I have a model SVD48600b the control panel does not work, I ordered a new control panel and illumination board I installed them and the cooling fan and the oven light now stay on, I reinstalled the original boards and the lights and cooling fan run properly. Can you help? I beleave they sold me the wrong parts (which they will not return) I would like to repair this. I am a trained automotive technician and believe I can repair this. Help Greg Dalton Emily Minnesota XXX@XXXXXX.XXX
Have a Jenn-air Model SVD48600B Serial #12696502SF. For the past five years off and on the display beeps and shows an fc code. Now the oven will not heat. Heard a metalic popping noise, the heating coil in the bottom of the oven was bright red in the left hand corner the rest was black. Opened the oven a few minutes later and the coil was completely black although the display showed it was still preheating. Turned it off and tried to set it to preheat again (to 400) but it would only heat to 335.
I have a Jenn-air oven model #SVD48600B serial #14342566SS and need a part #74009648, the outer black glass for the oven door - I cannot find it ANYWHERE. Is it possible to find a glass manufacturer that could make a glass . I was advised that the oven cannot be used without this glass in place. The range is 10 years old.
I have a Jenn-air svd48600b 30# XXXXX downdraft oven. The touch pad was not working (could not use the off/cancel button). I have the new touch pad installed and now the cooling fan (not the downdraft and not the convection) will not stop running and the oven light will not turn off. Also the fan touch button is not working at all and all other touch buttons are working fine. Do I need a new heat sensor?