Jenn-Air Slide-In Range SEG196 Timer Repair

What is the timer/clock part number for the Jenn-Air SEG196 Slide-In Range?

Timer part number 12200028 for Jenn-Air SEG196

The SEG196 Slide-In Range uses timer part number 12200028.

Do you have a failed Jenn-Air SEG196 control panel? Click here:

Request Appliance Timer Service

We can repair or replace your faulty Jenn-Air SEG196 timer.

SEG196 are also sometimes referred to using these Alternative Names/Model numbers

Maytag SEG196 Slide-In Range, Whirlpool SEG196 Slide-In Range

SEG196 Schematic and Wiring Diagrams

Control panel (seg196) (seg196-c) Parts diagram
SEG196 Slide-In Range Control panel (seg196) (seg196-c) Parts diagram
Control panel (wht) (seg196w) (seg196w-c) Parts diagram
SEG196 Slide-In Range Control panel (wht) (seg196w) (seg196w-c) Parts diagram
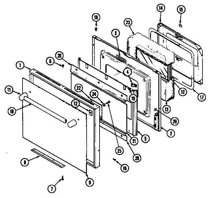
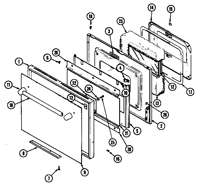
Door (seg196) (seg196-c) Parts diagram
SEG196 Slide-In Range Door (seg196) (seg196-c) Parts diagram
Door (wht) (seg196w) (seg196w-c) Parts diagram
SEG196 Slide-In Range Door (wht) (seg196w) (seg196w-c) Parts diagram
Access panel (seg196) (seg196-c) Parts diagram
SEG196 Slide-In Range Access panel (seg196) (seg196-c) Parts diagram
Access panel (wht) (seg196w) (seg196w-c) Parts diagram
SEG196 Slide-In Range Access panel (wht) (seg196w) (seg196w-c) Parts diagram
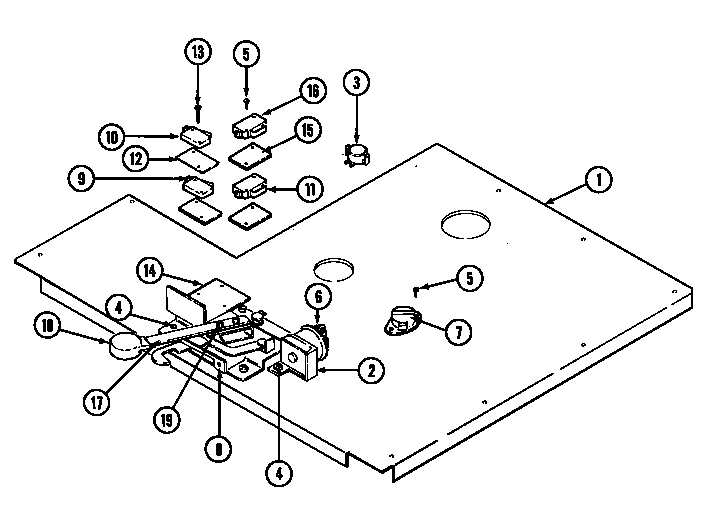
Main top (seg196) (seg196-c) Parts diagram
SEG196 Slide-In Range Main top (seg196) (seg196-c) Parts diagram
Main top (wht) (seg196w) (seg196w-c) Parts diagram
SEG196 Slide-In Range Main top (wht) (seg196w) (seg196w-c) Parts diagram
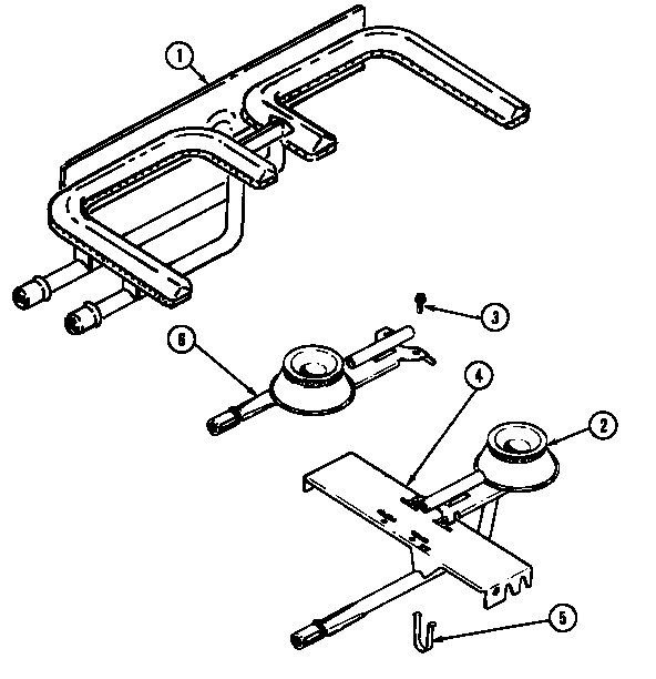
Burner/manifold assembly (seg196) (seg196-c) Parts diagram
SEG196 Slide-In Range Burner/manifold assembly (seg196) (seg196-c) Parts diagram
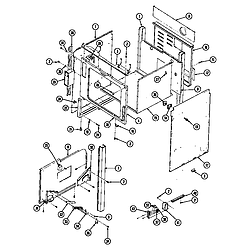
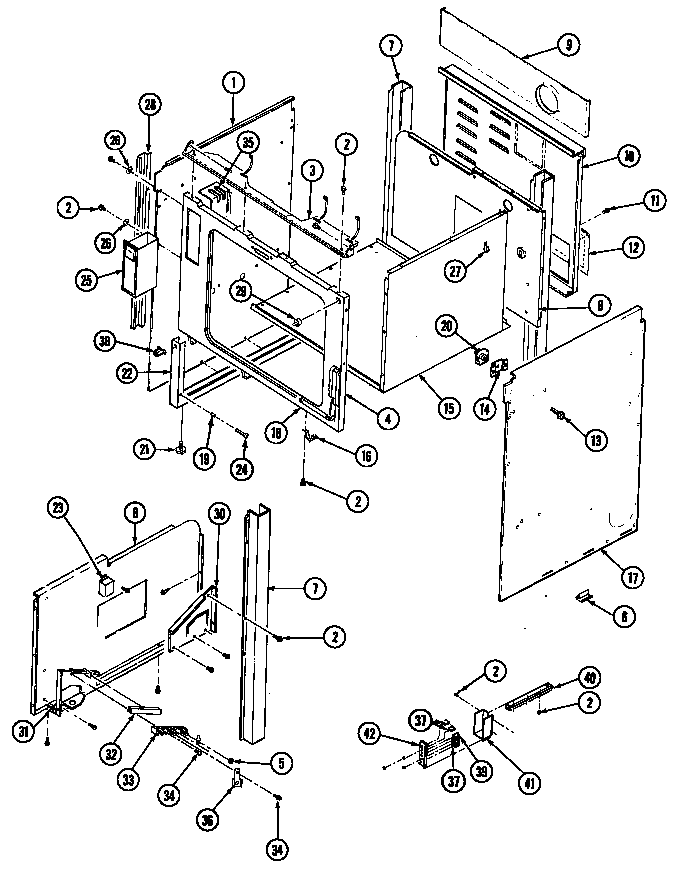
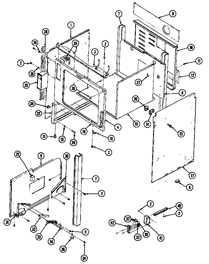
Body (seg196) (seg196-c) Parts diagram
SEG196 Slide-In Range Body (seg196) (seg196-c) Parts diagram
Body (wht) (seg196w) (seg196w-c) Parts diagram
SEG196 Slide-In Range Body (wht) (seg196w) (seg196w-c) Parts diagram
Internal controls Parts diagram
SEG196 Slide-In Range Internal controls Parts diagram
Oven liner (seg196) (seg196-c) Parts diagram
SEG196 Slide-In Range Oven liner (seg196) (seg196-c) Parts diagram
Oven liner (wht) (seg196w) (seg196w-c) Parts diagram
SEG196 Slide-In Range Oven liner (wht) (seg196w) (seg196w-c) Parts diagram
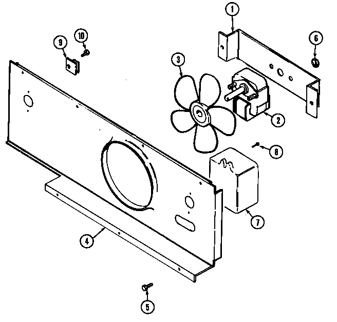
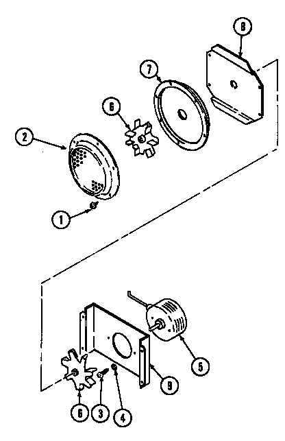
Blower motor-cooling Parts diagram
SEG196 Slide-In Range Blower motor-cooling Parts diagram
Blower motor-convection Parts diagram
SEG196 Slide-In Range Blower motor-convection Parts diagram
Blower motor-blower/plenum Parts diagram
SEG196 Slide-In Range Blower motor-blower/plenum Parts diagram
Gas controls (wht) Parts diagram
SEG196 Slide-In Range Gas controls (wht) Parts diagram

Recent Service Requests

CityProblem DescriptionResolution
North East, PennsylvaniaDOESN'T OPERATEAwaiting receipt of timer
Fairfax, VirginiaNo indicators at all...display off and blank.Awaiting receipt of timer
Elmira Heights, New Yorkno output on digital clock/ timer,
oven cleaning operation doesn't work
Beyond Repair
LENOIR CITY, TennesseeThe led lights are on all zeros. Timer/clock won't set. Can't use auto cleaning function. Oven works fine.Repaired
Bolivia, North CarolinaCancel button .. does not work. When set time is up and peeps I need to use large set button to return to current time.
Need to know first if you can repair or replace with equivalent before I dismantle unit to disconnect timer clock for shipping.
Repaired
Leland, MississippiCompletely dead...Awaiting receipt of timer
Woonsocket, Rhode IslandTimer started beeping and then clock went to all zeros. Clock was reset at this point and was working for about two hours. Timer again started beeping and clock went to all zeros and then screen went dark with faint blue line on bottom of screen. Have tried keeping power off range for two hours without any success at a reset. Timer does not beep any longer and faint blue line remains on bottom of screen.Repaired
Leland, MississippiDisplay randomly resets... sometimes it comes right back on and other times it remains blank, then beeps and comes back up.Awaiting receipt of timer
Leland, Mississippiintermittent restartAwaiting receipt of timer
Oakhurst, CaliforniaElectronic Control failed. Relay burned. No bakeRepaired
Langley, British ColumbiaDelay oven timer, oven does not heat up
Oven will not heat up on clean cycle
looks like burn mark in left bottom corner of timer screen
Repaired
COURTENAY, British ColumbiaDF RANG SER#734275XU...FAULT IS NO POWER TO OVEN ELEMENTS FOR ANY FUNCTION- PART#S POSSIBLE FROM WHAT I CAN SEE ARE Y04100133 OR Y703708-BUT SER# CUTOFF IS UNKNOWN, TAG ON CLOCK IS NOT LEGIBLERepaired
Orlando, FloridaTimer / Clock light sup but not working when turn knobsAwaiting receipt of timer
Los Altos, CaliforniaDisplay shows 00:00
No control available on any knobs
Awaiting receipt of timer
Plainview, MinnesotaAppliance works good, other than the display on the control board is no longer visible.Awaiting receipt of timer

Common problems for Jenn-Air Slide-In Range SEG196 Timer Repair

Are you encountering a similar problem as them? Contact us now and we will try to help you fix your SEG196 timer-related problem.
The freezer seals are hot to touch and the outside edges of fridge around freezer are hot i have switched out the coil fan at rear of fridge which i still have not seen work or spinning. the rear of fridge is super hot and i am cooling with a floor fan. the temps in fridge seem ok .help
SEDS800JQ0 electric dryer is not drying. i took it apart and cleaned every think i could, made sure wires are tight and not burnt. element has continuity... i check everything i could find values on...its all testing good...put it together...it had heat! next morning wife happy to do some drying....no heat? i did turn the heat on in the utility room to work on it, if this matters... i have a very nice DMM as well
hi- i recently purchased an older, used Jenn-Air gas-electric oven. The selling couple had updated all of their kitchen appliances and the oven and fridge came home with me, both appearing in to be in top condition. There was no plug attached when I took delivery on the oven, although the wiring area was clearly divided into red, white, green and bare (ground) wires. Since my current home kitchen wiring is set up with a legacy "3-prong" 220v outlet, I consulted with a handyman who advised me on the following wiring strategy: coming from the new 3-prong cord (to be attached) he told me that the critical step was to attach the "middle" cord wire to the "middle" oven contact and that the remaining two wires could be attached to either remaining contacts in the wiring box wire, right or left. I proceeded as told and and when tested, the oven and clock and appeared to operate. With further testing, HOWEVER, I found that the top gas burners will not light with the built-in igniters (I have c
We have a Jenn Air oven, Model #SEG196. The home inspector said it's missing a SWITCH for the fan. Can you tell me what switch (#?) we need to purchase and repair it?
I am trying to replace the cooktop ignitors on a JennAir SEG196. It looks like I have to remove the stainless steel frame around the cook top to be able to get to the ignitors from underneath. How do I do this?
I have an older Jenn Air model SEG 196 with the self cleaning oven. the lock mechanism for the the self cleaning does not lock. when I turn the cleaning dials to clean and slide the locking mechanism the range makes a buzzing sound and it wont fully lock. What is causing this and how hard is it to fix myself.
I have a JennAir SEG196 model oven. When I purchased it years ago, I was inadvertantly given the extra set of burners for electric, even though this is a gas oven. They did make the trade when I discovered it 5 years later but now I discover that I do not have an owners manual for gas....just the installation manual. I am trying to use the self cleaning oven feature. I turned it on for the selector and termperature and locked the door. I couldn't tell if it shut off by itself. I finally turned it off after about 25 minutes. Now I cannot open the door. I would appreciate any help that you can give me. Thank you. XXXXX XXXXX
Jenn-Air model SEG196 Oven will no longer self clean. Selector switch set to "Clean", Thermostat set to "Clean", oven door latch engaged, start time, stop time are set OK, display shows "auto", "clean ind. light" does not light, heating element does not get hot. What's wrong?
I have a Jenn air SEG 196 oven that I am unable to get the self cleaning oven feature to work. Any ideas? Also do you know where I can find a service manual for this appliance? Thank you.
We have a Jenn-Air SEG196 dual fuel downdraft oven. I saw that you had several answers posted on similar models. We have been unable to use the self-cleaning feature of the oven. We turned both the selector knobs and temperature knobs to "Clean." When we slide the lock mechanism over to the right, it appears to go 3/4 of the way, no flush against the door, and stop. The manual states that when you press the "Enter" button, it should display a time for the self cleaning options. It does not. It appears that the oven does not recognize the door being latched, if it is considered latched at all. We cannot locate a service manual, but have searched the web for answers, but there hasn't been any posts with our exact situation and we didn't want to just purchase parts haphazardly. We believe it to be the actual latch mechanism, solenoid or one of the switches. Do you have any suggestions?
I have a Model SEG196 Jenn-Air. I've followed th esteps for self-cleaning precisely and it still does not come on. How do I trouble shoot to get it to work?
How to replace spark igniter - Jenn-Air SEG196 gas-electric oven How do I install a new spark igniter on my old Jenn-Air gas-electric grill-oven Model SEG196? I don't even know where to begin, except I did buy the replacement part. Thanks.
The touchpad on my jenn air oven is not working properly. The oven controls (bake, broil,convect bake, convect roast) clean, cancel, and numbers 1 through 6 do not work. The clock works, but it will go blank every so often when the right rear burner is being lit. To get the clock to work again I have to disconnect the clock from the power by removing the connections and reconnecting them. I took the oven apart looking for a short but could not find any. Is it the touchpad causing the problem or the relay board? Is there a service manual or technical sheet available for this oven?
my dryer runs fine except the heat quit. i have changed the element & thehigh limit thermostat.i would like a few test procedures to find the source of the problem.
Hello, I have a Maytag Washer Dryer stacked unit, SE1000. The washer gets stuck on the rinse cycle at "2", and does not advance. I can manually select a lesser time when it's stuck and get it to advance to the spin cycle. I thought replacing the circuit board with the clock built in (I'm pretty sure it is built in as I can find no other clock in the unit), but this did not fix the washer. Is there something else I should be fixing? Jasollitto
Jenn-Air Gas oven SEG196 NO clock/DISPLAY About two years ago, we had a major power surge run into our house, which made the display/clock on our Jenn-Air gas oven go out, among other appliances in our house. Is it possible to get this back? If so, how? The oven itself works great, but it would sure be nice to have the display/clock back. Thanks SO much for your help!!!!!
I have a Jenn Aire Dual Fuel (gas cooktop and electric convection oven combo) It is a standard upright range though can be installed as a slide in. It's model SEQ 196. Everything works fine except for the self cleaning. On this model you have to turn selector to clean, set temp know to clean, lock the door and then hit enter twice to start the process. It has three indicator lights on it and I'm not sure which ones lit when it did work (last time about a 2 months ago, but wife has tried a few times since then). When you go through the motions above, no lights come on. Although door lever buzzes as you lock it like before. Oven doesn't even get warm. I did notice something weird while fooling with it, the "clean" light comes on when you turn the temp selector below 400 degrees with in the clean mode, goes off when higher than that or on clean. Is there a wiring schematic or trouble shooting guide available? Or have you run into this problem before. Any help would be appreciated.
Two questions from a home owner who would like to do own repairs to my old Jenn Air oven: I want to convert our oven from LP gas supply to Natural Gas. I was told I need to secure 1.) Left-hand Burner Kit 12200049, (AP4012743); and, 2.) Right-hand Burner Kit, part # 12200049 (AP4011330). I want to know if this is absolutely all I need for said conversion. I have a second problem with same said oven. Suddenly one day the internal exhaust fan came on and remained on. I purchased a new Jenn Air switch for said fan, installed it, and it clicked off and on as should have done. BUT, in a few minutes, suddenly the fan came on again on its own... so I must have some other problem than just the switch. Any suggestions?
Our dryer takes at least 2 cycles to dry 1 load of laundry. It's a kirkland signature by whirlpool...any ideas?
Jenn-Air Gas oven SEG196 NO clock/DISPLAY About two years ago, we had a major power surge run into our house, which made the display/clock on our Jenn-Air gas oven go out, among other appliances in our house. Is it possible to get this back? If so, how? The oven itself works great, but it would sure be nice to have the display/clock back. Thanks SO much for your help!!!!!I have a Jenn-air Model # JGW8130DDB (30" gas wall oven). It is brand new, never installed, but has been in storage 2-3 years. When plugged in, I get no power to the oven (no panel, no light, etc.). Breakers and outlet have been checked. Could there be an internal circuit breaker? Any suggestions? Thanks in advance.
Electronic igniters Model SEG196 After a power outage the electronic igniters for top gas ovens not working however clock is operating. Any suggestions on problem with them not operating after power was restored?
33 year-old whirlpool dishwasher trips the curcuit nreaker during its run, prior to draining. resetting the breaker gets it to run another minute before it trips it again.
ignitor not working I have a jenn air oven model seg196. After self cleaning the oven, the ignitor will not spark and I hear no clicking sound
How do I replace the clock on my Jenn-Air oven, Model SEG196W?
My Jenn Air SEG196W has a gas cooktop and an electric convection oven. Oven won't turn on and oven panel indicator lights don't light up. I checked broiler element and lower heating element and they both have good continuity so not burned out. clock works fine. What needs to be done or replaced
Jennair down draft oven (Maytag SEG196W) want to replace glass in oven door. Looking into parts I see a window pac. Is this what I need and is there a diagram available to get into the door for this purpose?? Thanks, XXXXX XXXXXXXX@XXXXXX.XXX
I have a never yet installed dual-fuel white self-cleaning oven Jenn Air that I purchased in 1995 from Sears at Washington Square. It's 30 inch width drop-in down draft fan unit. I finally located the model and serial number plate inside the lower left body. The Model number is XXXXX Serial number 22056168MS. Earlier today I found these among numerous numbers on the carton. The phone hotline told me this couldn't possibly be correct. I need manual and specs on this. Oh Help !XXX@XXXXXX.XXX.
My Jenn-Air SEG196W remains locked after cleaning. I saw the "hold cancel and cook and hold button" instruction, but I don't have a cook and hold button--is that a later model? Is there a way to unlock mine?