Whirlpool Built In Gas Oven SB160PEXB1 Timer Repair

What is the timer/clock part number for the Whirlpool SB160PEXB1 Built In Gas Oven?

Timer part number 8189715 for Whirlpool SB160PEXB1

The SB160PEXB1 Built In Gas Oven uses timer part number 8189715.

Do you have a failed Whirlpool SB160PEXB1 control panel? Click here:

Request Appliance Timer Service

We can repair or replace your faulty Whirlpool SB160PEXB1 timer.

SB160PEXB1 are also sometimes referred to using these Alternative Names/Model numbers

SB160PEXQ0, SB160PEXB0, SB160PEXQ1

SB160PEXB1 Schematic and Wiring Diagrams

Front cover Parts diagram
SB160PEXB1 Built In Gas Oven Front cover Parts diagram
Oven Parts diagram
SB160PEXB1 Built In Gas Oven Oven Parts diagram
Control panel Parts diagram
SB160PEXB1 Built In Gas Oven Control panel Parts diagram
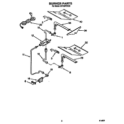
Burner Parts diagram
SB160PEXB1 Built In Gas Oven Burner Parts diagram
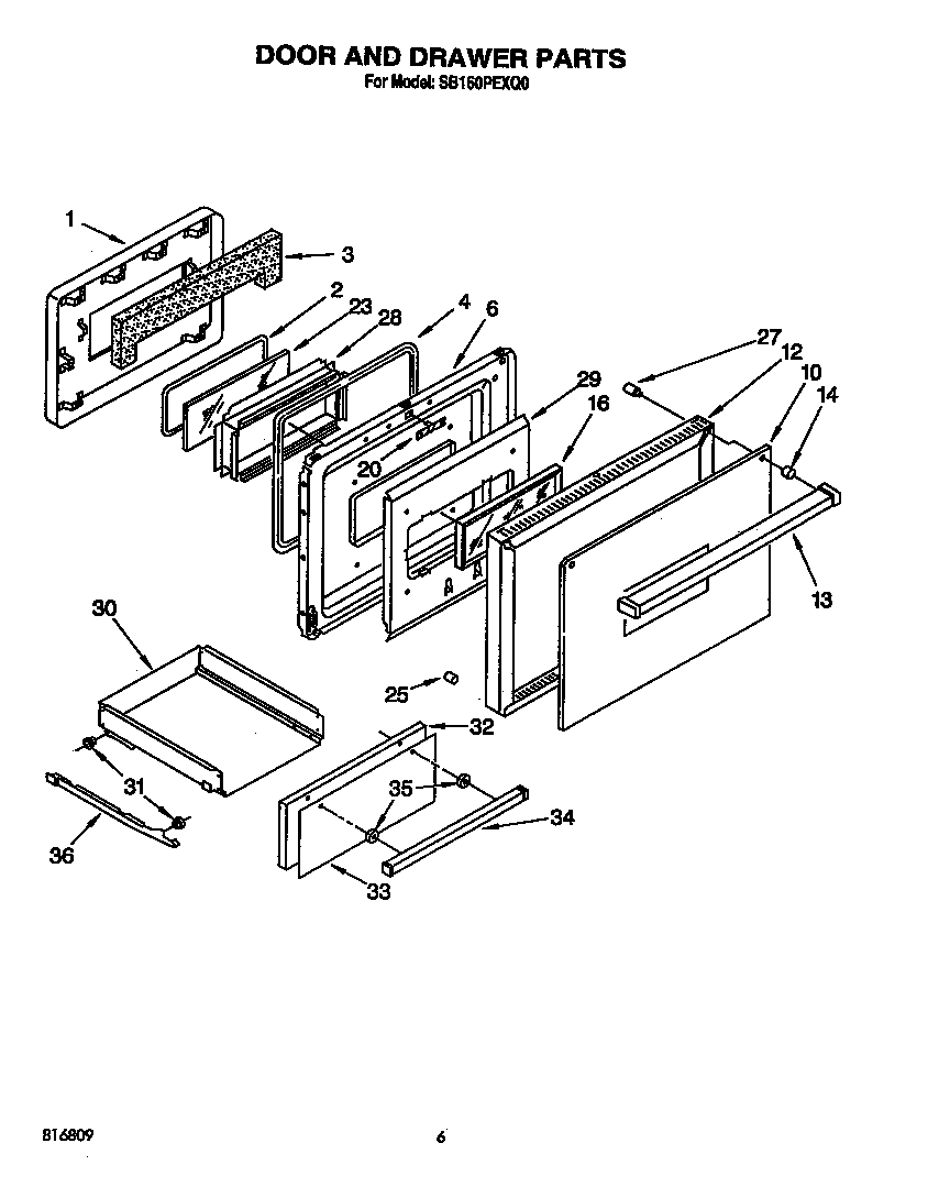
Door and drawer Parts diagram
SB160PEXB1 Built In Gas Oven Door and drawer Parts diagram

Common problems for Whirlpool Built In Gas Oven SB160PEXB1 Timer Repair

Are you encountering a similar problem as them? Contact us now and we will try to help you fix your SB160PEXB1 timer-related problem.
How can i get to the screws on the boiler ignitor on a whirpool wall oven SB160PEXB1
It seems to take a long time to complete the wash cycles, sometimes the clock seems noisier than normal and the washer stalls or stops. If you push the clock in to "off" and then pull it back out to "on" it starts to operate ( I have Not turned the dial while doing this. ) It also seems to have a lot of tub rock or wobble. I am considering replacing the clock to correct my first problem and the springs on the tub to correct the last problem. I have removed the bottom panel to check for broken or missing parts and observe the operation of the washer under load. Can not see any thing amiss. {I have recently replaced the pump, belt tension er ( including idler pulley and spring. ) and the belt. This was to correct a worn pump.} I hope to be on the right track..?
My washer stuck in rinse/spin cycle and overfilled the barrel. It flooded our house. Is the clock replacement a fix?
My washer started by not going through the drain and spin cycle. It would agitate then spin and refill but then shut off still full of water. I would turn clock to the spin cycle and then it would drain and spin and be done. Now it is getting worse and it just keeps agitating all the way till it gets to the off position then shut off full of water. As the clock advances through all of the cycles nothing seems to change until it gets to the off position. I am new and don't know much about washers but in my mind all of the cycles seem to work fine when they actually work. So I am thinking they are not being told to switch cycles which leads me to think it may be the clock or whatever tells the cycles to change. A new clock is $98 so I am not too eager to start throwing parts at it until I am pretty sure what the problem is. Does anyone know a good way to test a clock or confirm it is the problem or not? Does anyone have any ideas of what else it might be? Any help is greatly appreciated.
I have a Maytag top loading wash machine. When it goes into the spin cycle it makes a fast loud popping noise (water is draining but tub is not spinnning). I looked at it and the plastic helix on the very bottom of the drive was not staying engaged in the spin cycle. It engages fine in wash mode. I replace the spin pulley and plastic helix thinking it was just worn out. Worked great for about three weeks and now it is doing the exact same thing again. Any advice?
Started delicate cycle and washer filled with water to correct level and agitated and continued to agitate until I stopped it manually. clock never advanced on machine. Selected regular cycle and agitated and clock advanced through settings on panel but did not empty, spin, or rinse at each arrowed spot. When I move clock manually to rinse and spin the machine will rinse and spin as normal. Also smelled a slight hot electric smell as washer was emptying and spinning after manually moving the clock to rinse and spin. Less than 3 years old.
I think the clock might need to be replaced in my Maytag washer (SAV365ZAWW) but I wanted to describe the problem here to perhaps get some confirmation. The washer will not switch from agitating to the spin/rinse cycle on it's own. The knob will turn/advance as it is supposed to, but it just keeps agitating. I can push in and pull out the knob when it's in the correct position to spin and it will then spin, drain and refill and start agitating again, but it won't shift to spin by itself. If I leave it alone it will agitate through all the cycles and then beep to let me know it's done but the clothes are still sitting in soapy water. I have to then turn the knob around to the spin position. Normally I've been trying to set a clock for each cycle so I can stay on top of the laundry and not forget about it. One other thing I wanted to mention - some times when I put the knob where I think it should be (there is no specific marking for that first spin cycle) and pull it out, it seems to ha
Hi, My washer will fill with water and agitate fine. The problem comes in when it's time to pump the water out. Sometimes it will pump the wash water out, fill with rinse water and then agitate until the off position. I then have to reset the clock to the spin cycle and slam the lid and then it will pump the water out and spin to the off position. Sometimes it will just agitate from the wash cycle all the way through till the off position. Can you tell me which part I need to replace. I have it narrowed down to either the Lid Switch or the clock Switch..Am I close?...LOL...
My Maytag washer fills, agitates, spins, refills for rinse cycle then stops. At times I can get it to spin out rinse water by turning knob around to "Spin" on same cycle, at other times I can only get it to spin by changing the cycle from Regular to Wrinkle Free. Is this a clock problem?