Whirlpool 30" Built-in Electric Combo RMC305PDB1 Timer Repair

RMC305PDB1 Schematic and Wiring Diagrams

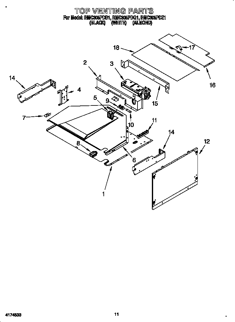
WHIRLPOOL 30 diagram
RMC305PDB1 30" Built-in Electric Combo WHIRLPOOL 30 diagram

Recent Service Requests

CityProblem DescriptionResolution
Carson City, Nevadaintermitent power failure. There is power to unit. Will come back on occasionally with a "bump" to the unit. Will make a "shorting" type sound when it comes back on. Will work for hours and sometimes days before going blank again.Awaiting receipt of timer

Common problems for Whirlpool 30" Built-in Electric Combo RMC305PDB1 Timer Repair

Are you encountering a similar problem as them? Contact us now and we will try to help you fix your RMC305PDB1 timer-related problem.
We are trying to test and replace the door switch on a microwave combo. We have taken every visible screw out, down the sides, above and below and still cannot get the front panel off. Does anyone have any idea how to get inside? Whirlpool says there is a schematic inside, but they suggest calling a technician which I do not want to do unless really necessary since I am a do-it-yourselfer.
I have a whirlpool microwave oven combo, microwave doesn't work, model rmc305pdb1. Have replaced microcomputer, membrane pad. Continuity checked door switches, gravitron, transformer, and 3 fuses main, capacitor, themal cavity. Still get error code F1 R1.
my whirlpool oven/microwave needed a new bake element after the original started on fire. after replacing it the control doesnt light up accurately for the oven and the oven doesnt heat up right. wont go above 350 and take about 30 minutes to get that hot. its about 15 years old.
RMC305PDB1 microwave not heating. Checked both thermostats, both are closed, checked internal fuse and tried a new megatron. Still no heat
Model Number RMC305PDB1 The Microwave was operating and shut down quickly. The control interface is operational but the unit will not turn on. The interior light does not come on when I open the door. I believe it is a fuse. Can I change it and how do I get acsess to it?