Thermador Range RDSS30RS Timer Repair

What is the timer/clock part number for the Thermador RDSS30RS Range?

Timer part number 486752 for Thermador RDSS30RS

The RDSS30RS Range uses timer part number 486752.

Do you have a failed Thermador RDSS30RS control panel? Click here:

Request Appliance Timer Service

We can repair or replace your faulty Thermador RDSS30RS timer.

RDSS30RS are also sometimes referred to using these Alternative Names/Model numbers

Bosch RDSS30RS Range, RDSS30Q

RDSS30RS Schematic and Wiring Diagrams

Gas burner box assembly Parts diagram
RDSS30RS Range Gas burner box assembly Parts diagram
Main oven liner and module Parts diagram
RDSS30RS Range Main oven liner and module Parts diagram
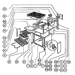
(slide-in) main body Parts diagram
RDSS30RS Range (slide-in) main body Parts diagram
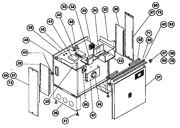
Downdraft and vtn30rq blower Parts diagram
RDSS30RS Range Downdraft and vtn30rq blower Parts diagram
Main oven door assembly Parts diagram
RDSS30RS Range Main oven door assembly Parts diagram

Recent Service Requests

CityProblem DescriptionResolution
coquitlam, British ColumbiaOven produces heat but will turn off at random - sometimes in just minutes and sometimes after 30 or more minutes. At times it can be restarted immediately and other times it needs to sit for a bit before it can be restarted. We have tried turning breaker off and letting sit for a while to see if that would reset it, but the oven continued to perform intermittently.Repaired
Woodbury, ConnecticutDisplay very dim, possible poor oven temp controlAwaiting receipt of timer
Columbus, OhioN/AAwaiting receipt of timer
Santa Rosa, Californiaoven quits working after initial warming, shows F1 codeRepaired
Lakeville, MinnesotaALL FUNCTIONS ARE GOOD AND IN NORMAL WORKING ORDER. ONLY ISSUE IS WITH THE DISPLAY. IT IS DIM AND NOT VERY BRIGHT. HARD TO SEE DIGITS.Awaiting receipt of timer
Philadelphia, PennsylvaniaDim displayRepaired
Lakeville, Minnesotaeverything works. just have a dim display.Awaiting receipt of timer
RAHWAY, New Jerseyoven not heating up past 200 degreesAwaiting receipt of timer
Terra Cotta Ontario, OntarioThe electronic range control board is unreadable. Setting the oven temperature is difficult (best guess). The oven works fine but it doesn't hold the temperature very well due to issue with the controls. It is the original stove version 000, purchased 11/1/98, delivery taken 11/1/99. I have emailed Howard Simons about this unit and he has been very helpful.Repaired
Rochester, New YorkDim display
Sometimes control needs to be reset (Power removed) in order to operate oven. (I think the previous owner said the code was F1, but not sure)
Repaired
Santa Clara, CaliforniaOven controller beeps and displays F1. Previously I was able to clear this condition by pulling out the pushbuttons. This fix no longer works.Repaired
Burnaby, British ColumbiaLed is very dim and hard to read.
Lately oven temperature too hot with top burner kicking in burning food.
Repaired
Edmonton, AlbertaOven bake element will not heat. F1 error code comes on intermittentlyRepaired
Trussville, AlabamaWhen an eye is turned on, oven turns off.
Temperature display can hardly be seen.
Beyond Repair
Calgary, AlbertaLED Oven temperature reading no longer can be read. extremely dim.Awaiting receipt of timer
CORTLAND, New YorkDISPLAY IS BARELY VISIBLE. CAN ONLY SEE IT IN THE DARK. RANGE IS OVER 15 YEARS OLD. THE SERIAL NUMBEROF THE RANGE IS 98040032. THE SERIAL NUMBER ON THE TIMER IS 14-33-347 . NUMBERS AFTER THE PART S/N ARE 100-796-00 585/920'fRepaired
Barnesville, OhioOVEN TEMPERATURE VERY DIMAwaiting receipt of timer
Briarcliff Manor, New YorkDisplay is functional (all buttons work) but the LEDs are dim, especially for the temperature when using the oven.Repaired
Staples, OntarioOven does not work on bake or broil. Display screen is fine.
Thermal fuse and double line relay have been previously replaced.
Repaired
ALEXANDRIA, VirginiaDim displayAwaiting receipt of timer

Common problems for Thermador Range RDSS30RS Timer Repair

Are you encountering a similar problem as them? Contact us now and we will try to help you fix your RDSS30RS timer-related problem.
We have already been charged $200 to 'fix' the burner. Basically, the technician said that in order to fix it, he would have to take everything apart and we were risking making all the burners.. not just the slow one .. not work. We are very frustrated as we love the range, but cannot seem to (a) find anyone to repair it (b) anyone who even knows what part it needs (c) we need help from Thermador to see what are our next steps as we are stuck in that the range is in a penisula with a downdraft so don't have alot of choices unless we want to redo our kitchen configuration which we do NOT want to do. The model is RDSS30RS . Thanks for any advice.. Marianne in Chattanooga, TN
I have a Thermador Model Number RDSS30RS, Serial Number 99040137 that has a defective control unit part Number 486752. Apparently that part is no longer in production. My range is only 11 years old. Is there any way to repair it or do I just have to discard the oven. This just seems crazy to purchase the BEST oven on the market only to find out Thermador does not provide parts for repair!
we have a ten year old thermadore Model RDSS30RS gas/electric oven. The indicator light for temperature control is extremely dim. Can you tell me if this is adjustable? Also, thermadore does not make this control and directed me to CoreCentric, they will rebuild the part, can you tell me how to disassemble the front panel and and remove this indicator section. Thanks
We are unable to use the self-cleaning feature on our Thermador freestanding oven, model RDSS30RS. We follow the instructions in the care and maintenance manual that came with the oven, and the word "door" unexpectedly comes on and the oven cleaning fails to start. The book refers to a page 47 on "solving operational problems," but explanation of our problem is not dealt with. What should we be doing? We purchased the oven in 2000 and have used the self-cleaning feature many times since then without any problem.
I have a thermador RDSS30RS. The front left (XLO) burner doesn't operate I can't read the digital readout-it is too dim
thermador rdss30rs xlo burners don't light and right side burners don't light either. can light right side with lighter. while burners are on igniter spark continously.
Hi everyone, Another year, another appliance to fix Seems like lots of posts on Thermador XLO burners -- had the back right go out maybe a month or so ago, and now the front right doesn't work. By not work, I mean I turn on the burner (knob), hear clicking/see spark, but the gas valve isn't opening. After combing the forums here, it seems a typical problem and quite likely the potentiometer kit, possibly solenoid. The plan will be to attempt to remove the grill top venturi tubes, see if I can eliminate the solenoid as the culprit (my hunch is that it's the pot). If the solenoid is good, I'll swap w/ the pot kit. Does this sound reasonable? I have two hesitations: one is breaking the venturi tubes, in which case the wife will be irritated that there would be NO working burners , the other is that the kit indicates modification may be necessary. (Kit is AP3872616) Anyone who has done this: Are we talking pinpoint precision modification or duct tape and bailing wire? I can handle some sim
digital display won't light up... RDSS30RS I can't get the digital display(clock,oven temp, ect.) to come on. when I push the bake button I hear a click and then another. is there a fuse to replace? Thanks.
The display on the control module of our RDSS30RS oven is too dim to read. Thermador says the replacement is no longer available. Where can I get a replacement?