Thermador Range RDFS30 Timer Repair

What is the timer/clock part number for the Thermador RDFS30 Range?

Timer part number 486752 for Thermador RDFS30

The RDFS30 Range uses timer part number 486752.

Do you have a failed Thermador RDFS30 control panel? Click here:

Request Appliance Timer Service

We can repair or replace your faulty Thermador RDFS30 timer.

RDFS30 are also sometimes referred to using these Alternative Names/Model numbers

Bosch RDFS30 Range, RDFS30Q

RDFS30 Schematic and Wiring Diagrams

Gas burner box assembly Parts diagram
RDFS30 Range Gas burner box assembly Parts diagram
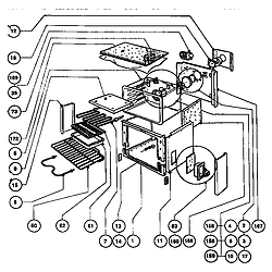
Main oven assembly Parts diagram
RDFS30 Range Main oven assembly Parts diagram
Cooling and electrical control Parts diagram
RDFS30 Range Cooling and electrical control Parts diagram
Main oven door assembly Parts diagram
RDFS30 Range Main oven door assembly Parts diagram
Storage drawer and base Parts diagram
RDFS30 Range Storage drawer and base Parts diagram

Recent Service Requests

CityProblem DescriptionResolution
Calgary, AlbertaDoes not heat the oven well. The top coil only turns on for a very brief amount of time. The bottom coil doesn't turn off at all. Test heating coils with 220V and both work. The thermister is also working properly. Problem likely exists in the two Omron relays (that control the power to the two coils), which need to be replaced on the board.Repaired
Belmont, MassachusettsDisplay is DIM / UnreadableAwaiting receipt of timer
Nashville, Tennesseetimer and temp lEDs are dim. Otherwise the unit works as it shouldRepaired
Troy, MichiganDim DisplayRepaired
Grantham, New Hampshirecannot read the tempAwaiting receipt of timer
Lisle, IllinoisTimer display is out. Bake, Convect, Cancel, + and - buttons do work since oven will turn on.Repaired
Goodlettsville, TennesseeTimer VFD is too dim to read. I wanted to price a refurb, if one available, price to recondition mine.Repaired
Waynesville, North CarolinaCan barely read clock numbers and can not read oven temperature numbers at all.Repaired
Waynesville, North CarolinaOven won't heat.Repaired
Talent, OregonToo faded to see well.Awaiting receipt of timer
Athens, OhioThe display is dim and. difficult to read.Awaiting receipt of timer
Issaquah, WashingtonOven won't heat. Display has been dim for years.
Repairman said it's probably the control board.
Awaiting receipt of timer
Toronto, Ontariocontroller does not operate... The unit only shows "off"when pressing a buttonRepaired
Seattle, WashingtonDisplay is very dim. Please restore to full, original brightness, if possible.Repaired
Renton, WashingtonTimer Oven Temperature display has faded out. Clock and timer display still normal display quality. All control functions OK.Awaiting receipt of timer
Southampton, MassachusettsDim display - not sure all buttons are responding, bake seems to work fine, but broil and convection may not work, etc. - since display can hardly be read, we have no way of knowing more. Range works fine as far as cooktop and "bake" seems to work, although hard to use with no displayAwaiting receipt of timer
Arlington, VirginiaDisplay faded and unreadable.Repaired
Carmel, IndianaDisplay is dim.Awaiting receipt of timer
AMHERST, New HampshireNeed refurbished Timer/ Control boardAwaiting receipt of timer
Seattle, Washingtondisplay is very very dimRepaired

Common problems for Thermador Range RDFS30 Timer Repair

Are you encountering a similar problem as them? Contact us now and we will try to help you fix your RDFS30 timer-related problem.
I disassembled my Thermador oven to replace capacitors that are causing the oven control display to go dim and finally to go out almost completely. While doing this a wire slipped out of the J1 connector. I am not sure which slot it goes back into. I believe it is pin #1, 2, or 3. Judging from wear on the pins of the connector it looks like it goes to pin #3. However, I would like to confirm this with a wiring diagram or a picture. Can anyone find a diagram for this unit? It uses a Robertshaw Controls unit. When I called Robertshaw they said they did not have the diagram since it is an OEM part. Thermador is hopeless.
how do i open my Thermador oven (model RDFS30) Recessed Spillwell/Cooktop lid and get inside the front control/clock panel? I have cockroaches inside (I can see them inside the clock window or they come out of the controls whenever I'm using the oven (not that often). It's in excellent condition and I DO keep the range top and oven clean. I have had Terminix out here twice and they said that this is the next step.
I have a Thermador RDSS30 Oven. The Bosch Electronic Regulator Control unit (486752 - ERC)'s Display has become progressively dimmer and dimmer until now we don't see it. THis is the temp display, not the time display. I'm seeking either advice as to which component on the board needs replacing, or the schematic and parts list so I can fix it myself. I'm an electrical engineer capable of swapping out parts on a PC board. Thanks.
I have a Thermador Convection Thermal Oven, purchased in 2001 or 2002. When I push the button for Oven, Convection or Broil, the display reads 'OFF'. How do I turn the oven back on?
I have a Thermador RDFS30 S/N 37 2 07 008113200057 and the baking element will not come on. I recently replaced the element with a new one and the problem still remains. The igniters work, the broiling element works, just nothing to the bake element. Any ideas?
We have a Thermador 30" Dual-Fuel oven (Gas range/electric oven) and the display on the face of the unit does not light up - the oven will not heat, either below or the broiler, but the light in the oven comes on and the burners on the range work. The breakers were not tripped and there is no sign of corrosion on any of the elements. When we push the buttons on the front of the unit to attempt to Bake, Broil, Cancel, clock, clock, Convection there is no response where usually ther is a tone when the buttons are pushed. What repairs do you think we need done to the unit?
when I try & turn on my oven, it says "off" on any button I press. The oven lights are on & the top is working. I cannot get the oven to turn on
I have a thermador oven rdfs30wq and need help to remove the side panel. I have opened thetop of the oven and removed the 3 screws from the side wall. The side panel feels loose but still seems to be attached to the oven about half way down. Can you provide any guidance? Is there a way to get a manual online? Thanks in advance for your thoughts! David
Is the tempered glass back splash costmetic or do we have to have it. Ours shattered tonight and i am trying to figure out whether i have to replace it or if we can just take the shattered glass out and continue to use our range
My RDFS30 left front burner starts and runs well for about 7 mins, at which time the flame goes out and starter begins to spark without restarting the flame. When I turn the burner off and back on again, it will only spark, not start the flame. After about 10 min. I can restart the burner, but it will go through the same process.
Left two burners do not have gas flow and ignigator does not spark
Drip pan I would like to replace my drip pan - has anyone ever done this and how hard it is to do.  Any suggestions?
clock very dim, oven works but shuts off periodically I think when this happens, the clock resets as well.
One of the Burners does not light. The left rear burner does not work and it is not the electronic igniter as there is spark there. The burner is not getting gas. All the other burners work fine. The left front burner sparks and doesn't light. From what I have read, it's probably the potentiometer assembly (Bosch-497235) which replaces the origianl part. The part is expensive and it is recommended that a professional install it. I would like to know more details about installation, as to whether a handyman can do it. My product is the RDFS30 with the later SN. Thanks, Michael
Oven lock is engaged so door cannot be closed. clock and oven are not working and I think the problem involves the clock/clock. Any ideas??