Frigidaire Electric Range PLEF398DCE Timer Repair

What is the timer/clock part number for the Frigidaire PLEF398DCE Electric Range?

Timer part number 316418700 for Frigidaire PLEF398DCE

The PLEF398DCE Electric Range uses timer part number 316418700.

Do you have a failed Frigidaire PLEF398DCE control panel? Click here:

Request Appliance Timer Service

We can repair or replace your faulty Frigidaire PLEF398DCE timer.

PLEF398DCE are also sometimes referred to using these Alternative Names/Model numbers

Electrolux PLEF398DCE Electric Range

PLEF398DCE Schematic and Wiring Diagrams

Backguard Parts diagram
PLEF398DCE Electric Range Backguard Parts diagram
Body Parts diagram
PLEF398DCE Electric Range Body Parts diagram
Top/drawer Parts diagram
PLEF398DCE Electric Range Top/drawer Parts diagram
Door Parts diagram
PLEF398DCE Electric Range Door Parts diagram
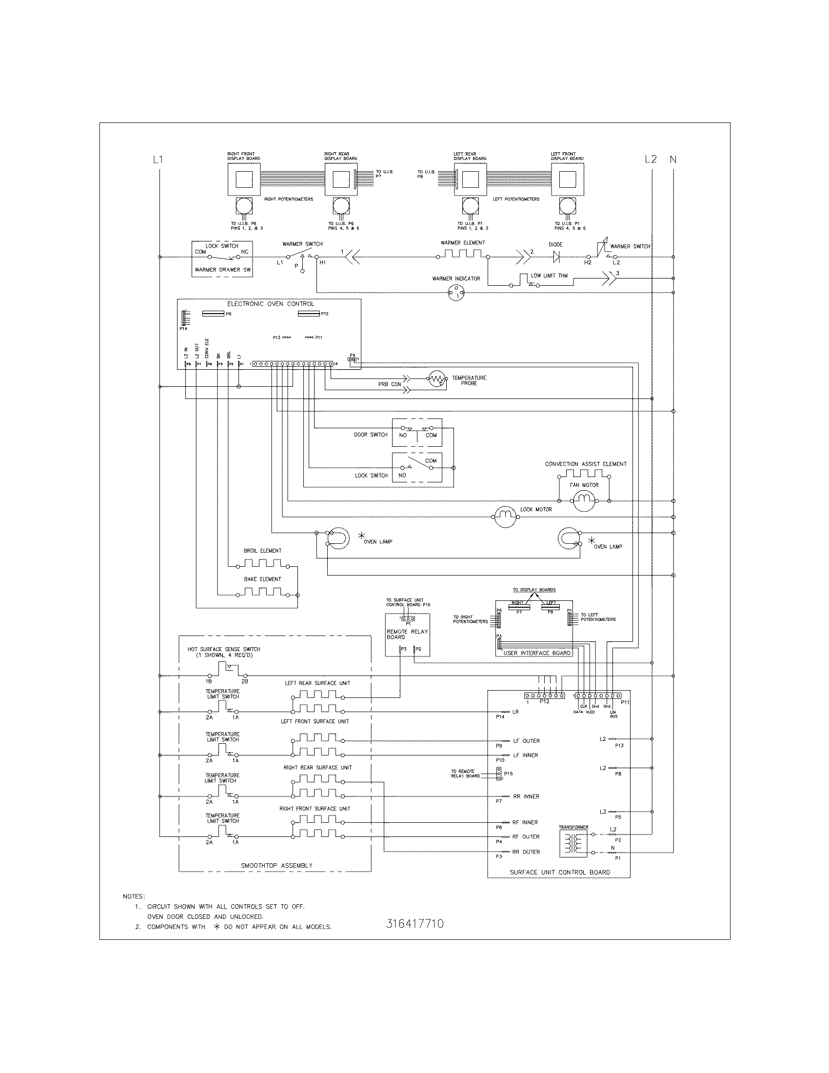
Wiring schematic Parts diagram
PLEF398DCE Electric Range Wiring schematic Parts diagram
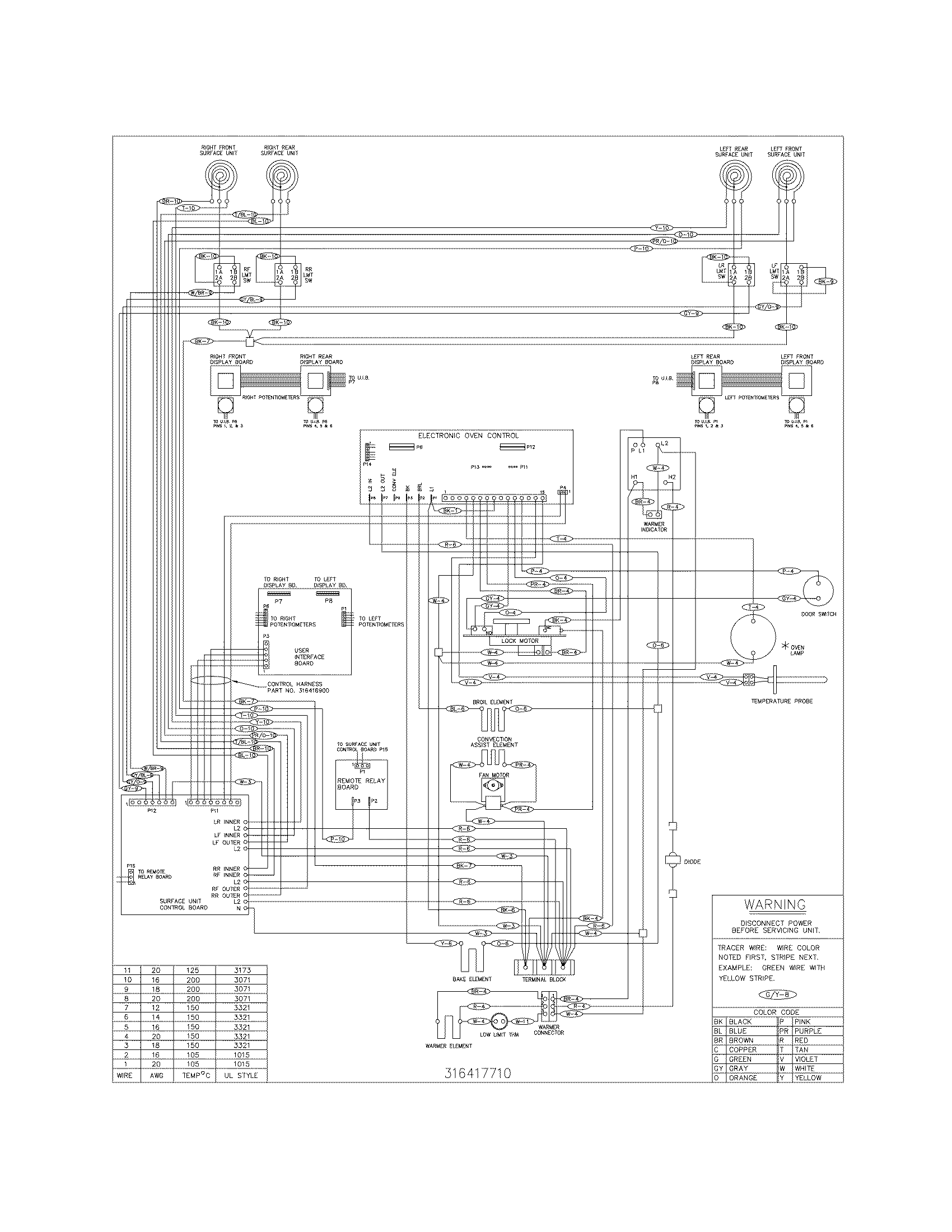
Wiring diagram Parts diagram
PLEF398DCE Electric Range Wiring diagram Parts diagram

Recent Service Requests

CityProblem DescriptionResolution
Deep River, OntarioOverheating oven with repeated F10 code. Thought it was temp sensor and ordered a new one but connectors didn’t fit so returned. When heating, oven beeps when reaching set temp so temp sensor works I but broiler top element stays on and overheats oven. Bottom element doesn’t look to come on even when on control display, it shows bottom element on when you turn on. It’s pointing to faulty control board.Repaired
Farmington, MinnesotaTimer does not give an error code but the elements do not heat. I replaced the oven element thinking that was the issue. I used a voltage meter to determine that there is voltage into the control but nothing coming outReplaced with reconditioned timer

Common problems for Frigidaire Electric Range PLEF398DCE Timer Repair

Are you encountering a similar problem as them? Contact us now and we will try to help you fix your PLEF398DCE timer-related problem.
Bake element will not heat up. Checked element and it is good. From what I have read it is most likely the control board. However they no longer make the control board. Is there anything else I should check before I run out and buy a new oven?
we have a frigidaire es510. we performed a "self-clean" and now the oven bottom element does not work....any advice/assistance greatly appreciated... the oven is almost 5 years old