What is the timer/clock part number for the Maytag MER6550BAQ Range?
The MER6550BAQ Range uses timer part number 74006214.
Do you have a failed Maytag MER6550BAQ control panel? Click here:

We can repair or replace your faulty Maytag MER6550BAQ timer.
MER6550BAQ are also sometimes referred to using these Alternative Names/Model numbers
Whirlpool MER6550BAQ Range
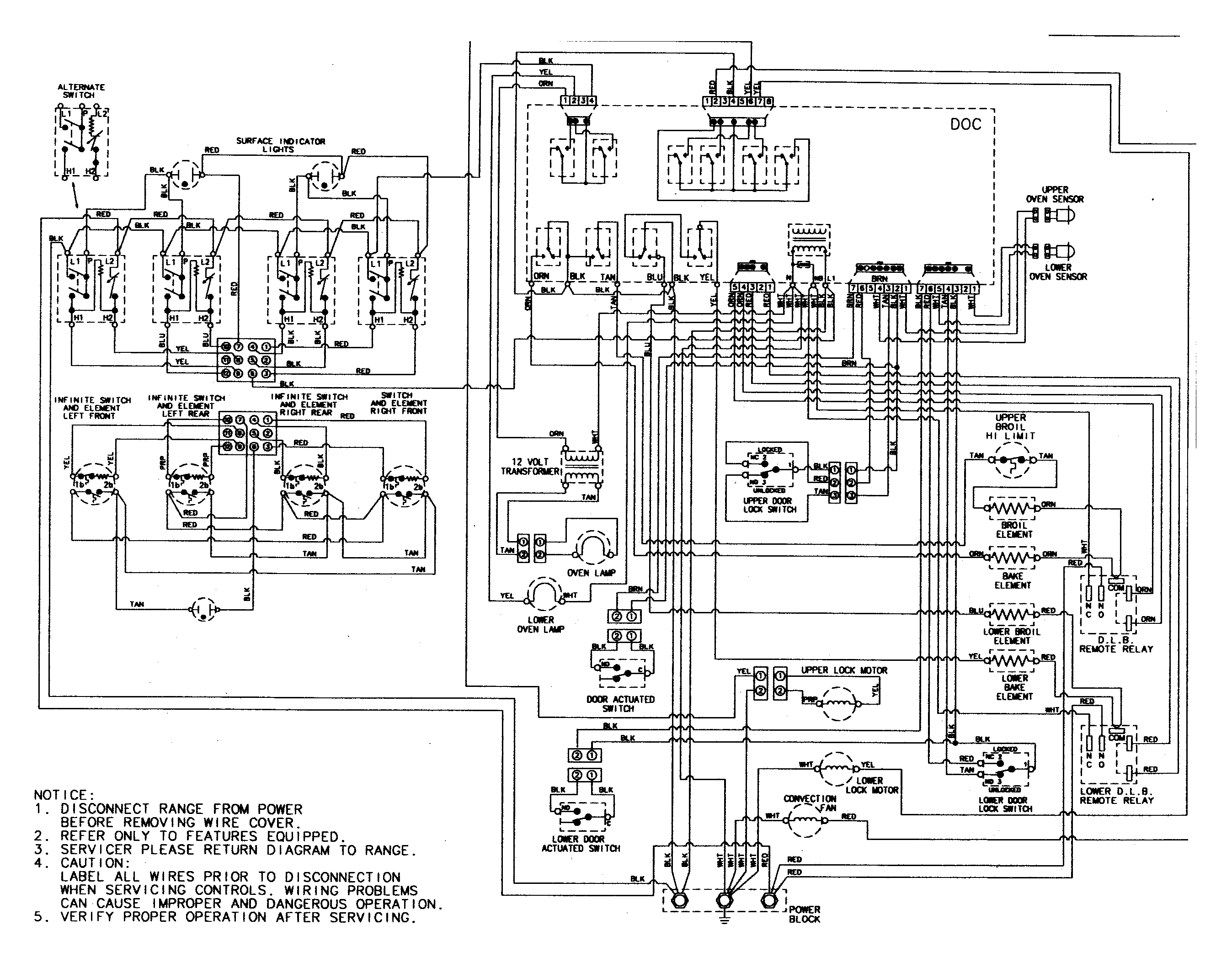
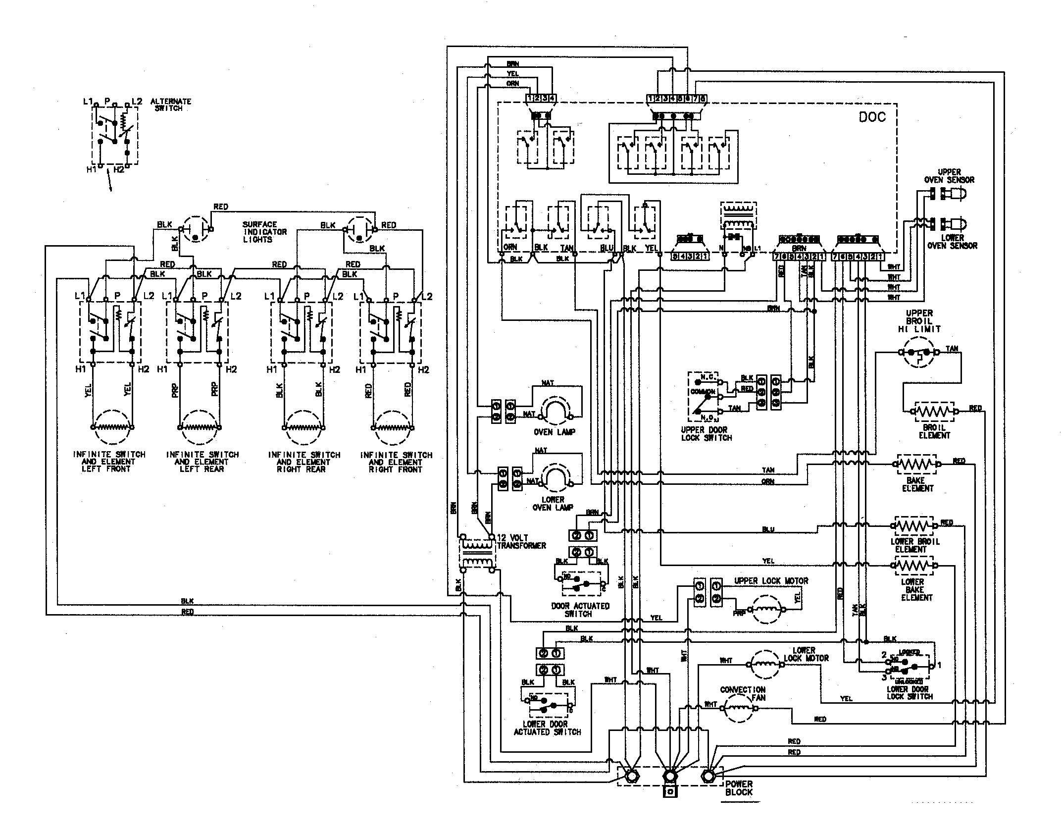
MER6550BAQ Schematic and Wiring Diagrams
| City | Problem Description | Resolution |
|---|
| Baldwin, New York | the lower oven's bottom heating element doesn't work. The top element in the lower oven works. The top oven works fine along with the stove top. I had purchased a replacement lower element and same issue, not working. i ran continuity test through both elements, they both seemed to test fine so leads me to believe issue is in the board. | Awaiting receipt of timer |
| Wolfeboro, New Hampshire | Certain functions do not respond when selected. Broil function on top oven, toast function on top oven, and clock set function do not respond when selected. Beep is not heard when the button is pressed, other functions do work.
This timer is under warranty, bought in April of this year. | Beyond Repair |