Whirlpool Direct-Drive Washer LLR9245BQ1 Timer Repair

What is the timer/clock part number for the Whirlpool LLR9245BQ1 Direct-Drive Washer?

Timer part number 394225 for Whirlpool LLR9245BQ1

The LLR9245BQ1 Direct-Drive Washer uses timer part number 394225.

Do you have a failed Whirlpool LLR9245BQ1 control panel? Click here:

Request Appliance Timer Service

We can repair or replace your faulty Whirlpool LLR9245BQ1 timer.

LLR9245BQ1 Schematic and Wiring Diagrams

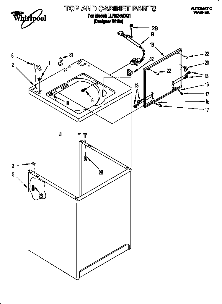
Top and cabinet Parts diagram
LLR9245BQ1 Direct-Drive Washer Top and cabinet Parts diagram
Controls and rear panel Parts diagram
LLR9245BQ1 Direct-Drive Washer Controls and rear panel Parts diagram
Agitator, basket and tub Parts diagram
LLR9245BQ1 Direct-Drive Washer Agitator, basket and tub Parts diagram
Brake, clutch, gearcase, motor and pump Parts diagram
LLR9245BQ1 Direct-Drive Washer Brake, clutch, gearcase, motor and pump Parts diagram
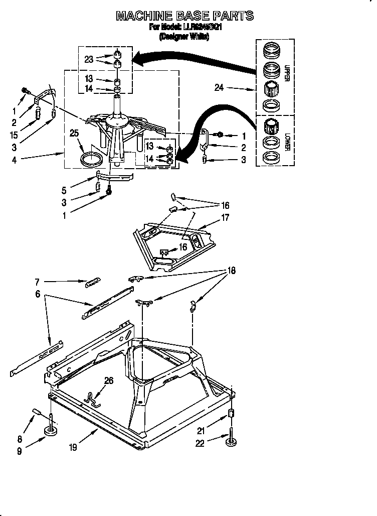
Machine base Parts diagram
LLR9245BQ1 Direct-Drive Washer Machine base Parts diagram
Wiring harness Parts diagram
LLR9245BQ1 Direct-Drive Washer Wiring harness Parts diagram
Brake and drive tube Parts diagram
LLR9245BQ1 Direct-Drive Washer Brake and drive tube Parts diagram
Gearcase Parts diagram
LLR9245BQ1 Direct-Drive Washer Gearcase Parts diagram
Water system Parts diagram
LLR9245BQ1 Direct-Drive Washer Water system Parts diagram

Recent Service Requests

CityProblem DescriptionResolution
Norwalk, Ohiotimer does not advanceAwaiting receipt of timer
Jacksonville, FloridaWash cycles work, will not transition to drain and spin cycles. Occasionally will drain/spin on permanent press cycle after multiple attempts.Repaired
Jacksonville, FloridaWash cycles do not work. Drain, spin and rinse cycles intermittently work after cycling the timer many times.Repaired
Jacksonville, FloridaWash cycles work, will not transition to drain and spin cycles. Occasionally will drain/spin on permanent press cycle after multiple attempts.Repaired
Jacksonville, FloridaWash cycles do not work. Drain, spin and rinse cycles intermittently work after cycling the timer many times.Repaired
Ferdinand, IndianaTimer works fine in "Normal" cycle. Works partially in "Perm. Press" cycle (does not drain or spin). Does not work at all in "Handwashable" cycle.Repaired
St. Simons Island, GeorgiaThe timer knob is spinning freely clockwise and counterclockwise. It does not engage when the knob pushed down. It does move up and down correctly locking into the timer mode (down) or wash mode (up). The knob is still connected to the small metal rod on the flip side as it does turn with the knob. I was able to clasp the rod with needle nose pliers and unscrew the timer knob and remove the dial.Repaired
Concord, Massachusettscycle stops in middle of rinse cycle, can get cycle to continue by shutting off and then on and then shifting the knob to a forward position closer to the Rinse marking. It will then agitate and purge the water, but will not spin. Have to repeat the process for getting it to spin.Awaiting receipt of timer
Lebanon, ConnecticutFailure to progress cycles. Works if microbial manuallyAwaiting receipt of timer
Norwalk, OhioTimer does not allow spinoutRepaired
Wilmington, North CarolinaTimer will not advance. Motor not working.Awaiting receipt of timer
Wilmington, North CarolinaSelector knob won't turnAwaiting receipt of timer
Plymouth, MichiganAgitator Cycle not working. Upon inspection of timer control points @ Agitator Cycle points, discovered that all 4 points on that cycle appear to be arcing out. Upon asking qualified appliance repairmain where I work, in addition to contacting your company, I'm told that the contact points will have to be replaced due to wear from the arcing out condition. Hopefully you can repair the timer because the washing machine, though 18 years old is in good condition, and I'm the first owner of it. The mailing address is the local FEDEX office by my house as they will hold the package for me, as there isnt always some avalibe at home to sign for it. Thank you for your assistance, and hope to hear from you soon.Repaired
king of prussia, Pennsylvaniacontacts are burnedAwaiting receipt of timer

Common problems for Whirlpool Direct-Drive Washer LLR9245BQ1 Timer Repair

Are you encountering a similar problem as them? Contact us now and we will try to help you fix your LLR9245BQ1 timer-related problem.
Whirlpool washer that has a good direct drive but still won't spin or agitate. Would this possibly be a clutch problem?
#1 (permalink) Yesterday, 04:16 PM beekins Junior Member Join Date: Apr 2011 Posts: 2 beekins Model Number: LLR8245D Brand: Whirlpool Age: 5 - 10 years There was a spin problem, replaced the coupler and dogs did a test, agitate was good, went into spin cycle and loud hum from motor as overload, unplugged and checked work that was done, looked ok, removed agitator and basket, removed tranny, sprayed WD 40 0n brake shoes and reassembled. Did Test, agitate was good, spin was good until end of cycle, as the basket was slowing down there was a loud clanking noise. With the clock in the off position, I turned the basket by hand, and I head the same metal clank sound 2 x in a complete revolution. When I pull up on the basket there is about a fourth to a half inch play. What could it be?? Related Models Whirlpool LLR8245DQ0 Whirlpool LLR8245DZ0 Whirlpool LLR9245AQ0 Whirlpool LLR9245BQ0 Whirlpool LLR9245BQ1 Whirlpool LLR9245DQ0 Whirlpool LLR9245DZ0 Whirlpool LLT7144AN0 Whirlpool LLT7144AQ0 Whir
There was a spin problem, replaced the coupler and dogs did a test, agitate was good, went into spin cycle and loud hum from motor as overload, unplugged and checked work that was done, looked ok, removed agitator and basket, removed tranny, sprayed WD 40 0n brake shoes and reassembled. Did Test, agitate was good, spin was good until end of cycle, as the basket was slowing down there was a loud clanking noise. With the clock in the off position, I turned the basket by hand, and I head the same metal clank sound 2 x in a complete revolution. When I pull up on the basket there is about a fourth to a half inch play. What could it be??
We're trying to replace the clock, we've removed the knob but, we are unable to remove the dial clock to replace with new part. Can anyone help me? PLEASE this is getting very frustrating
Symptoms: - Does not spin up to speed ( only about 60% ). However a light load done first might spin full speed. - Tub seems to drain a bit slower than usual. - After drain out and spin, ( even if you get a full speed spin) there will be about an inch of water left in the tub. Clothes at the top of the tub will be spun dry but the lower garments will be soggy. The clock is new and the cycling seems ok. Symptoms react the same in any wash cycle. Pump is clear of obstructions. No visible evidence of motor coupler degeneration,( Black dust on the floor ). Did notice a 2 inch round moist oil spot on the floor when I moved the machine. What do you think? ... A bad clutch?... Worn out motor?... Worn out gearbox slowing the motor? Any and all input will be greatly appreciated.
WHat is the capacity of the Whirlpool LLR9245BQ1 top load washer?
Whirlpool washer shuts off during cycle Whirlpool model# LLR9245BQ1 shuts off during wash or rinse cyle. This does not happen every time and may stop in any position during the cycle. Sometimes can move the clock dial a notch and it will restart. Other times it will not sart in any clock dial position. Will usually resart after waiting 10 - 15 muntes and pushing in timing dial knob again.
how old is this washer ? ce2148282m/n llr9245bq1
my problem is my washer will go thru the first cycle and will stop at rinse i thought the clock might be bad and replaced that today i stop at rinse anyone have a clue for tucker
My adgitator is slipping, I think a gear must be broken. the model # is LLR9245BQ1 the serial #CE0910788. My problem is i can't figure out how to get the adgitaton off....Can you help me?
leveling my washer LLR9245Bq1 how do I leveling my washer LLR9245Bq1
Recently, my Whirlpool 8 cycle/2 speed washing machine is leaving me with a gallon or more of water in the bottom, leaving my clothes soaking wet! I noticed it rinses and drains perfectly fine on the 1st rinse/spin cycle, but the final cycle is where it is not completely draining. What is causing this? What part would I need replaced as we would like to fix it ourselves.
this washer just stopped working, i checked for power and there is no power at the clock control? is this possible the problem?
I have a whirlpool washer model number LLR9245BQ1, It stops between cycles and will not continue unless you manually move the dial to the next cycle. Would this be a clock issue or a different problem
I have a top loader model# XXXXX the agitator is slipping, it wants to work if I put down presure on it. Is it possible for me to dissasemble the agitator to check for worn out parts? I can't find my owners manual to see a schematic.
I have an older Whirlpool washer, model #LLR9245BQ1, and it just began making a loud noise when it finishes filling with water, and will not agitate or spin. It does drain, and go through the entire cycle, but no drum or agitator movement and a loud knocking/clicking noise. What could the problem be, and are parts available easily for this model?
I have a whirlpool washing machine model LLR9245BQ1 that is leaking oil onto the floor. If you look at the washing machine where the electric motor is on the left I see some black rubber on the floor then to the right is where the oil is on the floor. Enough oil has come out that it has left a oil trial about 2" wide and about 6" out behind the washer. I know the black rubber is coming from the rubber connector between the motor and the transmission ( replaced this part 2 years ago) When I looked at the transmission the oil was coming down from the left side where the motor hooks into the coupling, into the transmission. My wife says the washer is leaving excess water in the clothes after the spin cycle. RepairClinic.com has transmissions for about $185. 1.) is their a fix without buying trany? 2.)is it a DYI 3.)should I just buy new? 4.) washer came with house how do I tell age to see if better to replace. Thanks
I have an Whirlpool Washer Model LLR9245BQ1. The Clothes Mover Agitator, is not moving when I have a load of clothes in the washer. What could be wrong/broken with it?
Whirlpool top load washer. Water fills up and starts discharging before it is filled up. Recently moved it and now it seems as though it is stuck on extra small cycle. We did a load in extra small cycle and it works fine---we were hoping it was going to recalibrate--it did not. Please help
I have a whirlpool washer Model LLR9245BQ1 serial # XXXXX and need a part. My washer does not spin it does drain. Can you assist me in finding part. My son is a plumber so that would be no problem
My Whirlpool washer model #LLR9245BQ1 (top loading) will not drain and stopped in mid cycle, leaving the clothes sitting in a pool of water within it. I believe the motor may have stopped working properly, but either way is can someone please advise how I am able to drain the water so I could even begin to repair the motor? Thanks in advance!