General Electric Gas Range JGBP35WEW1WW Timer Repair

What is the timer/clock part number for the General Electric JGBP35WEW1WW Gas Range?

Timer part number 191D1001P005 for General Electric JGBP35WEW1WW

The JGBP35WEW1WW Gas Range uses timer part number 191D1001P005.

Do you have a failed General Electric JGBP35WEW1WW control panel? Click here:

Request Appliance Timer Service

We can repair or replace your faulty General Electric JGBP35WEW1WW timer.

JGBP35WEW1WW are also sometimes referred to using these Alternative Names/Model numbers

GE JGBP35WEW1WW Gas Range

JGBP35WEW1WW Schematic and Wiring Diagrams

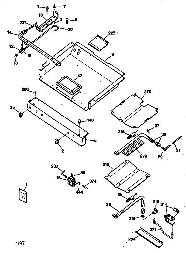
Gas burner Parts diagram
JGBP35WEW1WW Gas Range Gas burner Parts diagram
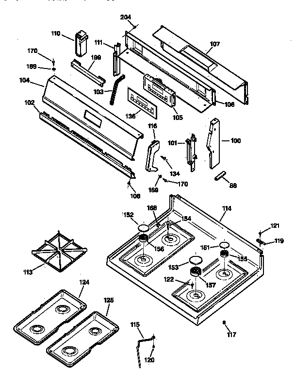
Cooktop Parts diagram
JGBP35WEW1WW Gas Range Cooktop Parts diagram
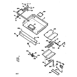
Body Parts diagram
JGBP35WEW1WW Gas Range Body Parts diagram
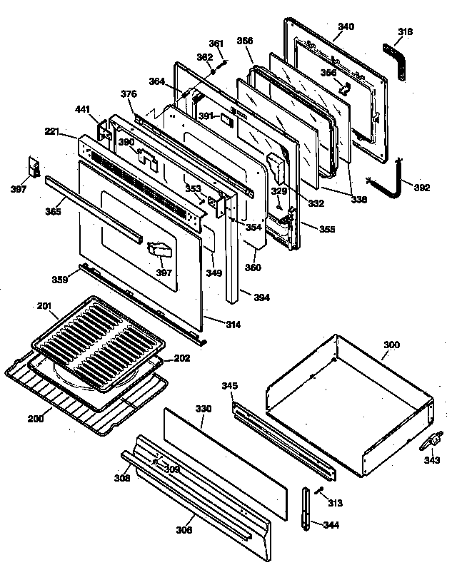
Door & drawer Parts diagram
JGBP35WEW1WW Gas Range Door & drawer Parts diagram

Recent Service Requests

CityProblem DescriptionResolution
Cranbrook, British ColumbiaThere is no power to our current timer. If possible, I'd like to order a reconditioned one rather than waiting to have our sent in and back.Repaired
Seeley's bay, OntarioHad a hydro service problem and now the board does not power on.Awaiting receipt of timer
Grunthal, ManitobaGets up to temperature and sometimes produces an error code with beep and stops heating. Sometimes the oven just turns off and does not display an error code or beep. We have been unable to reliably reproduce error codes.Repaired
Phoenix, ArizonaGas oven powers up fine, temperature sensor measures approximately 1100 ohms at connector. Board powers up and all the 'Time' functions work (Display, Timer, Clock, Stop Time, Cook Time. When the Broil, Bake or Self-Clean buttons are pressed, an 'F3' error code is displayed and beeps continuously.Awaiting receipt of timer
Nashua, New HampshirePowers up fine, temperature sensor measures approximately 1100 ohms at connector. Board powers up and timer, display etc work. When broil, bake or clean buttons are pressed an F3 error is displayed and beeps continuously.Repaired
Edmonton, AlbertaTimer failed overnight while not in use. Led display is blank. Controls do not function. Burner igniters are working.Repaired
cincinnati, OhioNo readout at all, no oven function, clock etc. Stove top burners are completely functionalRepaired
Issaquah, WashingtonGE answer line said I need new Timer ERC2. Screen is totally dark and oven not working. No circuit breaker problem. Part is discontinued.Repaired
Chappaqua, New YorkTimer does not light up. Oven etc does not work.Repaired
Chappaqua, New YorkTimer does not light up, Oven etc. does not work.Repaired

Common problems for General Electric Gas Range JGBP35WEW1WW Timer Repair

Are you encountering a similar problem as them? Contact us now and we will try to help you fix your JGBP35WEW1WW timer-related problem.
How do I lift the top of my 1996 xl44 oven? I cleaned the oven top a few days ago and cannot get the burners to light. When I turn the knob(s), can hear the clicking noise but no ignition. When I turn the knob all the way to low flame, I can light the gas and it stays lit. As soon as I turn up the flame, it goes out. Think there is cleaner clogging up something but I don't know how to lift the top of the oven to get at it. (Gas is making it through to all 4 burners; oven is fine).
JGBP35WEW1WW GE XL44 Oven Doesn't light, while broiler works
I have a GE Gas oven model number JGBP35WEW1WW that will not bake. I believe the igniter is out and have a replacement. It seems i need to remove the burner tube in order to gain access to the screws that hold the igniter in place. My question is.....how does the burner tube attach into the safety valve system?? Does it just slip together or what? Do I need to look out for anything when I remove/replace the burner?
I have a XL44 GE propane oven. The model number is XXXXX When I set the oven for 400 degrees and bake, it ignites and the temperature immeditally drops to 100 degrees on the display. Thats all the hotter it will get no matter how long it is on. TI can see flame in the oven, but only 100 degrees of heat.
how to install wb2x9154 in a GE 44xl
I have a ge xl 44 Model# XXXXX that the oven does not work . It goes to 100 and stays there not lighting up it has these contols clear clock clock stop cook auto broil bake I can't figure out how to run a diag.
Oven was manufactured in 1996. Used yesterday no problems. Today the oven will not heat up. The broiler and top burners all work fine. Ignighter glows red hot and broiler flame kicks on when on broil. 1) I cant find a schemadic for this oven 2) not sure where or how to test using a multi meter Although i've searched the net for 30 minutes without finding a solution, any help would be much appreciated. John
I have the replacement part for the touchpad overlay for Ge Spectra XL44 range (#WB27K100011) however it did not come with instructions on how to replace. Any help would be greatly appreciated.
I got an F-1 error on my GE gas oven. I called GE, and they said the control panel is out. I ordered (from here) the new control panel (WB27T10083) - which is a replacement part number for a discontinued control panel. I removed the old control panel, but the new control panel didn't fit into the housing. I found out there is another piece (an additional $60) that I needed to buy - an Overlay (WB7K260). Is there anything else I need? Is it fairly straight-forward on putting this all together? I have the control panel (WB27T10083) wired up, and I presume the overlay will just snap right into place? Any "gotchas" I need to look out for? Oswald