General Electric Gas Range JGBP34GEP2AD Timer Repair

What is the timer/clock part number for the General Electric JGBP34GEP2AD Gas Range?

Timer part number WB27T10083 for General Electric JGBP34GEP2AD

The JGBP34GEP2AD Gas Range uses timer part number WB27T10083.

Do you have a failed General Electric JGBP34GEP2AD control panel? Click here:

Request Appliance Timer Service

We can repair or replace your faulty General Electric JGBP34GEP2AD timer.

JGBP34GEP2AD are also sometimes referred to using these Alternative Names/Model numbers

GE JGBP34GEP2AD Gas Range, JGBP34GEP2

JGBP34GEP2AD Schematic and Wiring Diagrams

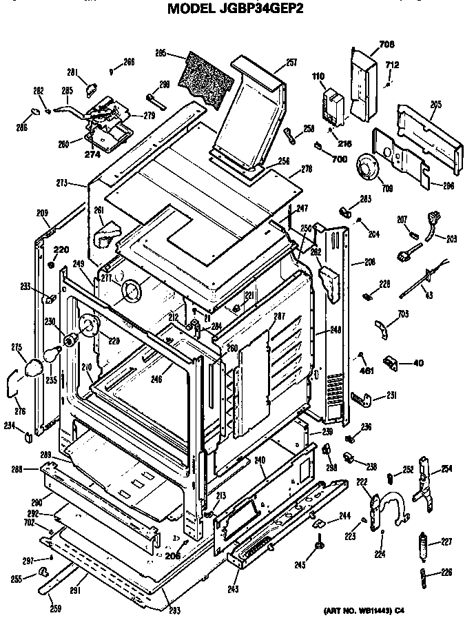
Main body Parts diagram
JGBP34GEP2AD Gas Range Main body Parts diagram
Door and broiler assembly Parts diagram
JGBP34GEP2AD Gas Range Door and broiler assembly Parts diagram
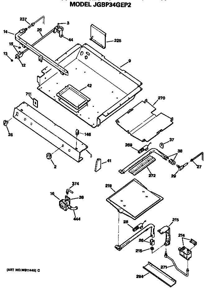
Burner assembly Parts diagram
JGBP34GEP2AD Gas Range Burner assembly Parts diagram
Cooktop and backsplash Parts diagram
JGBP34GEP2AD Gas Range Cooktop and backsplash Parts diagram

Recent Service Requests

CityProblem DescriptionResolution
Pasadena, CaliforniaOven will not accept any input. Only gives F3 error and beeps until the off button is pressed. I tested the thermostat and it tested OK.Beyond Repair
Malden, MassachusettsOne morning I looked at the timer and the screen was completely blank. Later that day I heard some clicking noise coming from the stove and shut off the power.Awaiting receipt of timer
Martinsburg, West VirginiaStarts but bake or broil goes off. After pushing several times, get F1 code. Turned power off to stove for a minute and get F1 codeAwaiting receipt of timer
Red Lion, PennsylvaniaA tree fell on power lines. Power blinked on and off three times then stayed off for approx. 15 minutes. When power came back on, timer wouldn't workRepaired
Camp Hill, PennsylvaniaRepaired
Bloomington, IllinoisTAKES MULTPLE TRIES TO GET OVEN TO LIGHT.
CAN HEAR RELY CLICK WHEN IT DOES.
DISPLAY IS DIM
Repaired
WALLINGTON, New JerseyF 1 KEEPS COMING UPAwaiting receipt of timer
shoreline, WashingtonWILL NOT REGULATE OVEN TEMPRepaired
shoreline, Washingtonoven will start to heat then stop at less than 150 even though its set at 350.
broiler work's fine though
Repaired
Fallbrook, CaliforniaOven does not heat to indicated temperature..Repaired
Hinckley, OhioThis replacement timer has been working fine since replaced 3 years ago. Overnight it just went dark and no sound or buttons work.

Still have original timer, put it in place and time and range functions work. Not using original Eaton timer because unable to keep correct oven temp, caps leaking, and display is dim.
Repaired

Common problems for General Electric Gas Range JGBP34GEP2AD Timer Repair

Are you encountering a similar problem as them? Contact us now and we will try to help you fix your JGBP34GEP2AD timer-related problem.
GE XL44 oven, Mod JGBP34GEP2AD: actual oven temp runs 50-70deg cooler than setting on electronic control. Consistent thru most temp settings. Replace sensor or main controller?
we have a GE XL44 GAS MODEL # XXXXX OVEN THERMOSTAT IS SET ON 375 DEGREES BUT ACTUAL INTERIOR TEMPERATURE IS BARELY READING 250 DEGREES....PLEASE ADVISE
My oven will not ignite if I set the temp @ 350 but it will ignite if i set the temp @ 530. I tested the sensor and it read 1106 ohms so I think the sensor is ok.