Whirlpool Gas Range GW395LEGZ0 Timer Repair

What is the timer/clock part number for the Whirlpool GW395LEGZ0 Gas Range?

Timer part number 9753009 for Whirlpool GW395LEGZ0

The GW395LEGZ0 Gas Range uses timer part number 9753009.

Do you have a failed Whirlpool GW395LEGZ0 control panel? Click here:

Request Appliance Timer Service

We can repair or replace your faulty Whirlpool GW395LEGZ0 timer.

GW395LEGZ0 Schematic and Wiring Diagrams

Cooktop Parts diagram
GW395LEGZ0 Gas Range Cooktop Parts diagram
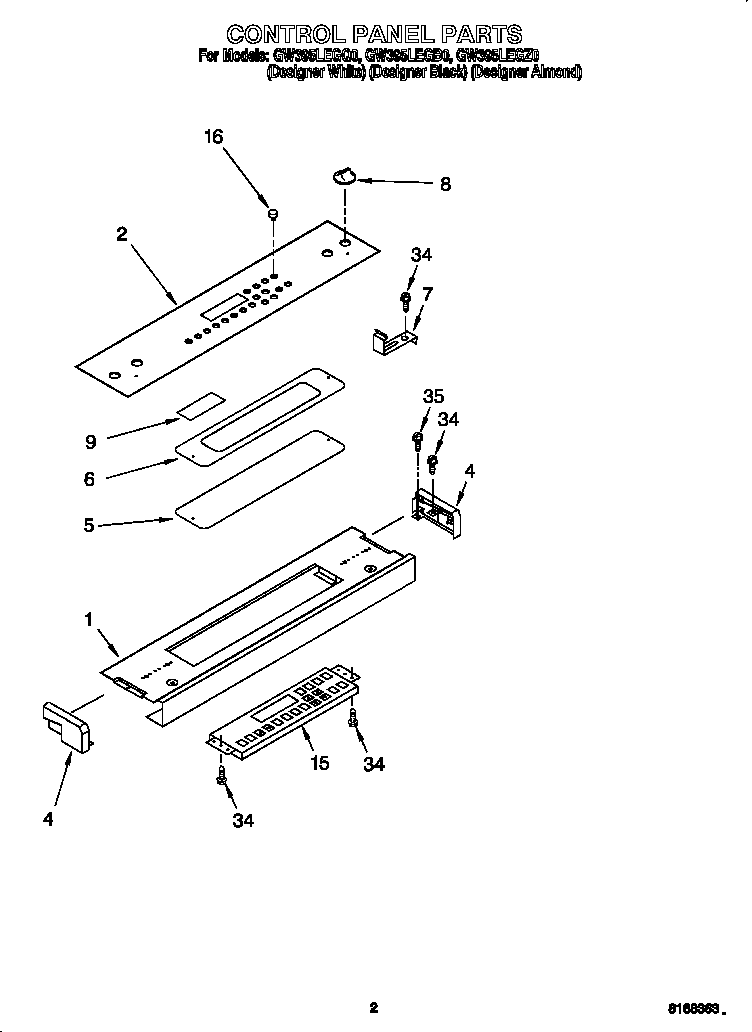
Control panel Parts diagram
GW395LEGZ0 Gas Range Control panel Parts diagram
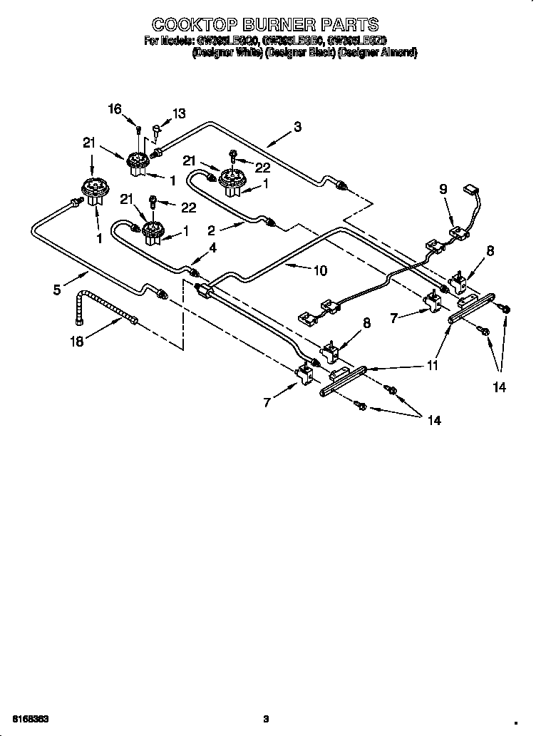
Cooktop burners Parts diagram
GW395LEGZ0 Gas Range Cooktop burners Parts diagram
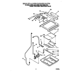
Broiler and oven burners Parts diagram
GW395LEGZ0 Gas Range Broiler and oven burners Parts diagram
Door and drawer Parts diagram
GW395LEGZ0 Gas Range Door and drawer Parts diagram
Oven chassis Parts diagram
GW395LEGZ0 Gas Range Oven chassis Parts diagram
Rear chassis Parts diagram
GW395LEGZ0 Gas Range Rear chassis Parts diagram

Recent Service Requests

CityProblem DescriptionResolution
Stevensville, MarylandI called earlier today to check on inventory, and was told part is in stock.Repaired
Centreville, VirginiaThe oven does not work because the range control does not work. The stovetop controls do work on the unit.Repaired
Stevensville, Maryland(E3) -F1- Failure code:
E3 in orange, F1 in green.... F1 should be the error code.
Failure code condition check/repair instructed to "disconnect for 30 seconds - if dfisplay reappears - replace control board / A to D failure

The display reappeared.
Repaired
GIBSONBURG, OhioUNIT IS DEAD. HAS POWER TO IT POSSIBLE LOW VOLTAGE XSFRMRRepaired

Common problems for Whirlpool Gas Range GW395LEGZ0 Timer Repair

Are you encountering a similar problem as them? Contact us now and we will try to help you fix your GW395LEGZ0 timer-related problem.
I hope someone can help with this problem. This is a Whirlpool Calypso. Has not given any problem until this week. The problem occurs towards the end of the wash cycle and most of the way through the rinse cycle. It sounds like it stalls for about a 1/2 second. It will restart and try again tor about 2-3 seconds then repeats the cycle of stalling for about 1/2 second. It sounds like the motor is trying to start and can't. The lights on the console never go out when this happens, and no fault codes appear on the display, but the time displayed slows to a crawl (if it shows 22 minutes it might take 40 minutes to run the cycle). If the machine is left alone it will eventually finish the complete cycle most of the time. I had a normal wash cycle start with 43 minutes on the clock and it actually took 1 hour and 15 minutes to complete. I have downloaded the service manual and attempted to run the manual diagnostics, but do not understand what the manual means by "Key Dance key press #1 etc.
My problem is.. the washer display reads 7 and extended spin is lit up and the soft signal is lit up and that is all it will do, no buttons will respond. I think I replaced the motor control board a year or two ago. It worked fine up till now.
just install a new control but the #43 keeps popping up on control panel- washer will complete all cycles but will beep anytime after stopping- any solutions
I have GVW9959KQ2. When I plaug it in electricity no respond in control panel. Normally when it was working, when I pushed normal key, it would show 34 minutes in clock window, but no no respond when I push normal or any other bottom on toch pad. I was able to get a respond when I pushed clear/stop number 7 aperas on clock screen and it does not do anything else. I tried to fixed it , and when I opend the bacck of control panel I saw two computer board, One is motor board and one is system control board. I figured the motor was workiong fine si I went ahead and changed system control board, It responded. When I pluged it. and I pushed normal key it gave me 34 minutes in the clock widow and worked fine then after one wash even when load was removed from machine keep beeping and again was not responding I spend $159.00 pluse tax for one wash. Please help me out what is the problem I am affraid to change the other board and wont work again?
Original problem was that the dishwasher was stuck in the wash cycle and would not shut off; replaced the clock control panel part #9744031. After replacing the part, the dishwasher will fill, motor runs for seconds, will not wash or drain. Through each cycle, the motor will kick in for a few seconds and then shut off. I did not have this kind of problem before so I'm wondering if the part I received could be bad or what else I could look into.
All controls work, all the lights come on, no codes, fills with water but the washer works only in spurts. It may go through once or twice and stop working in any part of the cycle. Most of the time the clock stops at a certain time and will not advance beyond that. It tries to spin and stops, it tries to drain and stops, it tries to wash and stops. No consistency! The pumps seem to be working fine and the drive motor appears to be working as well. HELP! Feels like this must be an electronic problem or are we missing something else?
I have a whirlpool Calypso washer that when I attempt to start wash the time will come on but I can not get it to start filling. I was able to do the soak-soil level-soak-soil level diagnostic test once. Afetr that it worked for one cycle. Now i cant get it to work again and i am unable to get the diagnostic test to work again. Any suggestions what it may be?
i just replace the motor & pump i turn it on the water fill up then wait for the motor to on then heard a click waited to see it start nothing then i push cancel/ drain then motor started ran for 10 second then stop i replace because the other one was leaking & the motor burnt out it started to smoke