Whirlpool Gas Range GW395LEGQ0 Timer Repair

What is the timer/clock part number for the Whirlpool GW395LEGQ0 Gas Range?

Timer part number 9753009 for Whirlpool GW395LEGQ0

The GW395LEGQ0 Gas Range uses timer part number 9753009.

Do you have a failed Whirlpool GW395LEGQ0 control panel? Click here:

Request Appliance Timer Service

We can repair or replace your faulty Whirlpool GW395LEGQ0 timer.

GW395LEGQ0 Schematic and Wiring Diagrams

Cooktop Parts diagram
GW395LEGQ0 Gas Range Cooktop Parts diagram
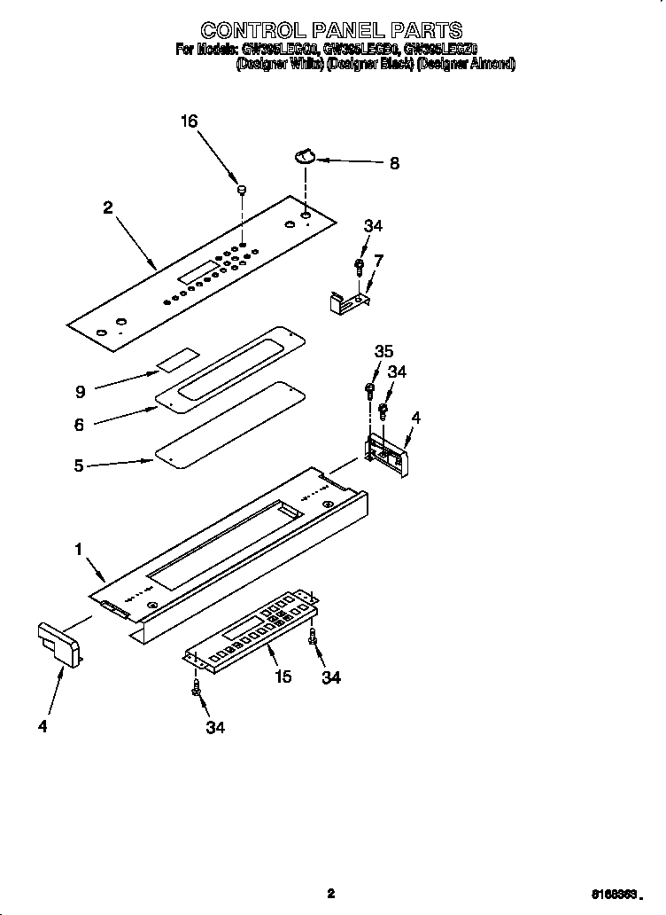
Control panel Parts diagram
GW395LEGQ0 Gas Range Control panel Parts diagram
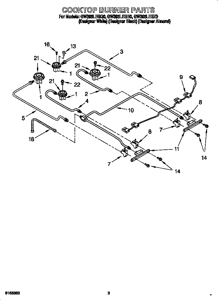
Cooktop burners Parts diagram
GW395LEGQ0 Gas Range Cooktop burners Parts diagram
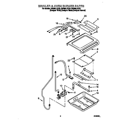
Broiler and oven burners Parts diagram
GW395LEGQ0 Gas Range Broiler and oven burners Parts diagram
Door and drawer Parts diagram
GW395LEGQ0 Gas Range Door and drawer Parts diagram
Oven chassis Parts diagram
GW395LEGQ0 Gas Range Oven chassis Parts diagram
Rear chassis Parts diagram
GW395LEGQ0 Gas Range Rear chassis Parts diagram

Recent Service Requests

CityProblem DescriptionResolution
Burnaby, British Columbiapanel displays 'LOC', unable to use the oven. Clock seems to be ok.Timer inspected, no repairs necessary
Davie, FloridaNo power on timer at all.Repaired
DeLand, FloridaFound dead bug inside unit, electronic components look burned.Beyond Repair

Common problems for Whirlpool Gas Range GW395LEGQ0 Timer Repair

Are you encountering a similar problem as them? Contact us now and we will try to help you fix your GW395LEGQ0 timer-related problem.
model GW395LEGQ0 serial IMI0351845 Whirlpool gas oven door lock solenoiod engaged vibrating, no power; happened overnight while no in use. Thank you
Dear Expert, I am having an issue with the oven portion of my Whirlpool Gold Slide-In oven (Model#GW395LEGQ0). When I turn on the oven, the heating element on the bottom turns on but the oven does not release the gas to ignite. I just replace the valve and regulator. If I tap on the back of the oven near the valve and regulator the oven will turn on (Gas is released to ignite). I have a feeling I may have replaced the valve and regulator ($150) for no reason. Would you have any other suggestions as to why the oven may not ignite (turn on)?