Frigidaire Washer FWT445GES1 Timer Repair

What is the timer/clock part number for the Frigidaire FWT445GES1 Washer?

Timer part number 131272500 for Frigidaire FWT445GES1

The FWT445GES1 Washer uses timer part number 131272500.

Do you have a failed Frigidaire FWT445GES1 control panel? Click here:

Request Appliance Timer Service

We can repair or replace your faulty Frigidaire FWT445GES1 timer.

FWT445GES1 are also sometimes referred to using these Alternative Names/Model numbers

Electrolux FWT445GES1 Washer

FWT445GES1 Schematic and Wiring Diagrams

Cover Parts diagram
FWT445GES1 Washer Cover Parts diagram
Control panel Parts diagram
FWT445GES1 Washer Control panel Parts diagram
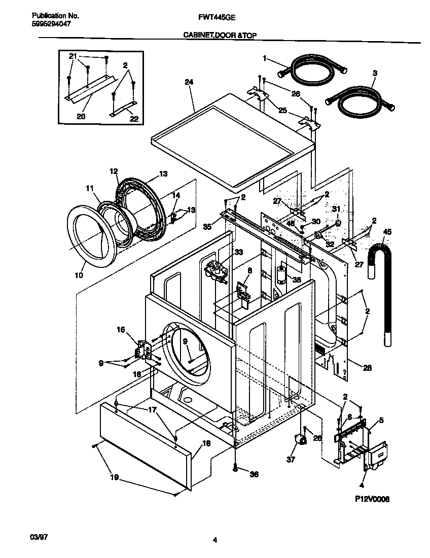
Cabinet, door & top Parts diagram
FWT445GES1 Washer Cabinet, door & top Parts diagram
Tub & motor Parts diagram
FWT445GES1 Washer Tub & motor Parts diagram
Parts diagram
FWT445GES1 Washer Parts diagram

Recent Service Requests

CityProblem DescriptionResolution
Yreka, CaliforniaTimer doesn't advance automatically.Awaiting receipt of timer
Duluth, MinnesotaMotor would not spin or tumble.Awaiting receipt of timer
Duluth, MinnesotaNo power to spin/tumble motorAwaiting receipt of timer

Common problems for Frigidaire Washer FWT445GES1 Timer Repair

Are you encountering a similar problem as them? Contact us now and we will try to help you fix your FWT445GES1 timer-related problem.
on any of the four cycles the washer will not fill up with water and wash but when you turn it to the rinse or spin cycle it will work fine what could be the problem?
My Frigidaire Gallery frontloading washer has stopped washing/agitating. It fills with water then sits quietly, though I can hear the clock cycling. After some time it will drain, refill and sit again. Eventually it will spin and rinse. I have replaced the clock, and it seems to drain okay, although the purging is pretty loud. The discharge strength seems normal into the drain. It acts the same in regular,permanent press, and delicate settings.
I have a front load washer, and right now it has water in it, and it won't do anything. When I checked on the problem, this is what I discovered. The door lock light turns on when it is in a cycle, but doesn't do anything. No spinning, draining, or filling. Other than that, if the clock is in the off position, the light turns off. I think this might be the lid switch, does anyone else have any ideas?
FWT445GES1 Washer makes loud banging noises like it's going to explode. My Frigidaire model FWT445GES1, was making noses like the drum was coming off. it nocking and is loss when you grab it. How do I fix this? thanks My Frigidaire Gallery FWT445GES1 Washer is not working properly. It makes a really loud knocking sound as if the belt is broken or something. I think my dryer Frigidaire Gallery 417.59012890 also needs to be serviced. Zippers and sweatshirt strings constantly get stuck in the drum as it spins and I've even had beautiful shirts get completely destroyed in the dryer by getting stuck between the spinning drum and the stationery part of the machine. The most important issue is my washer. I haven't been able to use it in over a month. Any help? Local to Worcester, MA
Working on my belt-driven Frigidaire. Problem: When it reaches the spin cycle the motor engages, the water drains, but the basket does not spin. The motor turns on and spins on the belt, but the belt does not move, creating a burning smell. Troubleshooting I have done: The agitator agitates during wash cycle, the belt does not burn, movement seems fine. While machine is off, the basket can be turned by hand, in one direction only. The Transmission pulley also turns by hand, in one direction only, and does not cause Transmission body to spin. When transmission pulley is turned, agitator turns. Transmission body can be turned by hand, in one direction only, turns both pulley and basket when turned by hand. "Idler pulley" is applying tension to the belt Belt is worn, and has mild cracking, but is otherwise intact. Help?
My Frigidaire model FWT445GES1, was making noses like the drum was coming off. it nocking and is loss when you grab it. How do I fix this? thanks
Water temp control has both manual & automatic settings. Auto side of the selections is not working. I'e' I put it on automatic temp control for a warm wash and a cold rinse. What happens is the cold water that is needed to mix with the hot to give the warm water is NOT working, the onlt water that fills up the tub is Hot. If switch over to the manual side on the temp. selection it works perfectly, I can get both hot and cold waters to mix according to how I open the valves of the hot and cold water hoses, not so on the automatic side. Is this a valve problem ?
Hi I have a frigidaire 9 cycle washer model FWS 445rbs2. The only cycle I can get it to agitate on is Knits and Delicates. It will fill and go thru clock and then empty tub but not agitate or spin on any other cycle. What part would I order?
frigidaire clothes washer model #FWT445GES1. The door wont stay shut, it pops open. The unit wont turn on even when I hold the door shut
Hi I am having problems with our washer. When you push the clock switch in to shut off the washer, it continues to run. The machine also acts confused as if it does not know whether to fill, rinse, or spin. It will perform all the functions as needed, but it takes some fiddling around with the switch. It also acts like the switch does not "count down" and move to the next cycle as needed. If you try to run it through a cycle, the thermal protect on the motor will kick on-you have to unplug it, wait a few minutes, and plug it back in. Are there any parts other than the switch it could be? Any sure way before I order the part that I can absolutely know it is the switch?
I have a Frigidaire front loading washing machine, model FWT445GES1. water runs in, but the tub will not rotate. I checked the motor brushes and they are ok when I pull on the wire going to the clockswitch the tub starts rotating normally but not every time. I suspect it could be that clock switch. The switch is making a rattle noise but I don't think the contacts are making to turn on the motor. This is true on all wash cycles. Water runs in, but no action from the drum. The number on the switch is XXXXXXXXX Any ideas to pin this down to the switch? It is a $92 part so I would like to know if it could be something else. Ken
I have a Frigidaire Gallery Tumble Action washer Model #FWT445GES1 Serial #XC72960633 Purchased 9-30-97. Lately, it has been making a loud noise (thumping)and when I felt the large drum inside, it feels very loose. Is there a belt inside and how do I access it to change it? How would I find out what part to order. My manual doesn't list parts. (My manual for my dryer included that information.) I went through the trouble shooting questions and the only one that came close is the overloading one. I don't think I ever overloaded my washer. It still goes through all of the cycles. The noise is loudest when it is spinning.
I have a Frigidaire FWT445GES1 front load washer. The door latch broke so I replace the latch. The latch is the correct part and the door shuts properly, but the door will not stay closed enough to trip the switch so the washer will operate. Is there an adjustment I can make? If so, how?
I just replaced the inner drum on our Frigedere Model FWT445GES1 front loading washer. Everything is fine except the door seal is getting very hot where the drum rubs it. What did I do wrong?
Frigidaire washer FWT445GES1 oscellates fine but no spin at the end - no water is removed and sounds like it is trying to do something. This washer is a front load and cleans really well. Has been in a damp basement and unused for four years. We were testing it out as our other Maytag washer stopped oscellating. I really miss the Frigidaire and the repair bill for the Maytag was $600. Back to the Frigidaire washer... The surface that we have it on for testing is slightly uneven but I wonder how much that really matters. We have a repair person coming tomorrow but I still have time to reschedule if you have any tips or tests that I can run to try to diagnose the problem myself. One thought might be something that is rusty. I also have an electrical measuring device. I couldn't find a repair manual online for this washer. Thank you.
We have a front load frigidaire washing machine model FWT445GES1 SERIAL XC70790551. It is stopping after the rinse cycle and we are not sure why. It was working fine and we have not changed anything or moved it at all. Any idea what the problem might be and if it's worth trying to have repaired or should we just buy a new one? Mfg. date says 02/97.