Frigidaire Gas Range FGF379WECE Timer Repair

What is the timer/clock part number for the Frigidaire FGF379WECE Gas Range?

Timer part number 316080102 for Frigidaire FGF379WECE

The FGF379WECE Gas Range uses timer part number 316080102.

Do you have a failed Frigidaire FGF379WECE control panel? Click here:

Request Appliance Timer Service

We can repair or replace your faulty Frigidaire FGF379WECE timer.

FGF379WECE are also sometimes referred to using these Alternative Names/Model numbers

Electrolux FGF379WECE Gas Range, 5995296596

FGF379WECE Schematic and Wiring Diagrams

Cover Parts diagram
FGF379WECE Gas Range Cover Parts diagram
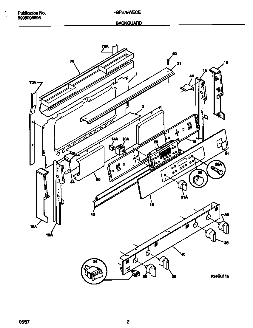
Backguard Parts diagram
FGF379WECE Gas Range Backguard Parts diagram
Burner Parts diagram
FGF379WECE Gas Range Burner Parts diagram
Body Parts diagram
FGF379WECE Gas Range Body Parts diagram
Top/drawer Parts diagram
FGF379WECE Gas Range Top/drawer Parts diagram
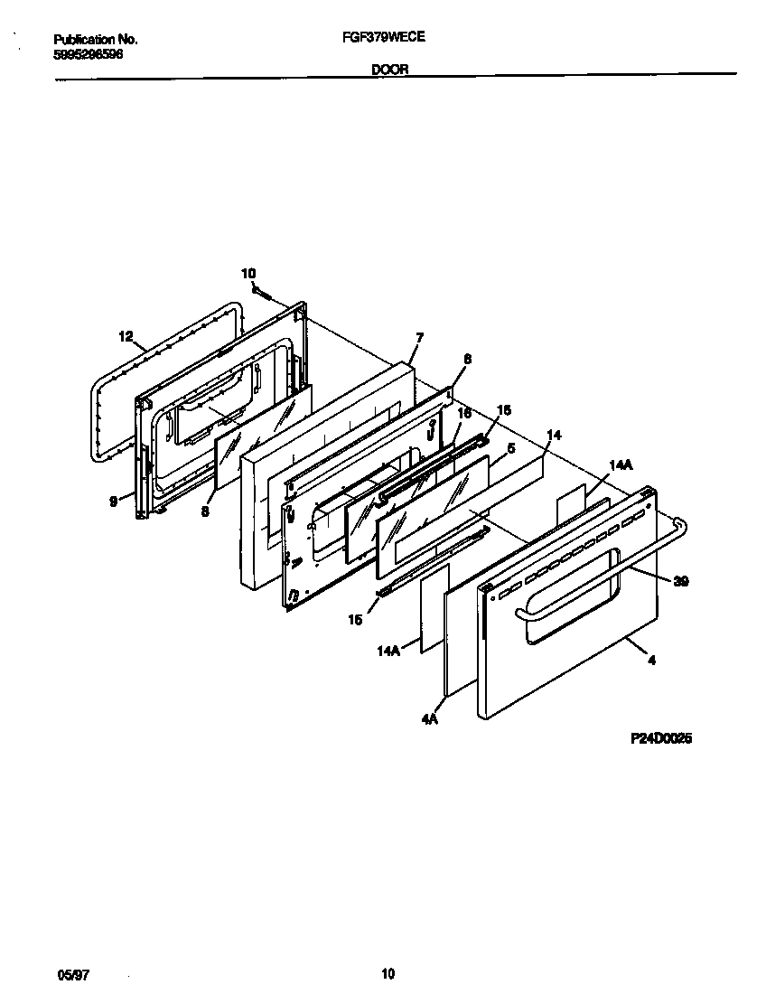
Door Parts diagram
FGF379WECE Gas Range Door Parts diagram
Wiring diagram Parts diagram
FGF379WECE Gas Range Wiring diagram Parts diagram

Recent Service Requests

CityProblem DescriptionResolution
Montreal, QuebecThe buttons beep when I push them and the "warm and serve drawer" dial lights up and seems to work, but the LCD screen is blank and the oven doesn't turn on.Repaired
Washington, District of ColumbiaDim light on readout. Controls work OKAwaiting receipt of timer
Cranston, Rhode IslandWhen the oven is plugged in you can hear the beeps from the buttons Being pressed but there is no displayRepaired
Edina, MinnesotaDim light on readout. Barely legible. Controls seem to work OKRepaired

Common problems for Frigidaire Gas Range FGF379WECE Timer Repair

Are you encountering a similar problem as them? Contact us now and we will try to help you fix your FGF379WECE timer-related problem.
My frigidaire FGF379WECE gas oven was put into the self cleaning cycle and the door locked and an F1 error code appeared. I researched it online and everything says replace the EOC. That seemed easy enough so I ordered one and installed it. I plugged the oven back in expecting the door to unlock but after about 20 seconds I got another F1 error code on my new $200 EOC. The oven door is stll locked and I am clueless as to what to do next. Any ideas?