Frigidaire Range - Gas FGF353BAWA Timer Repair

What is the timer/clock part number for the Frigidaire FGF353BAWA Range - Gas?

Timer part number 5303935112 for Frigidaire FGF353BAWA

The FGF353BAWA Range - Gas uses timer part number 5303935112.

Do you have a failed Frigidaire FGF353BAWA control panel? Click here:

Request Appliance Timer Service

We can repair or replace your faulty Frigidaire FGF353BAWA timer.

FGF353BAWA are also sometimes referred to using these Alternative Names/Model numbers

Electrolux FGF353BAWA Range - Gas, 5995234126

FGF353BAWA Schematic and Wiring Diagrams

Cover Parts diagram
FGF353BAWA Range - Gas Cover Parts diagram
Backguard Parts diagram
FGF353BAWA Range - Gas Backguard Parts diagram
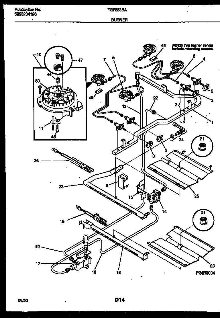
Burner, manifold and gas control Parts diagram
FGF353BAWA Range - Gas Burner, manifold and gas control Parts diagram
Body Parts diagram
FGF353BAWA Range - Gas Body Parts diagram
Cooktop and drawer Parts diagram
FGF353BAWA Range - Gas Cooktop and drawer Parts diagram
Door Parts diagram
FGF353BAWA Range - Gas Door Parts diagram

Recent Service Requests

CityProblem DescriptionResolution
Green Bay, WisconsinDuring a power surge this summer the clock face got really bright and hasn't been seen since. (A compact fluorescent bulb did the same thing at the same time.)Beyond Repair
Clarkston, MichiganOven gas control valve not shutting off. Oven overheating.Awaiting receipt of timer
Delta, British ColumbiaThe F-3 code appears as soon as an attempt is made to use the oven using the electronic heat level setter-the base temperature appears, followed in a few seconds by the failure code. We have been able to confirm independently that the wiring into/out of the unit and the unit sensor are working satisfactorily.Beyond Repair

Common problems for Frigidaire Range - Gas FGF353BAWA Timer Repair

Are you encountering a similar problem as them? Contact us now and we will try to help you fix your FGF353BAWA timer-related problem.
Frigidaire oven overheating Frigidaire self-cleaning oven, mod. # FGF353BAWA. Oven continues to heat past setting.