Frigidaire Electric Range FEF380MXDCA Timer Repair

What is the timer/clock part number for the Frigidaire FEF380MXDCA Electric Range?

Timer part number 316207509 for Frigidaire FEF380MXDCA

The FEF380MXDCA Electric Range uses timer part number 316207509.

Do you have a failed Frigidaire FEF380MXDCA control panel? Click here:

Request Appliance Timer Service

We can repair or replace your faulty Frigidaire FEF380MXDCA timer.

FEF380MXDCA are also sometimes referred to using these Alternative Names/Model numbers

Electrolux FEF380MXDCA Electric Range

FEF380MXDCA Schematic and Wiring Diagrams

Backguard Parts diagram
FEF380MXDCA Electric Range Backguard Parts diagram
Body Parts diagram
FEF380MXDCA Electric Range Body Parts diagram
Top/drawer Parts diagram
FEF380MXDCA Electric Range Top/drawer Parts diagram
Door Parts diagram
FEF380MXDCA Electric Range Door Parts diagram
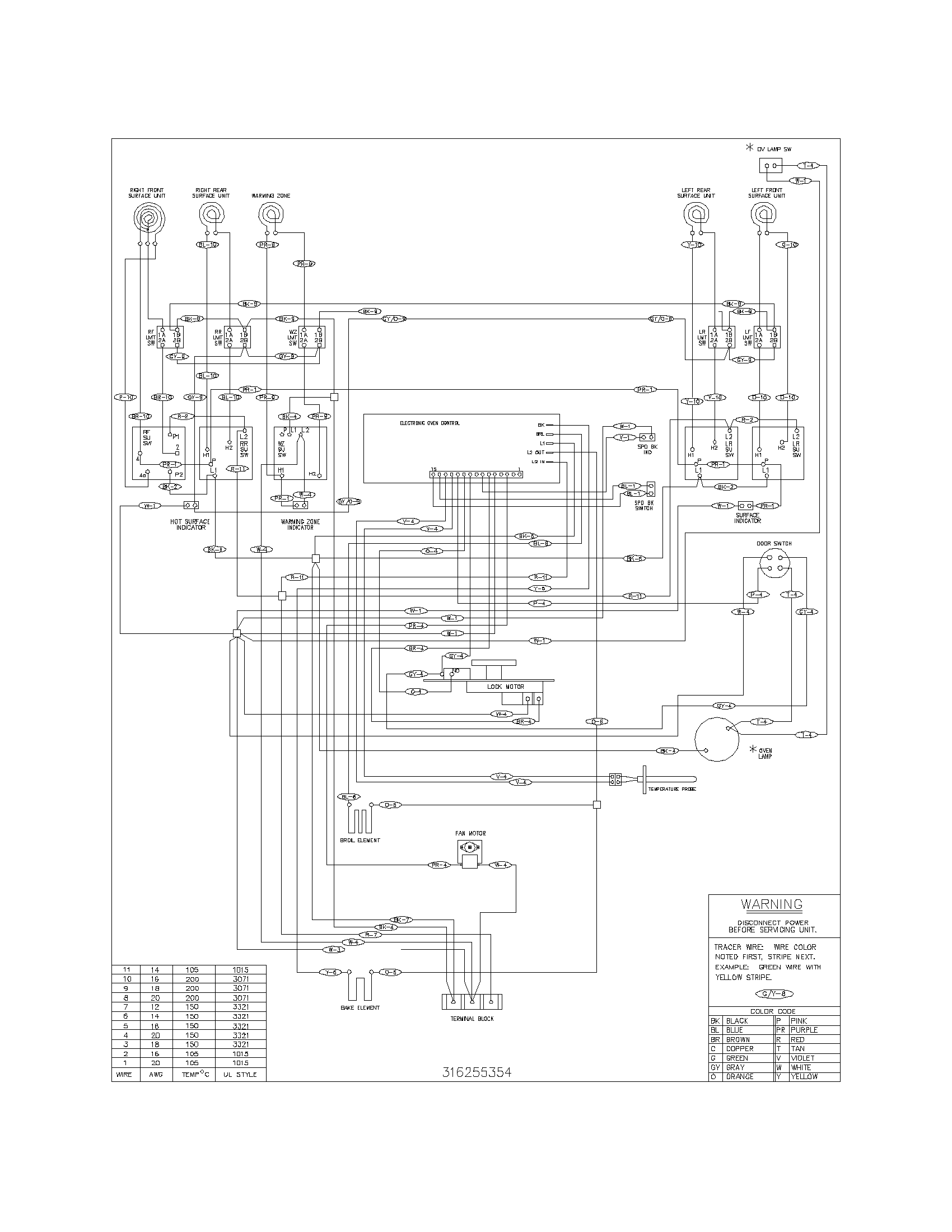
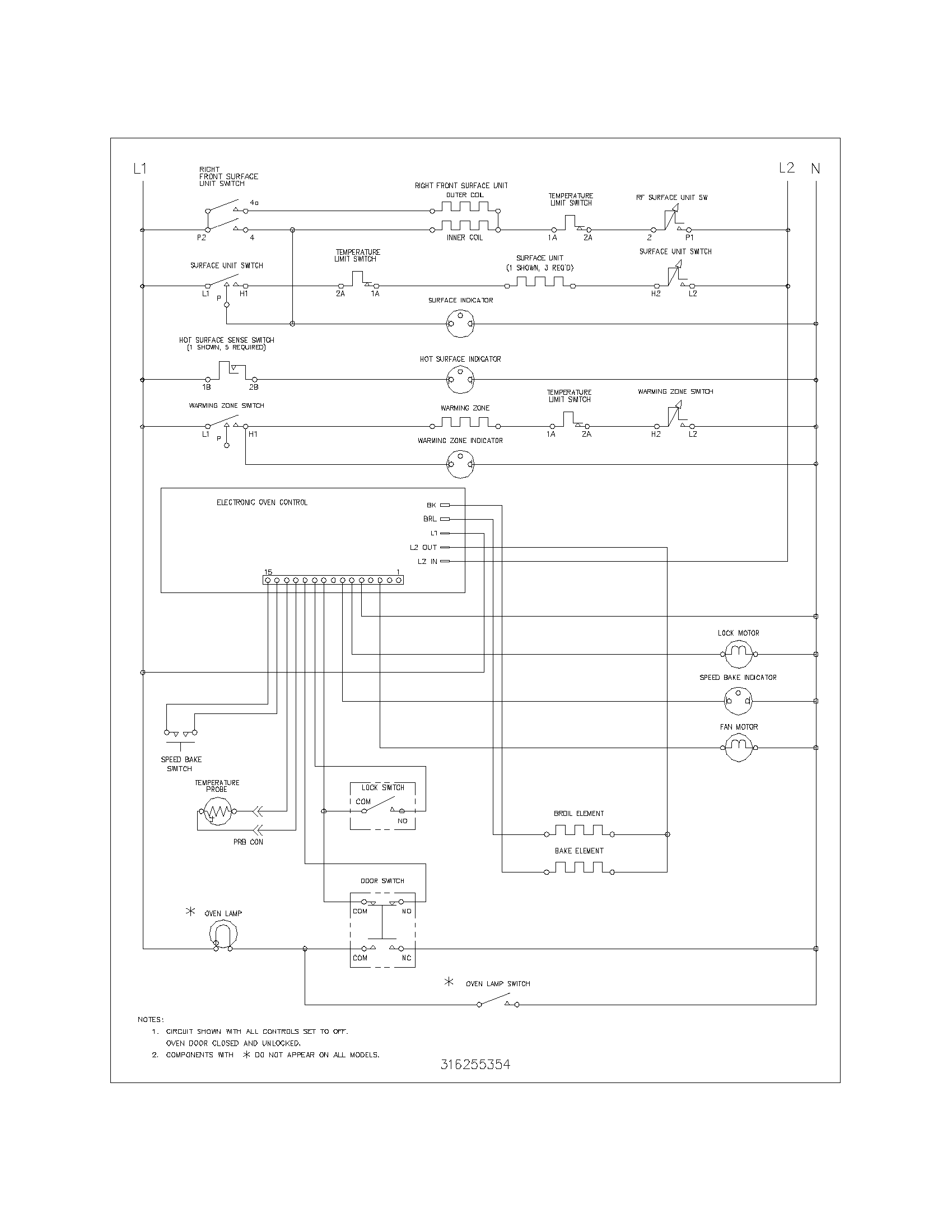
Wiring schematic Parts diagram
FEF380MXDCA Electric Range Wiring schematic Parts diagram
Wiring diagram Parts diagram
FEF380MXDCA Electric Range Wiring diagram Parts diagram

Recent Service Requests

CityProblem DescriptionResolution
Beallsville, PennsylvaniaUnit acts like it is operating the oven, broiler and self cleaner but the elements will not come on and the oven stays cold.Repaired
Beallsville, PennsylvaniaUnit acts like it is operating the oven, broiler and self cleaner but the elements will not come on and the oven stays cold.Repaired

Common problems for Frigidaire Electric Range FEF380MXDCA Timer Repair

Are you encountering a similar problem as them? Contact us now and we will try to help you fix your FEF380MXDCA timer-related problem.
i have a tappan gas range that works fine, but the problem is when i turn the oven to the off position the burner goes out but later comes back on in the warmer position and starts to cycle from there on so the oven never really goes out.
my amana gas range has f9 in the digital screen on the range where the clock usually and i cant open the range anymore what is my problem