What is the timer/clock part number for the Frigidaire FEF377BADA Range - Electric?
The FEF377BADA Range - Electric uses timer part number 5303935108.
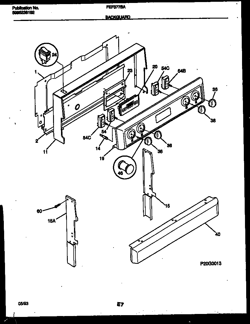
Do you have a failed Frigidaire FEF377BADA control panel? Click here:

We can repair or replace your faulty Frigidaire FEF377BADA timer.
FEF377BADA are also sometimes referred to using these Alternative Names/Model numbers
Electrolux FEF377BADA Range - Electric, 5995238192
FEF377BADA Schematic and Wiring Diagrams
| City | Problem Description | Resolution |
|---|
| Decatur, Illinois | Over and self-clean do not work, nor does the timer | Awaiting receipt of timer |
| Bloomington, Indiana | The timer signals "F3"(and beeps) a few seconds after "Broil" or "Bake Temp" is selected, and the oven just barely starts to heat. Incorrect information suggested that the temperature probe was bad. That was not the problem -- apparently, it's the timer.
In removing the timer, I mistakenly separated the circuit boards, and lost two small washer/spacers. I reassembled the timer, but the middle two screws that join the boards are missing those two small washer/spacers. I also found an extra 5/8" dark grey spacer. I have no idea where it belongs, and I hope it, and possible a missing mate, are not essential for my re-installation of the timer. | Repaired |
| East Greenville, Pennsylvania | The relay closes for the bake cycle but does not open at the set temperature.
The bake element stays on all the time during the bake cycle. If cancel is pushed
it will shut off. I checked the temperature probe resistance with an ohm meter and it
meets the specs in the service data sheet. When the bake cycle is put on you can
watch as the digital temperature increases to the set temperature then stops.
However the element continued to heat until manually turned off. I had an oven
thermometer and it went over the highest reading of 600 F | Repaired |