Maytag CWE9000 Timer Repair

What is the timer/clock part number for the Maytag CWE9000 Range?

Timer part number 7601p177-60 for Maytag CWE9000

The CWE9000 Range uses timer part number 7601p177-60.

Do you have a failed Maytag CWE9000 control panel? Click here:

Request Appliance Timer Service

We can repair or replace your faulty Maytag CWE9000 timer.

CWE9000 are also sometimes referred to using these Alternative Names/Model numbers

Whirlpool CWE9000 Range, CWE9000BCB, CWE9000DDB, CWE9000CDB, CWE9000BCM, CWE9000BDB

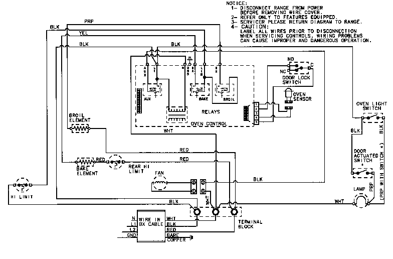
CWE9000 Schematic and Wiring Diagrams

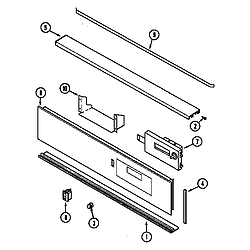
Control panel (cwe9000bcb) (cwe9000bce) (cwe9000bdb) (cwe9000bde) Parts diagram
CWE9000 Range Control panel (cwe9000bcb) (cwe9000bce) (cwe9000bdb) (cwe9000bde) Parts diagram
Control panel (cwe9000bcm) (cwe9000bcm) Parts diagram
CWE9000 Range Control panel (cwe9000bcm) (cwe9000bcm) Parts diagram
Internal controls (cwe9000bcb) (cwe9000bce) (cwe9000bdb) (cwe9000bde) Parts diagram
CWE9000 Range Internal controls (cwe9000bcb) (cwe9000bce) (cwe9000bdb) (cwe9000bde) Parts diagram
Internal controls (cwe9000bcm) (cwe9000bcm) Parts diagram
CWE9000 Range Internal controls (cwe9000bcm) (cwe9000bcm) Parts diagram
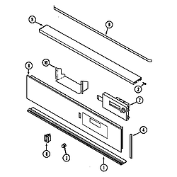
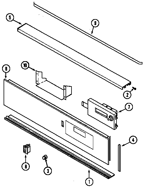
Body (cwe9000bcb) (cwe9000bce) (cwe9000bdb) (cwe9000bde) Parts diagram
CWE9000 Range Body (cwe9000bcb) (cwe9000bce) (cwe9000bdb) (cwe9000bde) Parts diagram
Body (cwe9000bcm) (cwe9000bcm) Parts diagram
CWE9000 Range Body (cwe9000bcm) (cwe9000bcm) Parts diagram
Oven (cwe9000bcb) (cwe9000bce) (cwe9000bdb) (cwe9000bde) Parts diagram
CWE9000 Range Oven (cwe9000bcb) (cwe9000bce) (cwe9000bdb) (cwe9000bde) Parts diagram
Oven (cwe9000bcm) (cwe9000bcm) Parts diagram
CWE9000 Range Oven (cwe9000bcm) (cwe9000bcm) Parts diagram
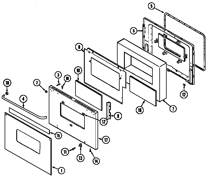
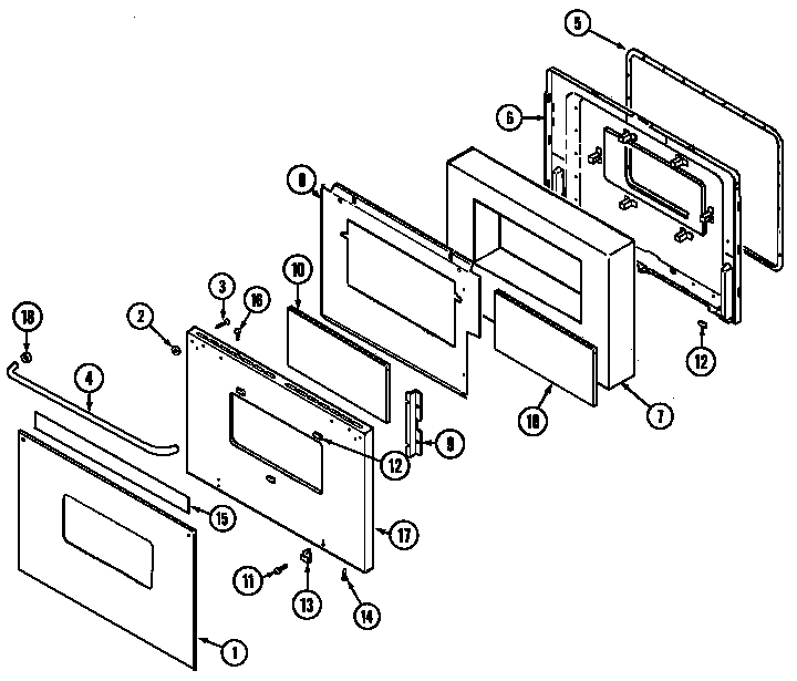
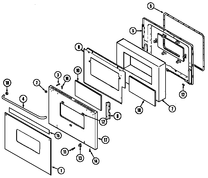
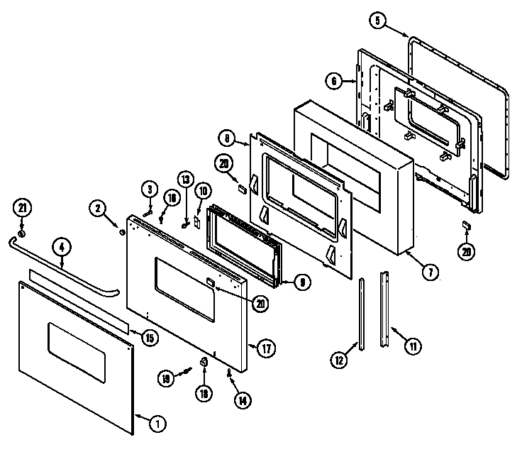
Door (cwe9000bcb) (cwe9000bce) (cwe9000bdb) (cwe9000bde) Parts diagram
CWE9000 Range Door (cwe9000bcb) (cwe9000bce) (cwe9000bdb) (cwe9000bde) Parts diagram
Door (cwe9000bc* ser. pre. 17) (cwe9000bcb) (cwe9000bce) Parts diagram
CWE9000 Range Door (cwe9000bc* ser. pre. 17) (cwe9000bcb) (cwe9000bce) Parts diagram
Door (cwe9000bd* ser. pre. 18) (cwe9000bdb) (cwe9000bde) Parts diagram
CWE9000 Range Door (cwe9000bd* ser. pre. 18) (cwe9000bdb) (cwe9000bde) Parts diagram
Door (cwe9000bcm) (cwe9000bcm) Parts diagram
CWE9000 Range Door (cwe9000bcm) (cwe9000bcm) Parts diagram
Wiring information (cwe9000bcm) Parts diagram
CWE9000 Range Wiring information (cwe9000bcm) Parts diagram

Recent Service Requests

CityProblem DescriptionResolution
Fairhope, AlabamaTimer failure following lighting strike on home.Repaired
Niles, OhioTimer keeps beeping hit cancel d starts again in several hrsAwaiting receipt of timer
Niles, OhioTimer keeps beeping hit cancel d starts again in several hrsAwaiting receipt of timer
Chilliwack, British ColumbiaThe panel does not light up can not read numbers ( settings )Repaired
Ellensburg, WashingtonWhen the power to the oven is turned on, it may take a few minutes but eventually starts beeping. when you hit cancel it may stop for a few minutes but eventually starts beeping again until you turn the power off to the oven.Awaiting receipt of timer
Arnes, ManitobaDisplay is very dimRepaired
LAYTONSVILLE, MarylandF-5 CODE, OVEN WON'T WORKRepaired
Rockland, OntarioOven does not start heating, it just beeps. After many tries it starts heating. If you do not have a timer in stock I could semd you mine to refurbished however I am ot sure I know hiw to remove it...? Do you have instructions?Repaired
Kenora, Ontariooven was on
hit cancel
oven started beeping flashing f7 code. pulled power and let sit overnight. tried to turn oven on the next day and same code came up and kept beeping and flashing F7 on display
Awaiting receipt of timer
Eau Claire, WisconsinOven won't go to full temp , cooling fan will come on by itselfRepaired
Eau Claire, Wisconsinoven will not go to full temperature, cooling fan comes on intermittently on its own.Repaired
Aurora, Ohio1. Main Problem is Broil relay is energized constantly when range power is on. Broil relay contacts are open when power is off, so the broil relay is not faulty.

2. Minor problem with main EL display. It's becoming pixelated, and harder to read. Concerned that it will soon become unreadable.
Awaiting receipt of timer
Middle Sackville, Nova ScotiaIntermittent F3, almost every time oven is used. Seems to be worse at higher temperatures. I replaced the oven temperature sensor and checked wiring.Also seeing intermittent F5 errors, less often than F3.Repaired
Enderby, British Columbiabake element stopped intermitently then stopped completely. When I took the cover off of the Omron part#0164w1 [wires coming from the bake element] I noticed that the points beside a wire coil were badly burnt .I'm assuming this is the problem but I'm concerned this may have been caused by another faultRepaired
Enderby, British Columbiabake element stopped intermitently then stopped completely. When I took the cover off of the Omron part#0164w1 [wires coming from the bake element] I noticed that the points beside a wire coil were badly burnt .I'm assuming this is the problem but I'm concerned this may have been caused by another faultRepaired
Rosewood, OhioOven would start to warm, then quit and display F5
Then Burned transformer up and now doesn't work at all
Beyond Repair
Coupland, TexasBottom heating element no longer works. Upper element works fine.Repaired
Wasilla, AlaskaFan is on all the time . Broiler works . Oven not workingAwaiting receipt of timer
Langley, British ColumbiaNo fault codes, simply stopped sending current to either bake or broil elements all elements and temp probe check out. Absolutely no heat from either element, and happened overnight.Repaired
North Hills, CaliforniaTimer not working at all. Checked power source and all is well. The timer failed.Replaced with reconditioned timer

Common problems for Maytag CWE9000 Timer Repair

Are you encountering a similar problem as them? Contact us now and we will try to help you fix your CWE9000 timer-related problem.
i have a maytag wall oven #cwe9000bcb i had to replace the element,because it split now there is no power to the element, the display works and it reades as it goes to bake, but it does no heat, the broiler work ok
maytag oven calibration oven is cooking approximately 30 degrees lower than setting
I have a Maytag electric built in oven, Model cwe9000bcb. F-1 code was displaying on clock. I had a repairman out and he replaced the sensor in the back of the oven. He told me that the circut board needed to be replaced. The part # is 7601P214-60 and is no longer being manufactured. I had the part re-manufactured by CG Industries and put it back in and the code came back, I brought it back they re-repaired and I re-installed and the F-1 code is still coming on. Is it possible the problem is something other than the cicuit board?
Bottom electric heat element in wall over does not work The top heat element works fine. I have replaced the bottom heat element with a new one but it still does not work. Wall oven is Maytag 30" model CWE9000BCB.
I have an electric wall oven model CWE9000ACE and none of the buttons are responding when I press them. The power is on and the clock is illuminated and keeping correct time. The cancel button beeps when I press it but nothing else responds or makes and sound when pressed. Any thoughts?
I have a 1994 Maytag wall oven (Model CWE9000ACE). Recently, it has not cooked very well as it seems the temp is not hot enough even though the display says it is. Food is not being done when it should be. Time to replace or can this be fixed w/o too much cost?
my maytag oven displays in the window F2 and beeps every few minutes very loudly and and it feels like cool air is comming out of the oven
The beeper for my cwe9000 keeps on going off at random WHEN THE OVEN IS OFF. The cancel button only cancels it temporarily. Can I just disconnect the beeper? Or is this a temp sensor issue? I have removed the control panel. Is the beeper the large silver circle between the circuit boards?
Maytag Wall Oven is not heating up to the set temperature any longer. It makes it to 250 degrees max. What is broke and how hard is it to fix?
We own a Maytag electric wall oven model cwe9000 at this time the door will not close tight properly, and after purchasing an oven thermometer have also found the oven temperatperature off by a whopping 55 degrees. The repairman that was here said the new door new will flatten out in time and as per a manual that we have to leave a message a he will try and downlad and send semd to me. As of today no luck yet. As the unit fits properly and looks wonderful in the home we purchased is there a solution to our problems. Thank you Bruce Parrington Ottawa,Canada
Our Maytag MF12266AEB display panel does not work. We replaced the water filter and the dispenser alarms when you push for water or ice. I heard that the water valve could be the culprit? All the buttons on the display panel cannot be adjusted?
I have a Maytag wall oven Model CW9000 ... it keeps beeping and gives me an F1 code ... can you identify the problem and fix ... the oven works fine. Thanks
I have 2 electric wall ovens model cwe9000 stacked. the bottom one no longer heats up to the correct temp. it heats up to about 150 and then stays there. It also takes a very long time to heat up. The upper oven works just fine. what do i do?
Maytag CWE9000 Wall oven: What does error code F1 mean?
A buzz noise was heard and the control panel and oven went out. The range top still works. I am guessing my problem is the internal fuse or circuit breaker. Does anyone know how to access the fuse on this particular model?
Can't Locate the 3 letter suffix for Magtag model number cwe9000 My Magtag oven Model cwe9000 needs new door hinges. I was told that I need the 3 letters that follow cwe9000 to order the correct parts. Where can I find these 3 letters on the range? I previously ordered hinges for this model and they turned out to be too small. The parts store told me that I need the three letters to get the correct parts. Hope someone can help,Thanks,Ed
my oven cwe9000 shows an f-1 code and I press cancel. It stops beeping for a time but it restart later. All the brakers are turned off, then turned on again it is ok then all of a sudden it starts again. Can you explain why this is so. I do all what the book said. Is there some fuses other than the brakers ? Where are they so I can check if one is blown or needs to be changed. my E-mail is pa-c-guibord@sympatico.ca Thank you. awaiting your solution
I have a electric wall oven model cwe9000 and it is showing a fault code f1. What is that and how do I fix it?
I am looking for parts for a Maytag CWE9000 wall oven. Spacifically the touch panel. What do you suggest?
My Maytag oven model CWE9000BCB fails to heat to set temperature. Using two seperate oven thermometers, at a setting of 550 for the oven or on HI broil the maximum temp it reaches is 350. No fault codes or errors are displayed on the touch pad.
have a maytag oven model #cwe9000bcb, serial # XXXXX got an error message of F7. what is the problem. pressed cancel and everything appears normal.
whirlpool rf376pxdz1 smooth top oven there is 240 vac to main oven terminal but after pressing control pad ( which displays bake 350 deg f for example ) cannot get any voltage reading at back of unit at bake element terminals top elements work did not check broil element do i need new control pad 2nd question have maytag built in oven CWE9000BCB unit has power but display is blank do i need new control pad
My Crosley CW6000w washer shakes allot during the spin cycle, even with a small/medium size load. It never reaches full RPM so it leaves the clothes wetter than it used to. During the spin cycle, the tub always appears to be out of balance. With a heavy load, the tub move so much that it seems to be banging against the cabinet. The machine sits level on a concrete floor. When the spin cycle starts, the tub turns slowly, as if a clutch is slipping, and makes a slight roaring sound. The roaring sound goes away once the tub starts spinning at a medium pace. What parts are most likely to be causing the out of balance spinning and the slower than required RPM? The snubber & springs? I'm also looking for a site to download a service manual for this model but have not found it. HISTORICAL INFO (that may or may not be relevant): A few years ago, I had a problem where the water wasn't completely spinning out. I notice a lot of white plastic shavings under the machine and assumed they were from
dbl circuit not getting electricity. why? is this a control panel problem or an oven sensor? or something else.
30 inch maytag wall oven model #cwe9000ace actual temperature is lower and inconsistant with the temperature selected
Hello, My washer wil fill with water and will attempt to start the agitate cycle. I removed belt and checked transmision which is fine. with the belt removed the motor will start then imediately stop. No contact on the motor ohms to ground all seems fine on it. Now im familiar with hvac and refrigeration but never have seen much action on washer clocks and motors. The washer will spin out just fine. This does not seem like motor protection causing the issue but i may be wrong. Any help to light my way is greatly apreciated
Upper oven will not cook. When "cook time" or "broil" or "oven temp" buttons are pushed "door" shows up in the display and the oven will not turn on. I have reset the breaker(left off overnight), didled with the door latch mechanism, and messed with a micro switch that seems to work with the door latch, but still will not cook. The self clean cycle will work. The clock works. The bottom oven works. I took the control panel out and did not see any loose circuits. I took the door off and reinstalled with no change. Any ideas on what could be wrong?
The F1 code comes on plus a beeping
I know this may seem like an obvious time to replace an over, but I'd like to try and find a replacement part (listed as not available online) for my Maytag oven. The oven itself still looks and performs like it's brand new, but the control panel has been behaving rangenly lately. Every now and then it just beeps and flashes the cook time set or time set controls. Between times it operates fine and I'm able to set the oven temperature and it heats up with no problem. But on a couple of occasions I would hit the temperature set button and nothing would happen, I wasn't able to set the temperature. Before that condition is permanent, I'd like to find out if there is anywhere out there online where old parts (as-is or reconditioned are available). I'd rather keep this one going because it's still in mint condition and am a bit freaked out at the idea of trying to find another oven that will fit into the existing cut out and not make for a horrible cut/paste/patch experience. Sure it's kin
Original problem was that when bake temp button pushed, oven begins to warm up (starts at 100 degrees) but after a few seconds oven turns off. Recommendation was to replace temp sensor which I did. Problem is still the same, except that if I repeat hitting the bake temp button before it turns off, I the oven evently gets to 105 temp and stays on until it reaches desired temp. At this point oven works fine and can set all clocks and reset temp. When I finally turn off by hitting cancel, oven beeps a few times and a code appears on digital readout the code is F-1 Need assistance