Maytag CRG9700CAM Timer Repair

What is the timer/clock part number for the Maytag CRG9700CAM Range?

Timer part number 12001612 for Maytag CRG9700CAM

The CRG9700CAM Range uses timer part number 12001612.

Do you have a failed Maytag CRG9700CAM control panel? Click here:

Request Appliance Timer Service

We can repair or replace your faulty Maytag CRG9700CAM timer.

CRG9700CAM are also sometimes referred to using these Alternative Names/Model numbers

Whirlpool CRG9700CAM Range

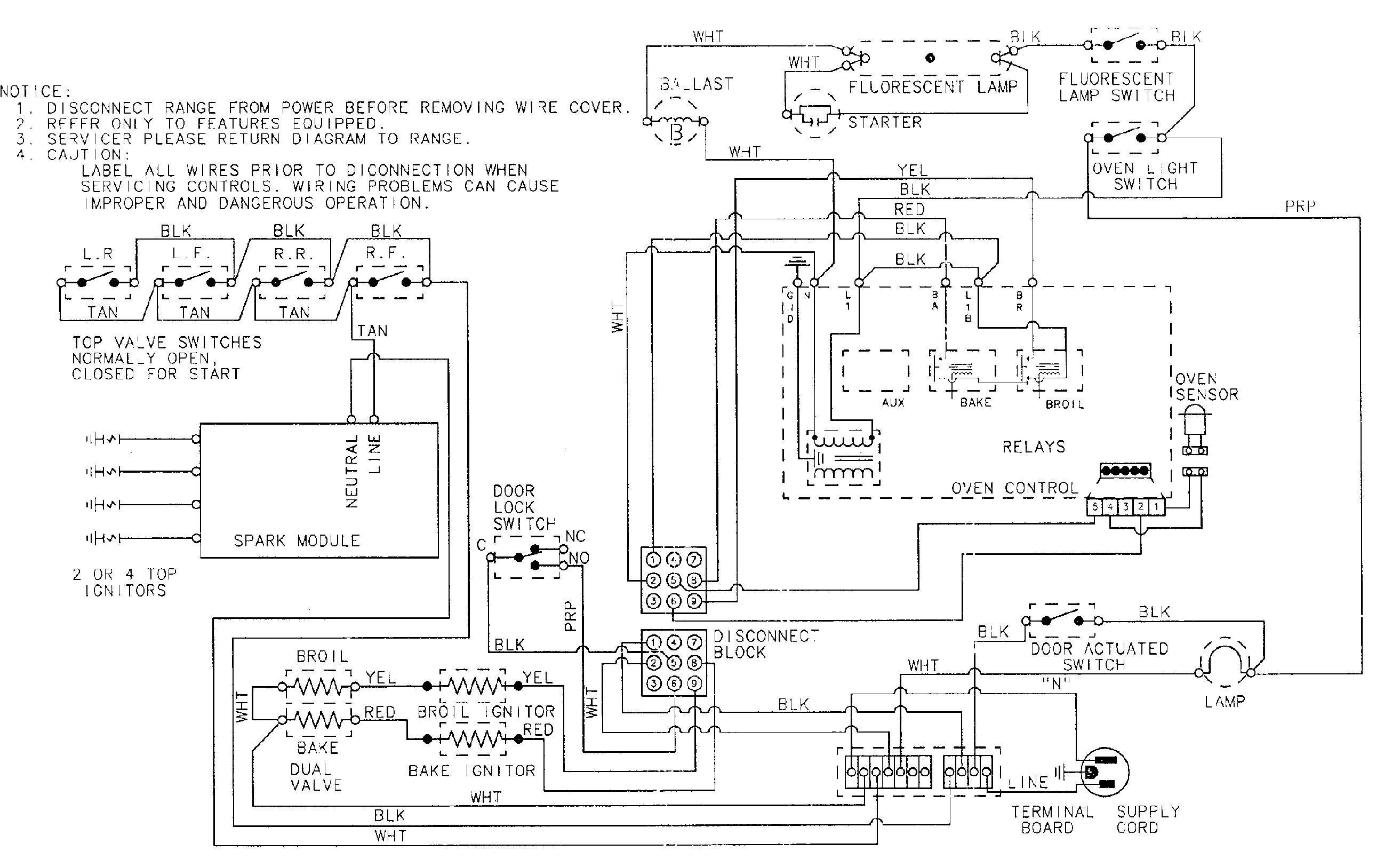
CRG9700CAM Schematic and Wiring Diagrams

Top assembly Parts diagram
CRG9700CAM Range Top assembly Parts diagram
Body Parts diagram
CRG9700CAM Range Body Parts diagram
Oven/base Parts diagram
CRG9700CAM Range Oven/base Parts diagram
Gas controls Parts diagram
CRG9700CAM Range Gas controls Parts diagram
Door/drawer Parts diagram
CRG9700CAM Range Door/drawer Parts diagram
Control panel Parts diagram
CRG9700CAM Range Control panel Parts diagram
Wiring information Parts diagram
CRG9700CAM Range Wiring information Parts diagram

Recent Service Requests

CityProblem DescriptionResolution
Somerset, New JerseyTimer just stop working, unplugged and plugged to reset without a reposnse. No response or beeps when buttons pushed.Awaiting receipt of timer
Mercersburg, PennsylvaniaWILL NOT WORKAwaiting receipt of timer

Common problems for Maytag CRG9700CAM Timer Repair

Are you encountering a similar problem as them? Contact us now and we will try to help you fix your CRG9700CAM timer-related problem.
Hi there, I have a two-year old Maytag MEW5530DDW oven, and it seems like random buttons on the control panel have failed (i.e. pressing on "bake", "broil" and "oven light" does nothing - yet somehow I get a response for "keep warm", "clean", etc...). I was told (granted, over the phone) by a repairman that I needed a new control panel, and he quoted me a price of CAD$265 (~US$210) for the panel, plus labour. Has anyone else had this problem? If indeed my only option is to replace the controller, can anyone suggest a place to order it from that would be cheaper??
Oven takes up to 45 minutes to reach temperature Maytag gas oven has oven problem. It takes up to 45 minutes for the oven to reach temperature MODEL CRG9700CAM. This is the correct model number not the one below as my model number was not in the drop down list.
My Maytag gas range is having a problem withe the oven. The panel says "do or" when you try to turn it on. not sure of the year but think it is a 1993 or 1995 model. The model # XXXXX XXXXX The serial # XXXXX XXXXX could you help me figure out the problem? Thank you Jeff
we have an older oven and we cant use our oven, because it just says door when you try and turn on the oven
We have a gas oven that is self cleaning and we cant use the oven because it says "door". It wont heat up at all.