Maytag CRG9700AAW Timer Repair

What is the timer/clock part number for the Maytag CRG9700AAW Range?

Timer part number 7601P222-60 for Maytag CRG9700AAW

The CRG9700AAW Range uses timer part number 7601P222-60.

Do you have a failed Maytag CRG9700AAW control panel? Click here:

Request Appliance Timer Service

We can repair or replace your faulty Maytag CRG9700AAW timer.

CRG9700AAW are also sometimes referred to using these Alternative Names/Model numbers

Whirlpool CRG9700AAW Range

CRG9700AAW Schematic and Wiring Diagrams

Control panel Parts diagram
CRG9700AAW Range Control panel Parts diagram
Top assembly Parts diagram
CRG9700AAW Range Top assembly Parts diagram
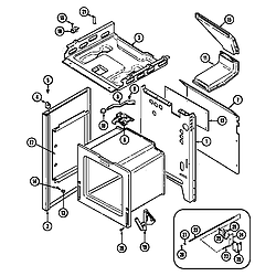
Body Parts diagram
CRG9700AAW Range Body Parts diagram
Oven/base Parts diagram
CRG9700AAW Range Oven/base Parts diagram
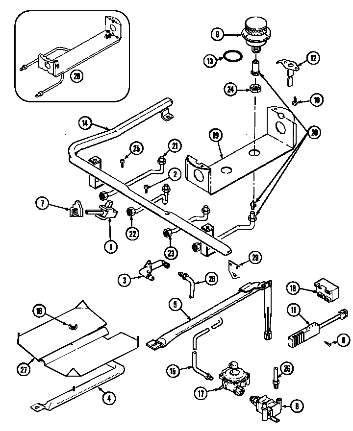
Gas controls Parts diagram
CRG9700AAW Range Gas controls Parts diagram
Door/drawer Parts diagram
CRG9700AAW Range Door/drawer Parts diagram

Recent Service Requests

CityProblem DescriptionResolution
Oakville, OntarioGetting F1 code and constant beepAwaiting receipt of timer
WELLAND, OntarioSTOVE WONT GET UP TO TEMPERATUREAwaiting receipt of timer
Burnaby, British ColumbiaOriginal timer will only heat oven to 150F. Replaced igniter and temp sensor did not solve problem.Repaired
Prescott Valley, ArizonaOven comes on, heats to about 125 degrees and shuts off even though it has been preset to 350 or whatever. Replaced oven temp sensor first.Repaired
Burnaby, British ColumbiaDuring Bake, oven will only heat up to 150F. The gas shuts off too early it would seem, you can hear the bake relay click when the gas turns off. Sometimes when turning on the Bake/oven the bake relay does not click on as rapidly as the broil relay would.

The temp sensor and igniter was replaced with new components, but they did not solve the problem.
Repaired
Fort Wayne, IndianaSelect oven, set temp. turn on, F5 shows and starts to beep and no heatingAwaiting receipt of timer

Common problems for Maytag CRG9700AAW Timer Repair

Are you encountering a similar problem as them? Contact us now and we will try to help you fix your CRG9700AAW timer-related problem.
After using broiler on Maytag Gas oven model # CRG9700AAW, without a problem, left the kitchen, eating in another room, range starts ''beeping'', error code F2 is displayed.Hit cancel. Beeping started again, again, hit cancel. This continued all evening, finally turned off 110 power to control panel.Next day, powered up, now displayed error Code F3 when I tried to turn on the oven.Does this oven need a new control module or? range is in Excellent condition, not ready to replace it.
I have an old maytag gas oven model number CRG9700AAW, that beeps with an "F7" on the display, any idea what this alarm is?
maytag range with f7 code when range is turned on it beeps and a f7 code comes up shutting off the burners. the model is CRG9700AAW serial no: 10001482HK ..series 11
I recently bought a used Maytag gas oven model #crg9700aaw. I am having an issue as the lower gas burner in the oven will not ignite. The broiler turns on and works fine, all the burners work fine as well. Any help would be appreciated.
approximately how much would it cost to put a new thermostat in? my oven is 100 degrees too low.
on my maytag oven F-2 continues to appear along with a steady beeping. hit cancel and unplugged yet F-2 and beeping returns?
I have a Maytag gas oven Model number CRG9700AAW that has started beeping with a fault code of F1. What does this mean?
range does not ignite. broil turns on as does burners. igniter glows but the gas does not come out since i checked with a flame.
I have a Maytag model CRG9700AAW gas oven and am frequently getting an error message f 1 (or) F I. (1) What does this message mean? (2) How can I prevent it from coming up?
justin-- Donald Avery -- how can we chat?