Maytag CRG9700AAL Timer Repair

What is the timer/clock part number for the Maytag CRG9700AAL Range?

Timer part number 7601P222-60 for Maytag CRG9700AAL

The CRG9700AAL Range uses timer part number 7601P222-60.

Do you have a failed Maytag CRG9700AAL control panel? Click here:

Request Appliance Timer Service

We can repair or replace your faulty Maytag CRG9700AAL timer.

CRG9700AAL are also sometimes referred to using these Alternative Names/Model numbers

Whirlpool CRG9700AAL Range

CRG9700AAL Schematic and Wiring Diagrams

Control panel Parts diagram
CRG9700AAL Range Control panel Parts diagram
Top assembly Parts diagram
CRG9700AAL Range Top assembly Parts diagram
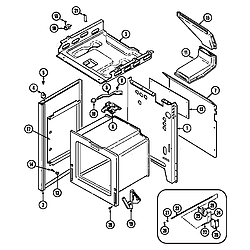
Body Parts diagram
CRG9700AAL Range Body Parts diagram
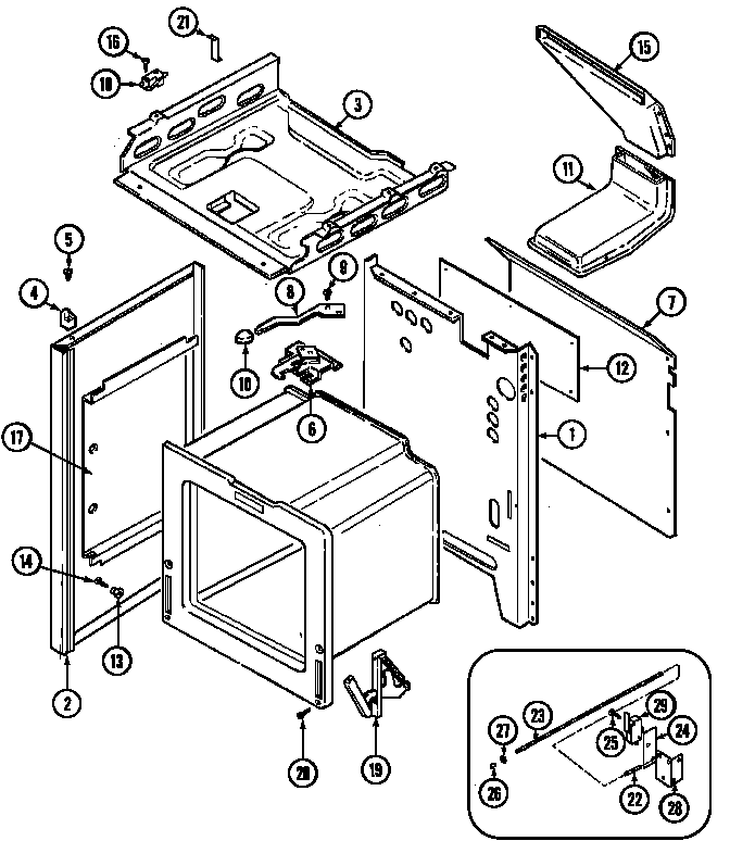
Oven/base Parts diagram
CRG9700AAL Range Oven/base Parts diagram
Gas controls Parts diagram
CRG9700AAL Range Gas controls Parts diagram
Door/drawer Parts diagram
CRG9700AAL Range Door/drawer Parts diagram

Recent Service Requests

CityProblem DescriptionResolution
Dartmouth, Nova ScotiaInitially the code was F3 and I replaced the temperature sensor and worked fine, for a while then F2. The F2 code comes up on it's own, even when the stove is not in use, such as middle of the night. Not appreciated...Repaired
Belford, New JerseyAfter setting oven temperature oven does not turn on, temperature on display stays st set temperature, does not go down to actual temp. Broiler also does not turn on.Repaired
COCHRANE, AlbertaMy current timer/control is malfunctioning. My oven will not maintain the selected temperature. It will only heat to 200 degrees F. or wide open.

Both temperature sensor and igniter have been replaced.
Repaired
fair lawn, New JerseyF-1 error displays, once reset may come back in 10 minutes or 3 days.Awaiting receipt of timer
Highland, IndianaOven temperature about 80 degrees less than it is set for.Repaired
Wisconsin Rapids, WisconsinWhen turning oven on and setting the temperature it flashes F5 and beeps after a few moments. There is also some question as to whether or no the oven is reaching the actual temperature we set it to although that has not been verified.Awaiting receipt of timer
Wisconsin Rapids, WisconsinWhen turning oven on and setting the temperature it flashes F5 and beeps after a few moments. There is also some question as to whether or no the oven is reaching the actual temperature we set it to although that has not been verified.Awaiting receipt of timer
Sharpsville, IndianaOven ignites and stays on for only 20 seconds and shuts off never allowing temp to get above 100 degrees eventhough it is set at 400 degrees. oven ignitor and temp sensor was replaced with no change in operation.Awaiting receipt of timer
Overland Park, KansasTHE RANGE WAS UNUSED FOR APPROXIMATELY 4 YEARS. AFTER PLACING IT IN SERVICE, A POWER OUTAGE OCCURRED. AFTER THE POWER OUTAGE THE TIMER BEGAN TO BEEP AND DISPLAY F1. UNPLUGGING THE RANGE DID NOT SOLVE THE ISSUE. THE ERROR DOES NOT OCCUR WHEN THE OVEN IS ACTIVE.Awaiting receipt of timer
Overland Park, KansasThe range was unused for approximately 4 years. After placing it in service a power outage occurred. The timer began to beep and display F1. Unplugging the range did not solve the issue. The error does not occur when the oven is active!Awaiting receipt of timer
port mcnicoll, Ontarioboth timers in correct temp readings eg set for 300 oven will only heat to about 200Repaired
New Hyde Park, New YorkThe "oven temp", "timer" and "clock" buttons are non-responsive.Awaiting receipt of timer

Common problems for Maytag CRG9700AAL Timer Repair

Are you encountering a similar problem as them? Contact us now and we will try to help you fix your CRG9700AAL timer-related problem.
Help please, My dryer clock wires came loose and I need instructions to reconnect them back.
according to my troubleshooting for my problem the possible cause is one of the 2 house fuses have blown. The solution shows replae fuse. Ok so what the heck is the house fuse and where do you go to replace this.. I've been told that it may be a thermal fuse, but according to the person I spoke to there is no thermal fuse..
I am having trouble removing the back cover off the dryer to get to the heating element or fuses stated in the owners manual as being two potenial problems. Where would the fuses be located and how can I tell what to look for. I would like to fix this on my own but i really could use your input ASAP. The dryer spins but no heat comes out! S.Mcnair
The oven does heat but temperature is off -25 @ 200 and over -150 @ 550. Suspect AP4009456 oven sensor and would like to know the resistance/temperature values so that I can test it. The oven does maintain temperature but the temperature is incorrect. Another repair person suggested the ignitor so I swapped the ignitor from the broiler burner with the one for the oven burner. This had no effect. Seems to me that either the oven sensor or controller (yikes that's expensive) is at fault. I would like to avoid just replacing the oven sensor since I'm not sure that's the problem. If it's the controller, it's time for a new oven as far as I can justify. Ah
I have installed part number 74006427 (oven gas valve) in my oven (Maytag CRG9700AAL. Tadjust for propane which direction should I turn the orifice and how far?
I have a maytag range Model# XXXXX The control panel makes a beeping sound, then gives a fault code of F-2. What is wrong? and please advise. Thank you! J.R. Plumlee Evansville,In
I have a Maytag, Model # XXXXX Serial # XXXXX -F7- came on and is beeping. I pressed cancel but it won't stop. What is wrong and is there anything I can do?
maytag oven crg9700aal oven doesn't keep temp, changed sensor, is there a code to reset oven or procedure to calibrate sensor circuit
I own a gas oven model #CRG9700AAL that keeps coming with an error code F1 on the display panel that can only be cleared by depressing the cancel function but moments later it returns. All other functions of the oven appear to be working ok.
I have a Maytag gas oven CRG9700AAL. On the display it shows f-1 and beeps none stop.I had to unplug.