Maytag CRG9600 Timer Repair

What is the timer/clock part number for the Maytag CRG9600 Range?

Timer part number 7601P222-60 for Maytag CRG9600

The CRG9600 Range uses timer part number 7601P222-60.

Do you have a failed Maytag CRG9600 control panel? Click here:

Request Appliance Timer Service

We can repair or replace your faulty Maytag CRG9600 timer.

CRG9600 are also sometimes referred to using these Alternative Names/Model numbers

Whirlpool CRG9600 Range, CRG9600AAW, CRG9600AAL

CRG9600 Schematic and Wiring Diagrams

Control panel Parts diagram
CRG9600 Range Control panel Parts diagram
Top assembly Parts diagram
CRG9600 Range Top assembly Parts diagram
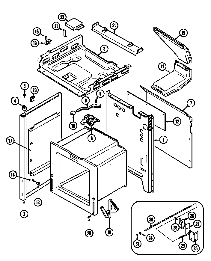
Body Parts diagram
CRG9600 Range Body Parts diagram
Oven/base Parts diagram
CRG9600 Range Oven/base Parts diagram
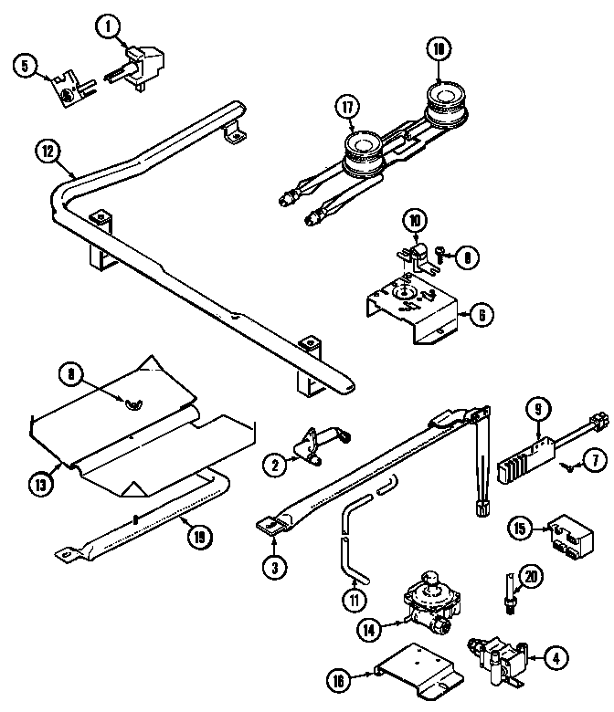
Gas controls Parts diagram
CRG9600 Range Gas controls Parts diagram
Gas controls (serial prefix 17) Parts diagram
CRG9600 Range Gas controls (serial prefix 17) Parts diagram
Door/drawer Parts diagram
CRG9600 Range Door/drawer Parts diagram

Recent Service Requests

CityProblem DescriptionResolution
Vancouver, British ColumbiaOven operates intermittentlyAwaiting receipt of timer
Calgary, AlbertaTouch pad if faulty on some functions.

Can you REPAIR or REPLACE?
Awaiting receipt of timer
Wyoming, MichiganGas valve opens and ignites but oven does not heat up close to desired temp. It take a long time to bake anything.Repaired
Vancouver, British ColumbiaThe oven thermostat is not working correcting. If I set the temperature for 400 degrees F the thermostat shuts off the heating at 200 degrees F

I tried replacing the sensor but the problem persists. I found some information that the room temperature resistance of the thermistor should b about 1000 ohms and both of my sensors are about 1050 ohms, which appears to be normal.

I would like the timer returned by Xpresspost or similar 2 day delivery

So there seems to be a problem with the temperature measuring circuit.
Repaired
Hanover, OntarioOven temp will not go past 150F. Timer function difficult to select. cancel function difficult to select. Similar fault 6 years ago.Repaired
Hanover, OntarioOven temp will not go past 150F. Timer function difficult to select. cancel function difficult to select. Similar fault 6 years ago.Repaired
Hanover, OntarioMaytag gas range. Oven unable to reach selected temp. 200 degrees max. This occurred
three years ago. Service man suggested scrapping stove. Purchased new clock from Point and Click Appliance Repair (Oklahoma). Stove operation satisfactory until now. Control appears to be failing again. Temp is 50 degrees low and timer is difficult to set. I am sending you the original clock for repair. Once received back I will send second clock for repair so I have a spare (looks like I need one)
Repaired

Common problems for Maytag CRG9600 Timer Repair

Are you encountering a similar problem as them? Contact us now and we will try to help you fix your CRG9600 timer-related problem.
I have a Maytag gas range, Model #CRG9600AAW. I do not have the owner's manual. Two questions: 1. Every so often an F-1 light comes on and beeps. What does this mean? 2. My oven does not get hot and does not reach the desired temperature setting. The oven beeps when it thinks the desired temperature has been reach, but 450 feels like 250. Any suggestions. Thank you. Pam Crumb
Hi! I have a Maytag CRG 9600 (GE XL44) gas oven that when heating up the oven will shut off while displaying an error code: F2 or F3 depending on the day. Sometimes it will reach temperature and not display this code, but most times when cooking over 350 degrees, it will shut down and do this. Any suggestions/advise?