Maytag CRE9800ACE Timer Repair

What is the timer/clock part number for the Maytag CRE9800ACE Range?

Timer part number 7601P200-60 for Maytag CRE9800ACE

The CRE9800ACE Range uses timer part number 7601P200-60.

Do you have a failed Maytag CRE9800ACE control panel? Click here:

Request Appliance Timer Service

We can repair or replace your faulty Maytag CRE9800ACE timer.

CRE9800ACE are also sometimes referred to using these Alternative Names/Model numbers

Whirlpool CRE9800ACE Range

CRE9800ACE Schematic and Wiring Diagrams

Control panel Parts diagram
CRE9800ACE Range Control panel Parts diagram
Top assembly (cre9700ac*) (cre9700acb) (cre9700ace) Parts diagram
CRE9800ACE Range Top assembly (cre9700ac*) (cre9700acb) (cre9700ace) Parts diagram
Top assembly (cre9800ac*) (cre9800acb) (cre9800ace) Parts diagram
CRE9800ACE Range Top assembly (cre9800ac*) (cre9800acb) (cre9800ace) Parts diagram
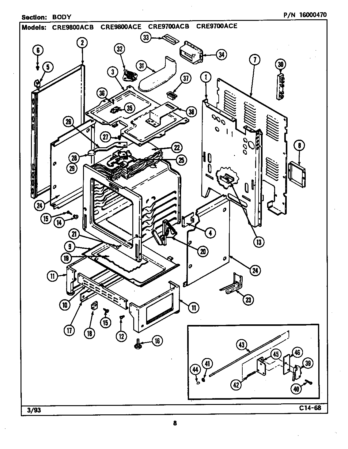
Body Parts diagram
CRE9800ACE Range Body Parts diagram
Oven Parts diagram
CRE9800ACE Range Oven Parts diagram
Door/drawer Parts diagram
CRE9800ACE Range Door/drawer Parts diagram

Recent Service Requests

CityProblem DescriptionResolution
Williamsville, VermontStove tempature not accurateAwaiting receipt of timer
Montrose, MichiganOven temp is lower than selected. Checked temp sensor, element, adn high limit sensor. All seem fine.Repaired
Rock Rapids, IowaBake function is not working. Element tests good also bake relay tested good. Assume it is in the electronic control board.Repaired
Cheshire, ConnecticutSelect temp on control unit shows it has reached set temp but oven guages show at least 150 degrees less. Ex. Set at 500 it may reach 325 to 350. I spoke to your owner and advised him that I changed oven sensor and he felt that problem could be in control board .Repaired

Common problems for Maytag CRE9800ACE Timer Repair

Are you encountering a similar problem as them? Contact us now and we will try to help you fix your CRE9800ACE timer-related problem.
Following a smoke and spark event, my daughter complained the oven wouldn't heat. I could see the bake element was broken. I was about to order a new one, but thought I would pull out the old one first. When I pulled it out, it shorted with a pop and flash. I went down and opened the circuit breaker, then removed the element, and taped the terminals. When I switched the power back on, nothing on the range worked. It is a Maytag CRE9600CCE. What can it be? A fuse or limit switch or ??? What does it take to fix it. Any help will be appreciated.
Lower element broke (in 2 pieces). All other items on the oven worked (range top, broil and time display). I replaced the element through an authorized Maytag parts store. Upon replacing the element, only the time display works. The range top, broil and lower element do not come on. The range top lights to indicate they have been turned on do not work. I can still specify a temperature for the oven, but it never heats up. Set the auto-clean to three hours and cancelled after 15 minutes. The oven "never" warmed up. There are no "F" errors on the display. Does anyone have any ideas on what could be wrong? Please assist.
Maytag oven CRE9800ACE The oven is heating up but cutting off when the temperture in the oven get to about half of what the set temperture is. You up the setting and the temp goes up but still only about half of the setting. I changed the oven temp probe and that did not change anything.
we have a maytag range mdl #cre9800ace. ser #13004334hw.flahes code f1.also broiler will not work.broiler stopped first about three weeks ago. need help to locate problem
I have a Maytag oven Model CRE9800ACE . The oven had not been heating right for a little while. I had to bake things longer than it should have taken to get them done. On Christmas day I turned it on to preheat and the heating coil on the bottom of the oven sparked. I immediately turned it off. Due to the holidays, I was unable to get a new heating coil until today. My husband installed it. It heats up just fine and reaches the proper temperature, but then does not maintain the temperature. It seems to just shut off. The display read out says it is maintaining the temperature, but it is not. What is it's problem?
Electric oven Model CRE9800ACE. Used the self clean function several days ago and now the oven fails to heat up. Broil element seems to work fine. Any ideas? Thank you Tim Klima XXX@XXXXXX.XXX