Maytag CRE9500ADW Timer Repair

What is the timer/clock part number for the Maytag CRE9500ADW Range?

Timer part number 7601P194-60 for Maytag CRE9500ADW

The CRE9500ADW Range uses timer part number 7601P194-60.

Do you have a failed Maytag CRE9500ADW control panel? Click here:

Request Appliance Timer Service

We can repair or replace your faulty Maytag CRE9500ADW timer.

CRE9500ADW are also sometimes referred to using these Alternative Names/Model numbers

Whirlpool CRE9500ADW Range

CRE9500ADW Schematic and Wiring Diagrams

Control panel Parts diagram
CRE9500ADW Range Control panel Parts diagram
Top assembly Parts diagram
CRE9500ADW Range Top assembly Parts diagram
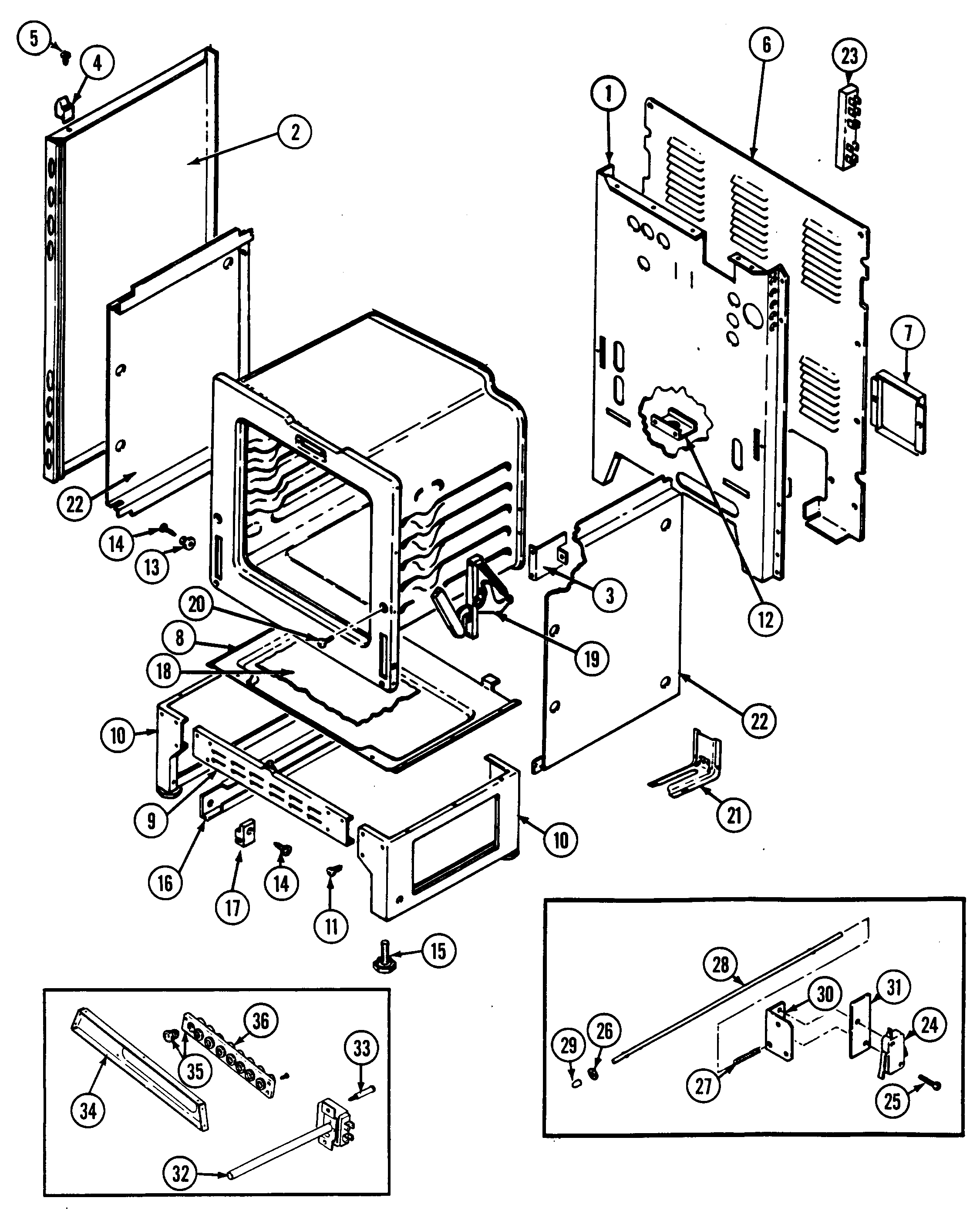
Oven Parts diagram
CRE9500ADW Range Oven Parts diagram
Body Parts diagram
CRE9500ADW Range Body Parts diagram
Door/drawer Parts diagram
CRE9500ADW Range Door/drawer Parts diagram

Recent Service Requests

CityProblem DescriptionResolution
Hammonds Plains, Nova ScotiaOven temperature does not come up to selected temperature. Oven heats up to approximately 120 degrees lower than selected temperature (if control is turned up to 350 degrees oven heats up to 230 degrees). Tried replacing temperature sensor already with no success.Awaiting receipt of timer
Etobicoke, OntarioThe timer continuously beeps when the oven is switched on by the oven main switch.It prevents the setting of the oven temperature as the display displays only "FO"Beyond Repair
Etobicoke, OntarioTouch Pad FaultyBeyond Repair
Etobicoke, OntarioThe timer continuously beeps when the oven is switched on by the oven main switch.It prevents the setting of the oven temperature as the display displays only "FO"Beyond Repair
Etobicoke, OntarioTouch Pad FaultyBeyond Repair
Airdrie, AlbertaOven temp seems to be 75 -90 'F colder than selected temp. Sensor replaced with no fix. Please expedite as able and advise disposition asap. Thank You. Michael FinnRepaired

Common problems for Maytag CRE9500ADW Timer Repair

Are you encountering a similar problem as them? Contact us now and we will try to help you fix your CRE9500ADW timer-related problem.
I have the oven listed above. The other night my wife was pre-heating the oven to use. All of a sudden, it popped, and the bottom element was burning into 2 pieces and was flaming. I turned the breaker off and the flame went out. I have a new element ordered. Tonight I removed the defective element and turned the breaker on. The light came on in the oven, the 2 right burners came on, on the range top. The electronic display never came on. The left top burners would not come on either. Does anyone have any ideas? Dawiz
I have no display on the front of the range, the circuit board is not thermally protected(no Fuses), the oven still works I just can't tell what temp it is or what time it is. Is this a circuit board issue or is the digital display shot?
I set temp to 400 and oven preheats in less than a minute - after 20mins oven temp only 200 deg - is this a control panel problem?
I have recently purchased a used maytag oven and it came with no owners manual.The model #CRE9500ADW---it has a self cleaning system---I do not know how to use the oven in this oven.Burners working as they should---need help with control pad to make things work.