What is the timer/clock part number for the Frigidaire CPES389CC1 Range?
The CPES389CC1 Range uses timer part number 318183603.
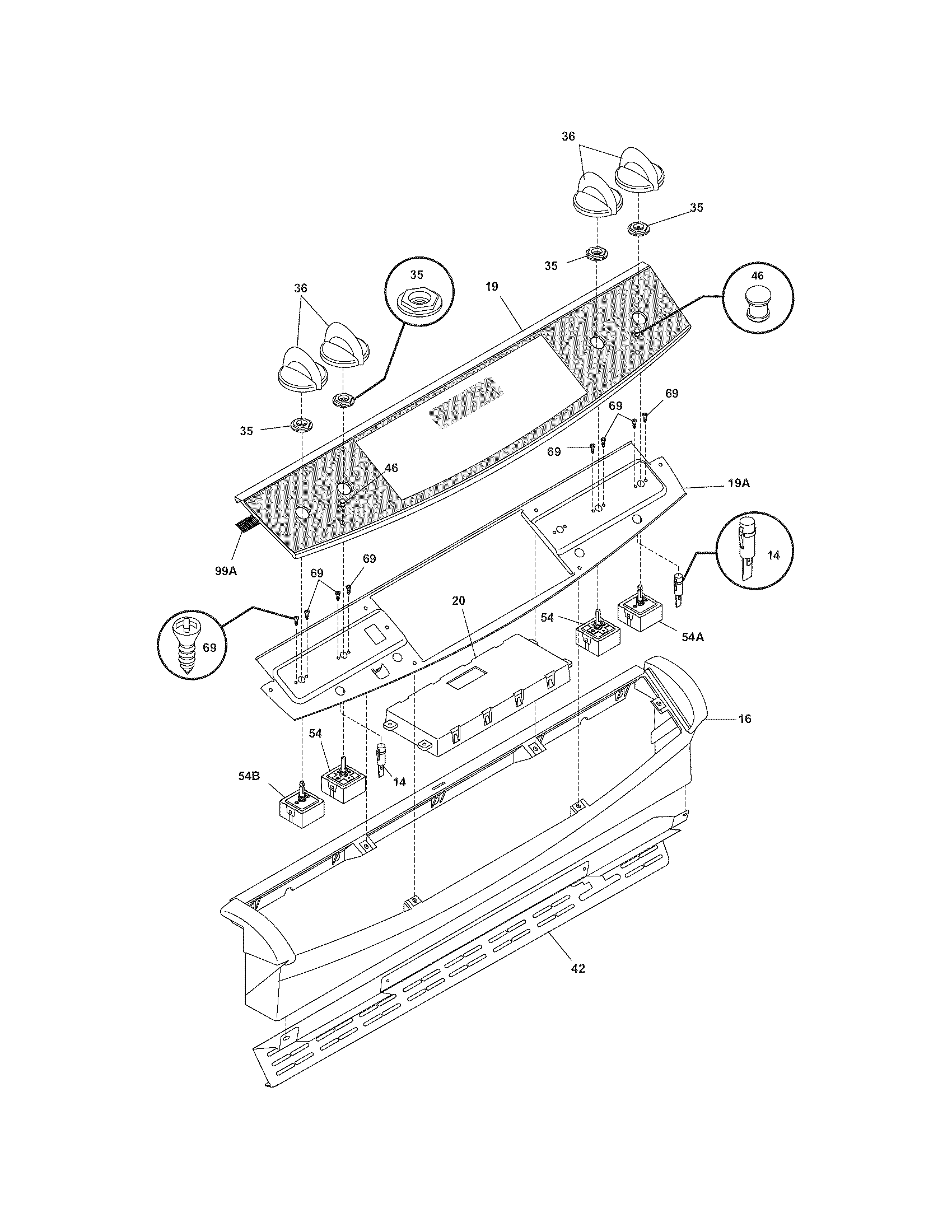
Do you have a failed Frigidaire CPES389CC1 control panel? Click here:

We can repair or replace your faulty Frigidaire CPES389CC1 timer.
CPES389CC1 are also sometimes referred to using these Alternative Names/Model numbers
Electrolux CPES389CC1 Range, CPES389DC4, CPES389DC5
CPES389CC1 Schematic and Wiring Diagrams
| City | Problem Description | Resolution |
|---|
| ASCOT CORNER, Quebec | When using Temp selctor of oven, works for a few minutes then, it pops up , code on display : Pf | Repaired |
| Ascot-Corner, Quebec | New | Repaired |
| Saturna Island, British Columbia | Three buttons on the control pad timer do not work.
Buttons in question are the: clear
start
number "0"
These buttons control the oven | Repaired |
| Saint-Hycinthe, Quebec | Can't select the auto-clean mode, can't change the clock and lock the oven. | Awaiting receipt of timer |
| Montréal, Quebec | Noise like a clock and nothing display on the screen . | Beyond Repair |
| Oakville, On, Ontario | When I spoke with Howard Simons and described what had happened he indicated the timer was not repairable but that you have new timers that would work in my oven for the same price as a reconditioned unit. He told me the majority of people who purchase this timer have difficulty installing it and suggested I send you the original unit and you would fit the new one and send it back to me. Don't quite understand this but hope the new one will fit.I have not asked for a warranty extension, but if it works when I receive it I will certainly be looking to extend it. | Repaired |
| Hamilton, Ontario | Timer seems to be working but the oven is not responding. On Christmas Day when I tried to bake the timer popped and a small amount of smoke came out. Main breaker to the house tripped along with the breaker to the oven. | Replaced with new in-stock timer |
| Ste. Anne de Bellevue, Québec | | Replaced with new in-stock timer |
| Gatineau, Québec | Broil element not working. Visible burnt traces on PCB. | Awaiting receipt of timer |
| Toronto, Ontario | Hi. I emailed you yesterday (photo was attached) and you advised that my timer was not repairable. I would like to purchase a reconditioned (if available), or, if that's not possible, a new timer. Thanks. | Replaced with new in-stock timer |
| Hamilton, Ontario | Heard a pop sound and then the oven stopped working | Replaced with new in-stock timer |
| TORONTO, Ontario | Clock/timer shows correct time and seems to function properly. Stove top works fine. Heating element in oven does not turn on. After one service call, we know that the heating element is fine, but it's the electronics (clock/timer/etc) that is no longer working properly. | Awaiting receipt of timer |
| Cambridge, Ontario | Spoke to Howard today. On a waiting list for one of these units. | Replaced with reconditioned timer |
| Ile bizard, Québec | 1- Bake and broil oven elements do not heat up,
2- Electronic comtrols are intermitent, pressing "1" will show "3" on display,
3- f1 error appears with constant beep, it will clear but will come back later. | Replaced with reconditioned timer |
| Ilderton, Ontario | 1. It no longer keeps time correctly. Clock runs faster than regular time..(by about 20 minuites/hour)
2. Cannot turn on oven intermittently.. once you press bake and enter a time, then press start it errors, displays garbage or a completely different temperature .. once out of several tries it will finally work...
3. no longer beeps when pressing buttons(checked that silent mode is turned off) | Replaced with new in-stock timer |
| Ilderton, Ontario | As per our phone conversation I would like to request a rebuilt unit if you get one in stock
1. It no longer keeps time correctly. Clock runs faster than regular time..(by about 20 minuites/hour) 2. Cannot turn on oven intermittently.. once you press bake and enter a time, then press start it errors, displays garbage or a completely different temperature .. once out of several tries it will finally work... 3. no longer beeps when pressing buttons(checked that silent mode is turned off) | Replaced with new in-stock timer |
Common problems for Frigidaire Range CPES389CC1 Timer Repair
Are you encountering a similar problem as them? Contact us now and we will try to help you fix your CPES389CC1 timer-related problem.