What is the timer/clock part number for the Frigidaire CGEB27S7CB1 Electric Walloven?
The CGEB27S7CB1 Electric Walloven uses timer part number 318010701.
Do you have a failed Frigidaire CGEB27S7CB1 control panel? Click here:

We can repair or replace your faulty Frigidaire CGEB27S7CB1 timer.
CGEB27S7CB1 are also sometimes referred to using these Alternative Names/Model numbers
Electrolux CGEB27S7CB1 Electric Walloven, CGEB27S7CB2, CGEB27S7CS2
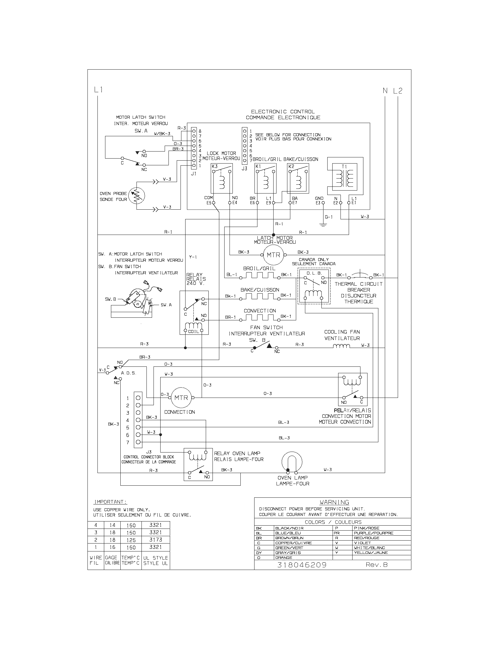
CGEB27S7CB1 Schematic and Wiring Diagrams
| City | Problem Description | Resolution |
|---|
| Salaberry-de-Valleyfield, Quebec | Problem started as oven was functionning for over 1 hour. It stopped heating and start locking the door. Cancel button wouldn't do anything. I shut off the breakers and when I restarted the oven, it worked for 5 minutes and now code F-1 appears with intermittent alarm on and off. | Awaiting receipt of timer |
| Listowel, Ontario | Display does not come on | Beyond Repair |
| Saint-Basile-Le-Grand, Quebec | Top heating element has not been working for a few years. Bottom heating element stopped working a month ago. Local repair person said the problem was the timer (and he could not source a replacement with his business partners). After putting the oven back in place, the bottom element worked. It has not failed again. | Repaired |
| brandon, Manitoba | No broil elemnet working. It is new | Awaiting receipt of timer |
| Calgary, Alberta | Oven will not heat up. Have checked element and no issues; Broiler still works. | Repaired |
| Lethbridge, Alberta | Bake function element not heating. Broil element works. | Repaired |
| Hamilton, Ontario | Oven will not come up to temperature. | Repaired |
| Kitchener, Ontario | Everything functions but no heat on bake or broil. | Repaired |
| Guelph, Ontario | Failure started after excessive moisture in upper area due to vent coming dislodged. Display now constantly shows “CLN STOP” and no option (bake, broil, conv bake) will heat up the oven. It allows you to set bake temp of 350, then it goes to the initial 100 and nothing happens. Prior to the failure, at this point the oven would “click” once as the elements engaged, now that doesn’t happen. | Awaiting receipt of timer |
| Brossard, Quebec | Bake element does not heat while the broil element works. Service man checked and and identified the electronic board as being the problem. If possible, I would like to purchase either a new one or a reconditioned one. | Awaiting receipt of timer |
| Ottawa, Ontario | BROIL FUNCTION STOPPED WORKING SEVERAL WEEKS AGO (ELEMENT IS GOOD) . BAKE AND CONVECTION BAKE FUNCTIONS QUIT RECENTLY. CAN HEAR RELAYS CLICKING HOWEVER NO HEAT AT THE ELEMENTS. | Repaired |
| Vanier, Ontario | Broiler does not come on. Electrics in oven all check OK. | Repaired |
| Stony plain, Alberta | No power at all | Awaiting receipt of timer |
| Pontypool, Ontario | Broiler stopped working a few months ago
Bake element stopped working last week.
Elements have no bubbling etc
You can select bake but element will not heat up and temp gauge will not read higher than 100. | Repaired |
| Kamloops, British Columbia | I was cooking at 400f, heard a pop and all the lights went onto the oven control panel and cooking stopped. | Beyond Repair |
| St-Colomban, Quebec | OVEN WORKS 1 ON 3 TIMES | Awaiting receipt of timer |
| Portuguese Cove, Nova Scotia | Oven heats but temperature will not make greater than 300F. I've replaced the temp sensor and bake element. Problem is persistent. | Repaired |
| Cornwall, Ontario | Wall oven will not produce heat. | Repaired |
| Avonport, Nova Scotia | My baking element will not work. The broiler element, clock and convection fan all work well | Repaired |
| Moncton, New Brunswick | Convection Oven started acting up December 2019, it would would heat up to preheat temperature, then lose heat. I could play with temperatures, off On nd sometimes get the oven to heat. As of last week, Convection would not heat.
LCD display has been fading for years.
Bake has not worked for ...years, because it became disconnected in back from element.
Broil is working as of last week | Repaired |
Common problems for Frigidaire Electric Walloven CGEB27S7CB1 Timer Repair
Are you encountering a similar problem as them? Contact us now and we will try to help you fix your CGEB27S7CB1 timer-related problem.