Frigidaire Electric Range CFEF358ES2 Timer Repair

What is the timer/clock part number for the Frigidaire CFEF358ES2 Electric Range?

Timer part number 316418229 for Frigidaire CFEF358ES2

The CFEF358ES2 Electric Range uses timer part number 316418229.

Do you have a failed Frigidaire CFEF358ES2 control panel? Click here:

Request Appliance Timer Service

We can repair or replace your faulty Frigidaire CFEF358ES2 timer.

CFEF358ES2 are also sometimes referred to using these Alternative Names/Model numbers

Electrolux CFEF358ES2 Electric Range

CFEF358ES2 Schematic and Wiring Diagrams

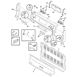
Backguard Parts diagram
CFEF358ES2 Electric Range Backguard Parts diagram
Body Parts diagram
CFEF358ES2 Electric Range Body Parts diagram
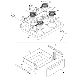
Top/drawer Parts diagram
CFEF358ES2 Electric Range Top/drawer Parts diagram
Door Parts diagram
CFEF358ES2 Electric Range Door Parts diagram
Wiring diagram Parts diagram
CFEF358ES2 Electric Range Wiring diagram Parts diagram

Recent Service Requests

CityProblem DescriptionResolution
Grand Forks, British ColumbiaOven Element glows right to red hot no matter the setting, then quits,Repaired
Edmonton, Albertaturn oven on., then goes directly into preheat, none of the elements get warm/hot
IF YOU HAVE A REPAIRED UNIT IN STOCK, PLEASE SEND THAT OUT.
Repaired
edmonton, Albertabake is not workingReplaced with reconditioned timer
Keswick, OntarioRepaired

Common problems for Frigidaire Electric Range CFEF358ES2 Timer Repair

Are you encountering a similar problem as them? Contact us now and we will try to help you fix your CFEF358ES2 timer-related problem.
Hi, We changed the lower bake element of the range. Now it works for a while and then it turns of and gives the follwing fault code F-10 which does not exist. It seems as if the oven keeps heating and does not stop until the oven turns itself of and then gives me the f-10 code. In addition, when we tested the self cleaning option it caused our breaker to jump. The element we changed had whole burned threw it. When it self destructed, tt became realy red in one spot and did a loud poping sound. What could be the problem? Mcdrell
I have an electric oven purchased in 2008. The model #CFEF358ES2 There is a number F11 flashing on the unit and the manual makes no reference to that number. Please advise the action I should take as the oven is currently inoperable.
I have a Frigidaire electric oven model CFEF358ES2. A couple days ago the time/display went blank. I fooled around with the controls; element knobs, display buttons etc. After turning on the oven light switch the display came back on and a loud beep was heard. after leaving it for about 15 mins. I came back and the display/time was blank again. now the oven light will not turn on with the switch but will when the oven door is opened. All 4 range top elements work as well as their respective "on" lamps. the oven will not work as the display/time is not functioning. The oven light will now only come on when the flourescent light switch is on as well, and both only when the oven door is on. I know it has something to do with the Electronic oven control "display/clock" but want to see if I can isolate the problem on it and repair it myself, worst case I have to replace the whole thing. Any ideas? Thanks, Doug
Frigidaire electric oven Model no cfef358es2 I get an error message F10 How do I change the electronic oven module
I have a frigidaire range: the display doesnt work and there are beeping sound coming out of it. do you think it is maybe a cold joint on the eoc. thanks Denis