Norge BNEA3H9TZ Timer Repair

What is the timer/clock part number for the Norge BNEA3H9TZ Range?

Timer part number 100-281-09 for Norge BNEA3H9TZ

The BNEA3H9TZ Range uses timer part number 100-281-09.

Do you have a failed Norge BNEA3H9TZ control panel? Click here:

Request Appliance Timer Service

We can repair or replace your faulty Norge BNEA3H9TZ timer.

BNEA3H9TZ are also sometimes referred to using these Alternative Names/Model numbers

Maytag BNEA3H9TZ Range, Whirlpool BNEA3H9TZ Range

BNEA3H9TZ Schematic and Wiring Diagrams

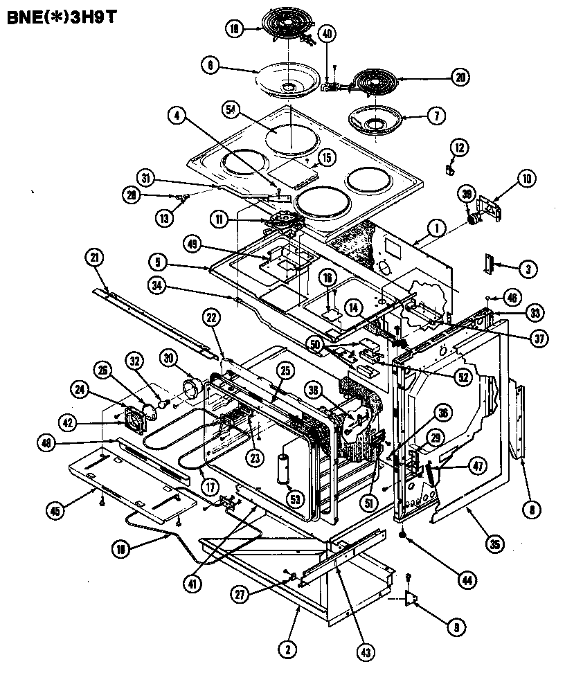
Body Parts diagram
BNEA3H9TZ Range Body Parts diagram
Door Parts diagram
BNEA3H9TZ Range Door Parts diagram
Control panel Parts diagram
BNEA3H9TZ Range Control panel Parts diagram

Recent Service Requests

CityProblem DescriptionResolution
Langley, British ColumbiaThe fuses have all been checked and metered. Voltage reading between the hot and nuetral/ hot and ground on the input side of (Digital Circuit Board) D.C.B. is 121.8 volts. Voltage reading on the input side of D.C.B. is 0 volts. The Electronic control display is unlit and not working. Is this something that can spontaneously stop functioning?Repaired

Common problems for Norge BNEA3H9TZ Timer Repair

Are you encountering a similar problem as them? Contact us now and we will try to help you fix your BNEA3H9TZ timer-related problem.
We have been getting intermittant(not sure if it's a function of load size or not) damp clothes out of this dryer. I started it last night and waited about 15 minutes and the dryer top was hot, so I left it. This morning, some of the clothes were damp. So I don't know if the heat went off too soon, or it stayed on but didn't have good air flow. I checked behind the screen and it was packed with lint as far down as I could reach. I took the vent hose off and it too was loaded. Looking in from the front, I can see lint build up behind the drum through the holes in the drum. This tells me lint is getting through where it shouldn't. How/where do I check/clean out? I have the panel off on the back bottom where the vent hose hooks up and see alot lint in the chassis. I guess I'm stuck right now on how to take it apart to clean it out really good. edited: opened the front, hinged back the top and got to everything except the lint behind the holes in the back of the drum. I didn't see any plac
The freezer will slowly stop freezing due to frost/ice build up on the back access panel in the freezer and on the coils behind the panel. This problem began a couple of years ago and every six months or so we would have to manually defrost the freezer by using space heaters / blow dryers to melt the ice. Once everything melted the freezer would cool great. Last March we hired a technician who replaced a defroster type part under the fridge. This took care of the problem until 2 months ago when it began happening again but now it’s every 3 weeks that we have to go through and melt everything with heaters. I love love love this fridge and can't possibly phatom having to go back to a regular top freezer type but there is no way we could afford to buy a new bottom freezer type. Any help would be greatly appreciated! Kim Here is the product information: Amana Bottom Freezer Refridgerator Model# BM20TBW MFG# P1305801WW S/N# 9606152514
okay, dryer is getting power. Continuity exists when power on momentary switch is turned (checked with meter). I can hear clock, but dryer does not power on. This isn't my first time working on the unit, I have replaced heating element and thermostat, so I know the inside of this dryer pretty well, to say the least. I am just not sure where to go from here. Mother of Three, and up to my neck in dirty laundry.... Please Help!
I have an old Norge range model no. BNEA3H9TZ. The range returns an error message "F2" on the control panel with an audible alarm when I try and use the oven. Is this a fault with the thermostat or the control board?