Amana AGR5835QDQ Freestanding Gas Range Features:

- Clean-n-Simple design - Self-cleaning oven with adjustable cleaning levels, sealed surface burners and lift-off burner caps
- Cooking flexibility of one 16,000 BTU burner, two 9,200 BTU burners and one 5,000 BTU burner
- Favorite setting lets you preprogram the the cook time and oven temperature for the foods your family cooks most often
- Trivet grate creates a continuous grate surface, so it's easy to slide heavy pots from burner to burner
- Easy-Use convection with auto conversion automatically adjusts the oven to the proper temperature in Convect mode
- Easy Touch 800 oven controls
- Three oven racks, including one EasyRack™ oven rack - Practical U-shaped design lets you easily place and remove bakeware without touching the rack
- Eight rack positions for extra cooking flexibility
- Hi/Lo broil (closed door) produces delicious meats, garlic bread and more
- Oven light lets you keep an eye on dinner
- Electronic clock with timer is easy to read and use
- Cook & Hold setting cooks food for time selected, then automatically reduces oven temperature to keep food warm for one hour
- Keep Warm™ setting keeps food hot until everyone's at the table
- Delay Bake oven control lets you start cooking when you're not there and come home to a hot meal
- Auto shutoff - Oven turns itself off after 12 hours
- Child lockout for added safety
- Sabbath Mode overrides the oven's 12-hour auto shutoff for up to 72 hours of uninterrupted cooking on holidays and other special occasions
- Storage drawer keeps pots, pans and lids within easy reach
- Heavy duty, high gloss, 2-piece cast iron burner grates are easy to keep clean and shiny, even if the spaghetti sauce splatters
- Smooth gloss backguard is easy to clean - Spills wipe off the surface easily; your range stays looking shiny and new
- Spillsaver™ upswept cooktop design - Spills won't drip down the side of your range, so they're easier to clean up
- Porcelain steel cooking surface wipes clean in a flash
- Removable oven door
- 1-year full warranty means peace of mind
What is the timer/clock part number for the Amana AGR5835QDQ Freestanding Gas Range?
The AGR5835QDQ Freestanding Gas Range uses timer part number 8507p194-60.
Do you have a failed Amana AGR5835QDQ control panel? Click here:

We can repair or replace your faulty Amana AGR5835QDQ timer.
AGR5835QDQ are also sometimes referred to using these Alternative Names/Model numbers
Whirlpool AGR5835QDQ Freestanding Gas Range
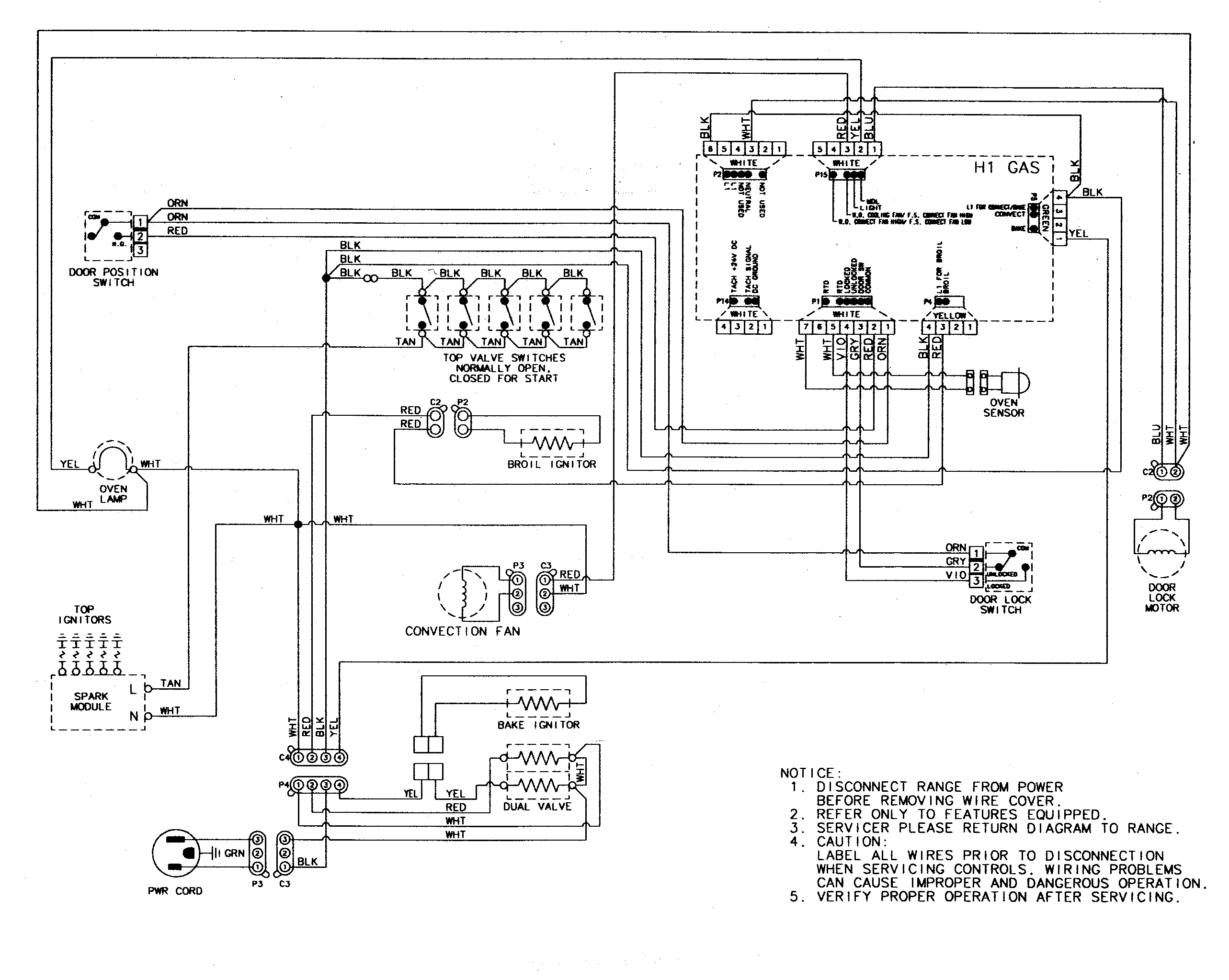
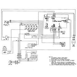
AGR5835QDQ Schematic and Wiring Diagrams
Common problems for Amana Freestanding Gas Range AGR5835QDQ Timer Repair
Are you encountering a similar problem as them? Contact us now and we will try to help you fix your AGR5835QDQ timer-related problem.