Kenmore Gas Range 79075903993 Timer Repair

What is the timer/clock part number for the Kenmore 79075903993 Gas Range?

Timer part number 316127903 for Kenmore 79075903993

The 79075903993 Gas Range uses timer part number 316127903.

Do you have a failed Kenmore 79075903993 control panel? Click here:

Request Appliance Timer Service

We can repair or replace your faulty Kenmore 79075903993 timer.

79075903993 are also sometimes referred to using these Alternative Names/Model numbers

Sears 79075903993 Gas Range

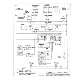
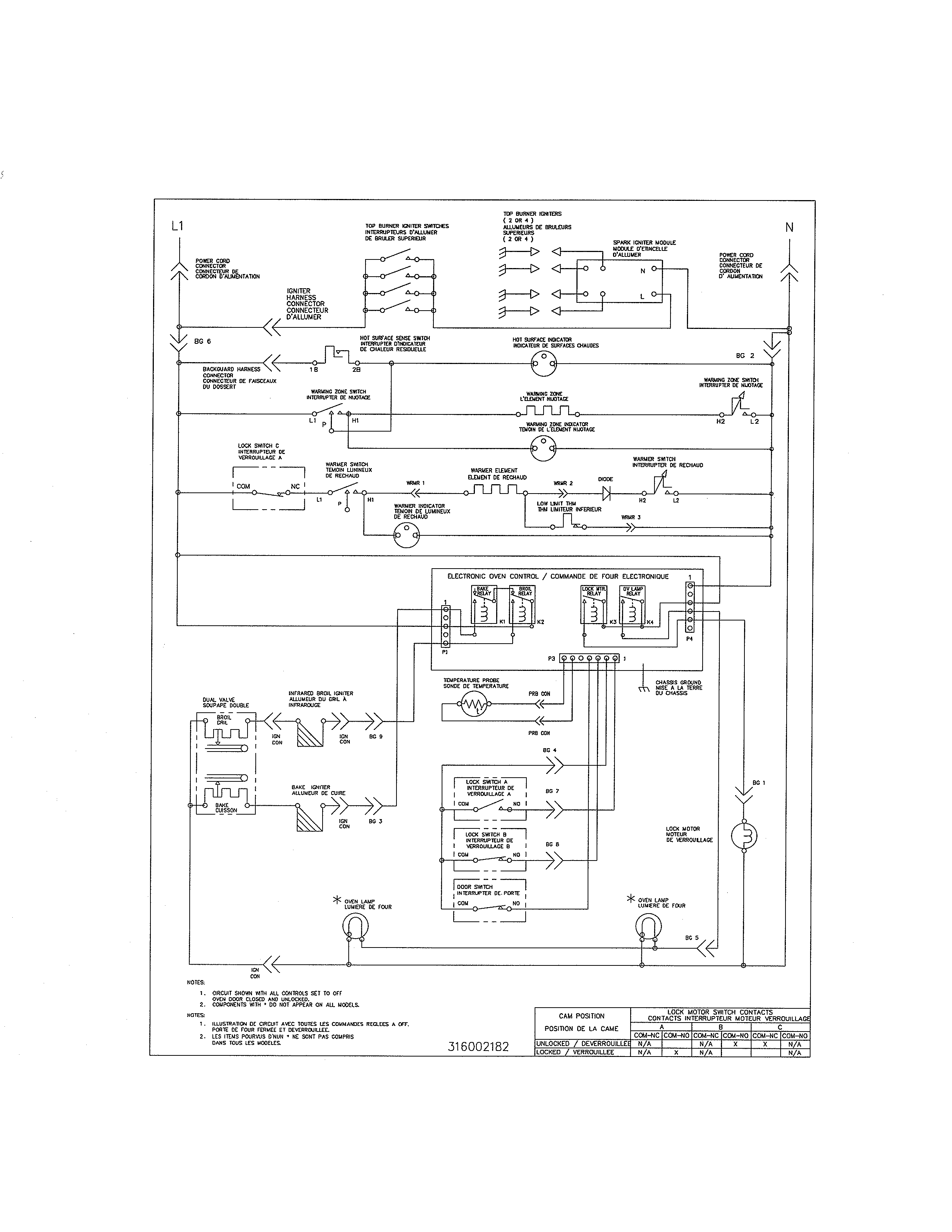
79075903993 Schematic and Wiring Diagrams

Backguard Parts diagram
79075903993 Gas Range Backguard Parts diagram
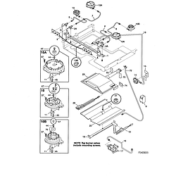
Burner Parts diagram
79075903993 Gas Range Burner Parts diagram
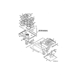
Body Parts diagram
79075903993 Gas Range Body Parts diagram
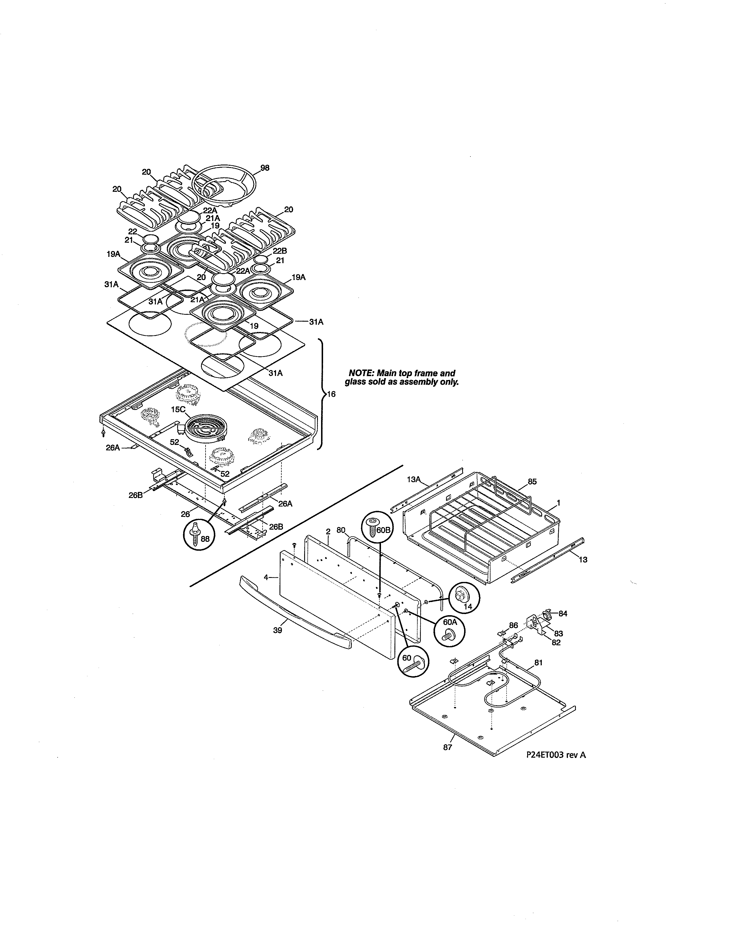
Top/drawer Parts diagram
79075903993 Gas Range Top/drawer Parts diagram
Door Parts diagram
79075903993 Gas Range Door Parts diagram
Wiring diagram Parts diagram
79075903993 Gas Range Wiring diagram Parts diagram