Kenmore Elite Dual Fuel Slide-In Range 79046819992 Timer Repair

What is the timer/clock part number for the Kenmore 79046819992 Elite Dual Fuel Slide-In Range?

Timer part number 318019902 for Kenmore 79046819992

The 79046819992 Elite Dual Fuel Slide-In Range uses timer part number 318019902.

Do you have a failed Kenmore 79046819992 control panel? Click here:

Request Appliance Timer Service

We can repair or replace your faulty Kenmore 79046819992 timer.

79046819992 are also sometimes referred to using these Alternative Names/Model numbers

Sears 79046819992 Elite Dual Fuel Slide-In Range

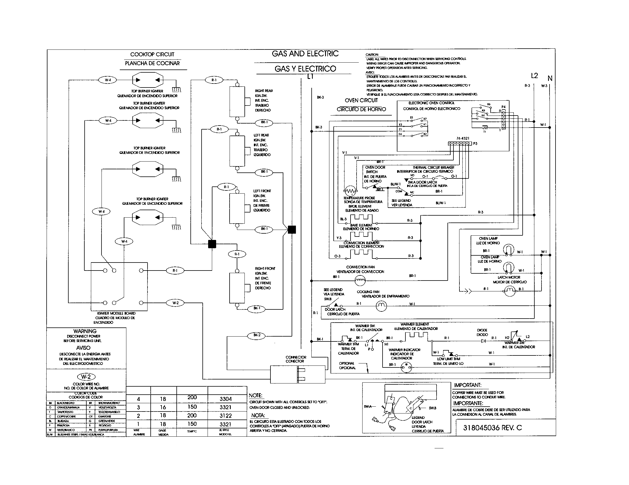
79046819992 Schematic and Wiring Diagrams

Backguard Parts diagram
79046819992 Elite Dual Fuel Slide-In Range Backguard Parts diagram
Burner Parts diagram
79046819992 Elite Dual Fuel Slide-In Range Burner Parts diagram
Body Parts diagram
79046819992 Elite Dual Fuel Slide-In Range Body Parts diagram
Top/drawer Parts diagram
79046819992 Elite Dual Fuel Slide-In Range Top/drawer Parts diagram
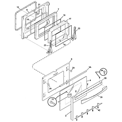
Door Parts diagram
79046819992 Elite Dual Fuel Slide-In Range Door Parts diagram
Wiring Parts diagram
79046819992 Elite Dual Fuel Slide-In Range Wiring Parts diagram

Recent Service Requests

CityProblem DescriptionResolution
Winchester, VirginiaI would like to purchase a new or refurbished electronic oven control.Awaiting receipt of timer
Westland, MichiganIntermittent error codeAwaiting receipt of timer