What is the timer/clock part number for the Kenmore 79046813991 Elite Dual Fuel Slide-In Range?
The 79046813991 Elite Dual Fuel Slide-In Range uses timer part number 3169258.
Do you have a failed Kenmore 79046813991 control panel? Click here:

We can repair or replace your faulty Kenmore 79046813991 timer.
79046813991 are also sometimes referred to using these Alternative Names/Model numbers
Sears 79046813991 Elite Dual Fuel Slide-In Range
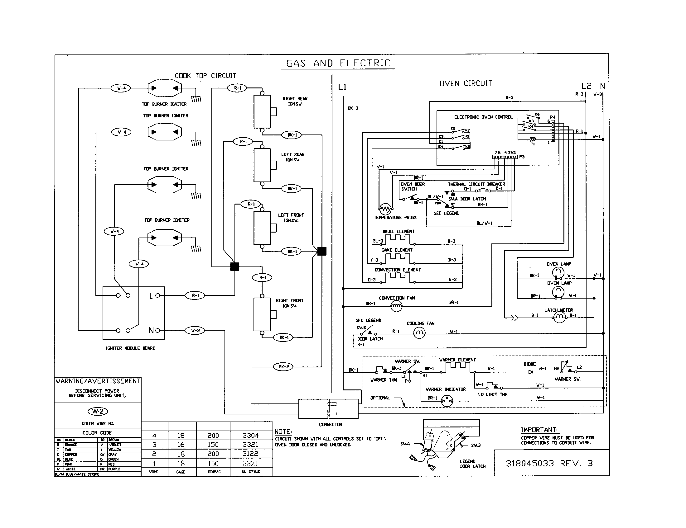
79046813991 Schematic and Wiring Diagrams
| City | Problem Description | Resolution |
|---|
| New Hyde Park, New York | Oven not working with F1 code | Awaiting receipt of timer |
| New Hyde Park, New York | Oven not working with F1 code | Awaiting receipt of timer |
| prescott, Arizona | F1 code you have fixed this before | Repaired |
| prescott, Arizona | oven not working due to F1 code | Repaired |
| Troy, Michigan | This will be the third timer I have replaced. They seem to last about 2 years or so then one day after we start the bake option, the oven shuts down and trouble code "F1" appears. The range is a very nice unit but I am very dissapointed in the problem. Is there additional advice you can give me to get more time out of these timers? Thanks, Joe | Repaired |
| Zionsville, Indiana | Please send new/reconditioned timer. We will send ours back for you to reuse. | Awaiting receipt of timer |
| Blue Springs, Missouri | F1 code | Beyond Repair |