Kenmore Elite Electric Slide-In Range 79046803991 Timer Repair

What is the timer/clock part number for the Kenmore 79046803991 Elite Electric Slide-In Range?

Timer part number 318019900 for Kenmore 79046803991

The 79046803991 Elite Electric Slide-In Range uses timer part number 318019900.

Do you have a failed Kenmore 79046803991 control panel? Click here:

Request Appliance Timer Service

We can repair or replace your faulty Kenmore 79046803991 timer.

79046803991 are also sometimes referred to using these Alternative Names/Model numbers

Sears 79046803991 Elite Electric Slide-In Range

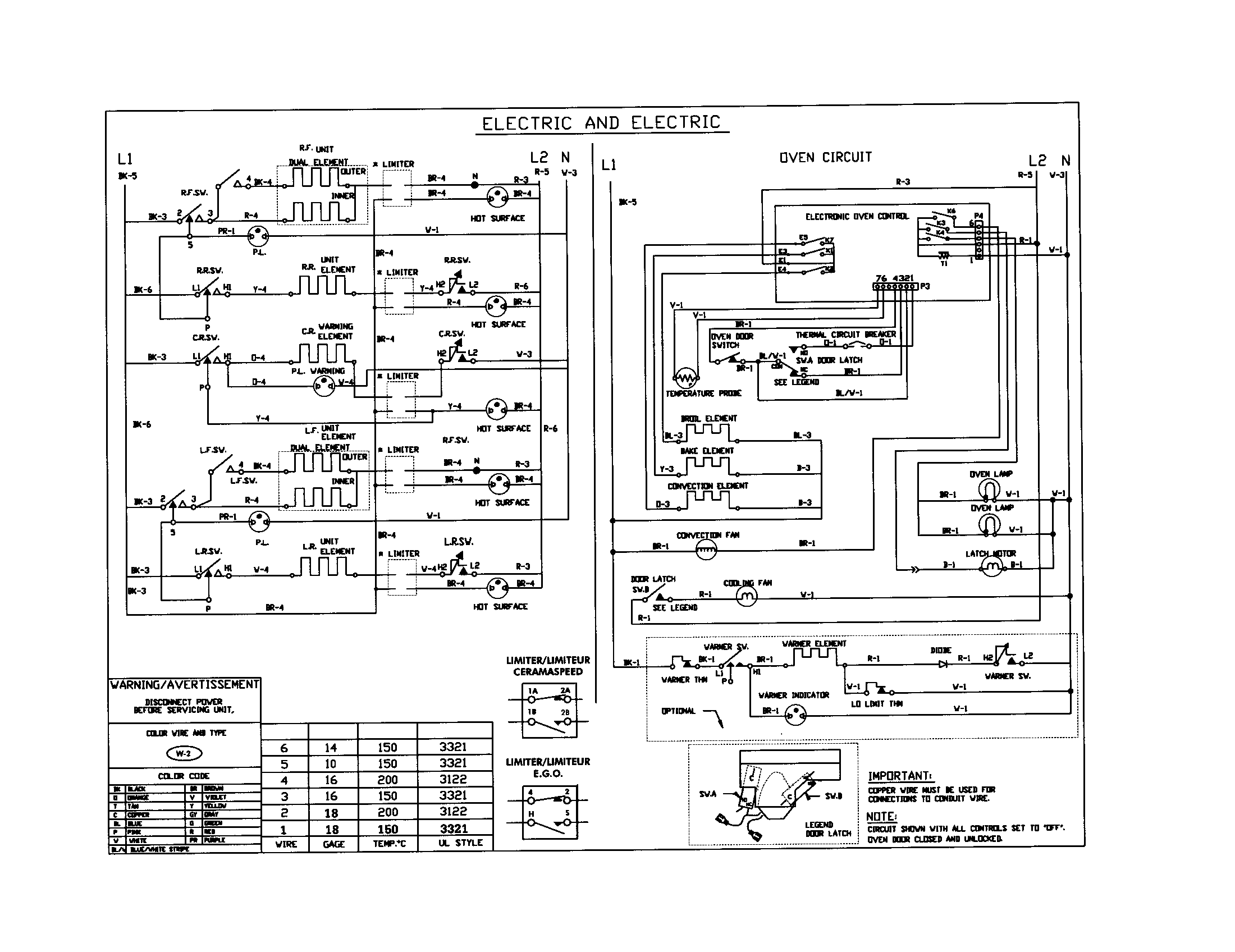
79046803991 Schematic and Wiring Diagrams

Backguard Parts diagram
79046803991 Elite Electric Slide-In Range Backguard Parts diagram
Body Parts diagram
79046803991 Elite Electric Slide-In Range Body Parts diagram
Top/drawer Parts diagram
79046803991 Elite Electric Slide-In Range Top/drawer Parts diagram
Door Parts diagram
79046803991 Elite Electric Slide-In Range Door Parts diagram
Wiring Parts diagram
79046803991 Elite Electric Slide-In Range Wiring Parts diagram

Common problems for Kenmore Elite Electric Slide-In Range 79046803991 Timer Repair

Are you encountering a similar problem as them? Contact us now and we will try to help you fix your 79046803991 timer-related problem.
Copyright AppliancePartsPros.com, Inc. Hi! In this article, we'll be talking about the basics of performing continuity checks using an ohmmeter (need one?). Grab your favorite drink and read on... SAFETY NOTICE----SAFETY NOTICE----SAFETY NOTICE ALWAYS DOUBLE CHECK TO MAKE SURE THE POWER IS DISCONNECTED FROM THE APPLIANCE BEFORE REMOVING ANY ACCESS PANELS OR COVERS! When tracking down the source of an electrical problem in an appliance, there are times when it will be obvious which component has failed. When a bake element in an electric oven blows apart, for example, all it takes is a visual inspection to find the problem. There are situations, however, in which the problem is not so obvious, and it takes more than a quick look to find out what’s wrong. In some of these situations, you can use a test meter to check the resistance or continuity of an electrical component, such as bake element, switch, or motor. In order to accomplish these test procedures safely and correctly, th