Kenmore Microwave 6654493392 Timer Repair

What is the timer/clock part number for the Kenmore 6654493392 Microwave?

Timer part number 3184943 and 4313047 for Kenmore 6654493392

The 6654493392 Microwave uses timer part number 3184943 and 4313047.

Do you have a failed Kenmore 6654493392 control panel? Click here:

Request Appliance Timer Service

We can repair or replace your faulty Kenmore 6654493392 timer.

6654493392 are also sometimes referred to using these Alternative Names/Model numbers

Sears 6654493392 Microwave

6654493392 Schematic and Wiring Diagrams

Control panel Parts diagram
6654493392 Microwave Control panel Parts diagram
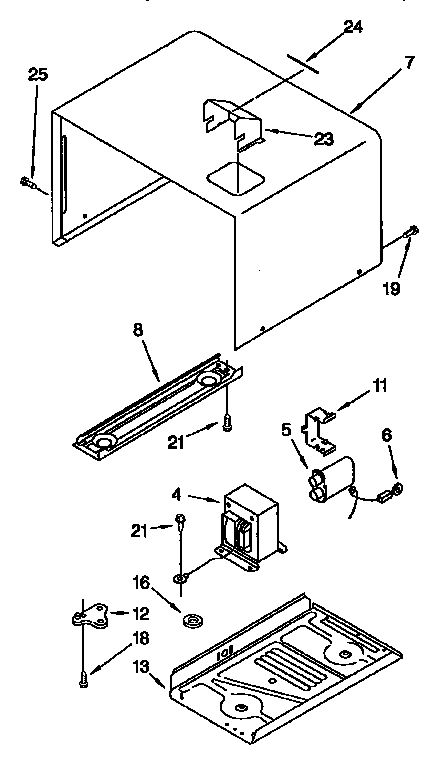
Cabinet Parts diagram
6654493392 Microwave Cabinet Parts diagram
Magnetron and air flow Parts diagram
6654493392 Microwave Magnetron and air flow Parts diagram
Cavity and turntable Parts diagram
6654493392 Microwave Cavity and turntable Parts diagram
Door and latch Parts diagram
6654493392 Microwave Door and latch Parts diagram
Microwave cabinet and air flow Parts diagram
6654493392 Microwave Microwave cabinet and air flow Parts diagram
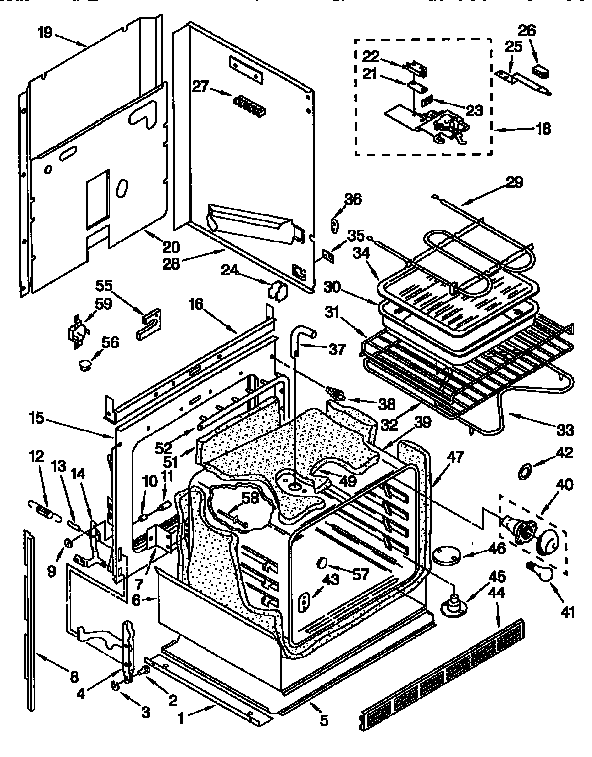
Lower oven Parts diagram
6654493392 Microwave Lower oven Parts diagram
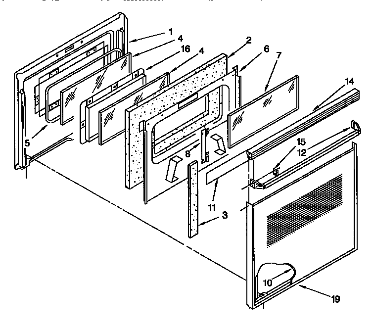
Electric oven door Parts diagram
6654493392 Microwave Electric oven door Parts diagram
Wiring harness Parts diagram
6654493392 Microwave Wiring harness Parts diagram

Recent Service Requests

CityProblem DescriptionResolution
TRENTON, MissouriCUSTOMER SAYS ALL THAT IS DISPLAYED IS F 1 MICROWAVE WORKS O KBeyond Repair