Magic Chef Gas Range 6498VVV Timer Repair

What is the timer/clock part number for the Magic Chef 6498VVV Gas Range?

Timer part number 4008554 for Magic Chef 6498VVV

The 6498VVV Gas Range uses timer part number 4008554.

Do you have a failed Magic Chef 6498VVV control panel? Click here:

Request Appliance Timer Service

We can repair or replace your faulty Magic Chef 6498VVV timer.

6498VVV are also sometimes referred to using these Alternative Names/Model numbers

Maytag 6498VVV Gas Range, Whirlpool 6498VVV Gas Range

6498VVV Schematic and Wiring Diagrams

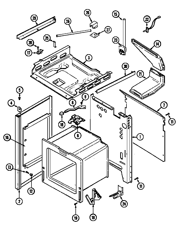
Top assembly (6498vvd) (6498vvv) Parts diagram
6498VVV Gas Range Top assembly (6498vvd) (6498vvv) Parts diagram
Body (6498vvd) (6498vvv) Parts diagram
6498VVV Gas Range Body (6498vvd) (6498vvv) Parts diagram
Oven/base (6498vvd) (6498vvv) Parts diagram
6498VVV Gas Range Oven/base (6498vvd) (6498vvv) Parts diagram
Gas controls Parts diagram
6498VVV Gas Range Gas controls Parts diagram
Door/drawer (6498vvd) (6498vvv) Parts diagram
6498VVV Gas Range Door/drawer (6498vvd) (6498vvv) Parts diagram
Door/drawer (ser. pre. 13) (6498vvd) (6498vvv) Parts diagram
6498VVV Gas Range Door/drawer (ser. pre. 13) (6498vvd) (6498vvv) Parts diagram
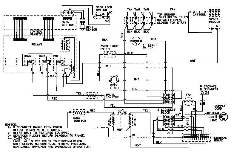
Wiring information (6498vvd) (6498vvv) Parts diagram
6498VVV Gas Range Wiring information (6498vvd) (6498vvv) Parts diagram

Recent Service Requests

CityProblem DescriptionResolution
Wingdale, New YorkCurrent unit has no display, used to be intermittent. Oven temp adjustment intermittent (this unit has a twist-to-set knob vs up/down arrows)


Would prefer reconditioned vs repairing mine, willing to send you dead one after replacement received & installed
Awaiting receipt of timer
Metairie, LouisianaThe timer lighting is inttermiting - works sometimes, but hard to keep temp setting on correct number.Awaiting receipt of timer
Langley, British ColumbiaThe electronic display only shows if you press hard on the transparent plastic cover. You can then set the oven temperature and the timer but as soon as you release the pressure the display disappears. The oven will work and ding when the temperature has been reached. Previously if I unplugged the range and then plugged it in again, it would reset itself and work for a while. No longer.Repaired
Mountain View County, AlbertaWill no longer light up to indicate temp...clock works.,intermittent...goes out and we plug stove back in...it worksAwaiting receipt of timer
Guelph, OntarioDisplay doesn't display. When you press the buttons they beep.Awaiting receipt of timer
Perth, OntarioDisplay continues to go out. Pressing on face will bring it back to operate but it usually goes out again. Got a F7 code recently with beeping when we were using the broiler. It reset with a push of the Cancel button. Check to see that it is sending signal to start broiler. If there is a problem at our end for the broiler I will fix.Repaired
New york, New YorkWould like to replace timer.Awaiting receipt of timer
Oakville, OntarioOven heats to preset 350 degrees but will not go any higher.Repaired
Regina, SaskatchewanTimer light display dims intermittently. By pressing the face it will sometimes return to full brightness. Other times I have to turn off the power to reset the clock when the brightness returns.Repaired
Redondo Beach, CaliforniaOven controls were working fine until intermittently the oven would not pre-heat, then ultimately would not light although igniter was glowing. In the process of removing the oven igniter, I cut power to the range via circuit breaker. After restoring power, the control panel and burner electronic ignition were both dead.Timer inspected, no repairs necessary
nelson, British Columbiaclock display flickers out intermittently, especially when face plate installed on it in oven. Error code F4 appears periodically when oven workingRepaired
nelson, British Columbiaclock display flickers out intermittently, especially when face plate installed on it in oven. Error code F4 appears periodically when oven workingRepaired
South Orange, New JerseyThe LCD display blanks out intermittently. If you touch the screen lightly it lights back up. The plastic screw tabs that support the timer mounting are broken so I'm interested in buying a timer you may have in stock.Awaiting receipt of timer
Edmonton, AlbertaReplaced temperature sensor, but still getting F-codes.Repaired
Jackson, MichiganHighest the oven can be set is around 395, after a few minutes at temp. the F7 error code comes on and cannot be restarted until after oven cools a little. digital display is broken cannot be seen without applying pressure to display (which will be apparent when you see the unit, the display has been pushed into the unit itself).Repaired
veneta, Oregondisplay dims blanks out intermitent F7Awaiting receipt of timer
Torrance, CaliforniaBeeps, but no status display. Also does not appear to activate oven.

One of the zener diodes is melted, other resistors may not be in working order.

Was working fine until we switched off the mains to do maintenance in other parts of the house. Upon power restoration, the timer fails to display or operate the oven.
Repaired
Pasadena, Texasno display, no button responseRepaired

Common problems for Magic Chef Gas Range 6498VVV Timer Repair

Are you encountering a similar problem as them? Contact us now and we will try to help you fix your 6498VVV timer-related problem.
Error Code F7 My range beeped and showed Error Code F7. We were not using the range at the time and had not used it for 2 days. The range is a Magic Chef Model 6498VVV Gas oven
The oven was not working at all. I have replaced the igniter...It now glows red and after a while (longer than it used to), the gas is ignited along the gas bar (I will call it that). The igniter stays red for a whle...30 secs or so, while the flame is still on. THEN after about one minute, the flame ceases. That's it...no more.
Error code on Magic Chief oven F 7 error code on a Magic Chief oven model 6498VVV
Error code F7 on Magic Chief oven model 6498VVV
My Magic Chef Model 6498VVV gas oven oven sometimes doesn't come on immediately. When this happens, there is a sound like a small explosion inside the oven (the gas igniting, I suppose). Does this sound repairable, or should I get a new range? This one is about 15 years old.
I have a magic chef gas oven - model number 6498vvv and am trying to find a users manual for it i'm not sure exactly how old it is - maybe 10 years
I have a Magic Chef oven model 6498VVV. I've never had a problem with it. The oven worked yesterday. Today the oven does not work. The top burners work but the oven itself does not. I set the oven temp to 350 degrees or something like that but there's no heat. The temperature displays 75 degrees on the readout pad, it sounds like the fan is on but it never heats up. The readout stays at 75 degrees and there's no heat at all. I don't know if there is a pilot light within the range that could have gone out. I can't find the manual. The range is about 15+ years old.
I have a Maytag Magid Chef Model 6498VVV with a tempermental oven issue. The problem occurred once last thanksgiving, then showed up again in January, now it is back and renders the oven useless. I press the Oven Temp button to set the desired temp. Several seconds afterwards, I hear a click like the sound of a solinoid valve pulling in. I can observe the pilot rod is glowing red hot, but the burner never ignites. Every other aspec of the oven works. The broiler burner works, the four range top burners work, but the bottom oven burner will never come on. I thought the problem might be a plugged orfice, but I cannot get to an orfice and the pipe to the oven burner is clear. Under the covers there appears to be a single solinoid valve and regulator that feeds the entire oven. What is the most likely bad part? Do you have a Part number?
I have a Gas oven Model #6498VVV . This is about the oven. The oven comes on fine, but when the temperature drops below the desired setting , it does not come on agian automatical , and I smell gas about one to two minutes after the glow ignitor comes on. Yet when I open the door just slightly, the burner comes on right away. It does however start with the low flame, when it initially comes on it starts with a much higher flame for the first few seconds. Are these ovens designed to come on , on high fire, and what controls that, the Gas Valve or the regulator? I am a qualified Gas Fitter. Hoss
We have a Magic Chef 6498VVV gas oven/oven that was recently re-installed. The gas oven top works fine. The gas oven/broiler do not come on. The electric heating element igniters are fine but no evident gas flow. Any Suggestions
Magic Chef 6498VVV gas oven: The rear surface burners' igniters do dot spark. Those burners can be lit with a match. The front burners work properly and their igniters spark when any of the four knobs are set to the proper position. Do I need a new spark module? If so, one or two?
I have a MagicChef Model 6498VVV. The rangetop is not lighting on any of the elements. This is in a home I recently purchased. It appears there is a hole where the manual indicates an ignitor should be. Are ignitors easily removed? If so, can i just buy an ignitor or do all the elements need to be replaced?