Magic Chef 59GN5TVW Timer Repair

What is the timer/clock part number for the Magic Chef 59GN5TVW Range?

Timer part number 7601P203-60 for Magic Chef 59GN5TVW

The 59GN5TVW Range uses timer part number 7601P203-60.

Do you have a failed Magic Chef 59GN5TVW control panel? Click here:

Request Appliance Timer Service

We can repair or replace your faulty Magic Chef 59GN5TVW timer.

59GN5TVW are also sometimes referred to using these Alternative Names/Model numbers

Maytag 59GN5TVW Range, Whirlpool 59GN5TVW Range

59GN5TVW Schematic and Wiring Diagrams

Control panel (with tx) (59g-5txw) Parts diagram
59GN5TVW Range Control panel (with tx) (59g-5txw) Parts diagram
Control panel (with tv) (59gn-5tvw) Parts diagram
59GN5TVW Range Control panel (with tv) (59gn-5tvw) Parts diagram
Body Parts diagram
59GN5TVW Range Body Parts diagram
Internal controls Parts diagram
59GN5TVW Range Internal controls Parts diagram
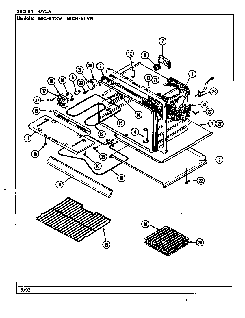
Oven Parts diagram
59GN5TVW Range Oven Parts diagram
Door Parts diagram
59GN5TVW Range Door Parts diagram

Common problems for Magic Chef 59GN5TVW Timer Repair

Are you encountering a similar problem as them? Contact us now and we will try to help you fix your 59GN5TVW timer-related problem.
Hi I have a Magic Chef oven, Model 59GN5TVW, Serial # XXXXX Recently, the oven often sounds an alarm and showed a error code F-1. This is a electric oven Please advise us what to do.