Magic Chef 34MN5TKVW Timer Repair

What is the timer/clock part number for the Magic Chef 34MN5TKVW Range?

Timer part number 7601P181-60 for Magic Chef 34MN5TKVW

The 34MN5TKVW Range uses timer part number 7601P181-60.

Do you have a failed Magic Chef 34MN5TKVW control panel? Click here:

Request Appliance Timer Service

We can repair or replace your faulty Magic Chef 34MN5TKVW timer.

34MN5TKVW are also sometimes referred to using these Alternative Names/Model numbers

Maytag 34MN5TKVW Range, Whirlpool 34MN5TKVW Range

34MN5TKVW Schematic and Wiring Diagrams

Control panel (34m*-5tkvw) (34ma-5tkvw) (34mn-5tkvw) Parts diagram
34MN5TKVW Range Control panel (34m*-5tkvw) (34ma-5tkvw) (34mn-5tkvw) Parts diagram
Control panel (34m*-5tkvw-ev) (34ma-5tkvw-ev) (34mn-5tkvw-ev) Parts diagram
34MN5TKVW Range Control panel (34m*-5tkvw-ev) (34ma-5tkvw-ev) (34mn-5tkvw-ev) Parts diagram
Top assembly/control panel/manifold Parts diagram
34MN5TKVW Range Top assembly/control panel/manifold Parts diagram
Body Parts diagram
34MN5TKVW Range Body Parts diagram
Internal controls Parts diagram
34MN5TKVW Range Internal controls Parts diagram
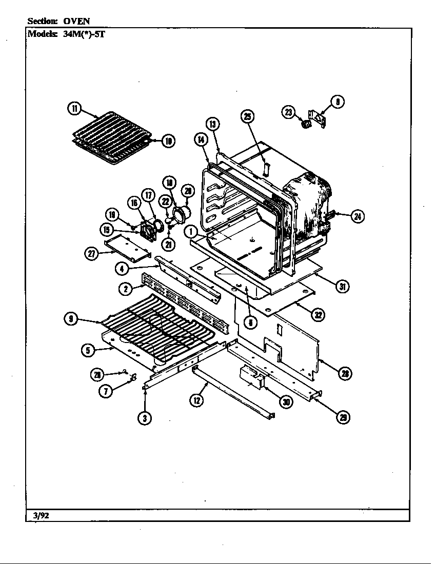
Oven Parts diagram
34MN5TKVW Range Oven Parts diagram
Gas controls Parts diagram
34MN5TKVW Range Gas controls Parts diagram
Door Parts diagram
34MN5TKVW Range Door Parts diagram
Drawer Parts diagram
34MN5TKVW Range Drawer Parts diagram