Established in
Canada in 1969
Check out our great prices for range timers…
Timer Repair Service:
$176
In-Stock Reconditioned Timers:
Subject to availability.
Some exceptions apply.
Learn how
our pricing differs from other firms
.
$196
Home
About Us
Corporate Profile
Key Benefits
Careers
Testimonials
Repair Services
Why Repair Your Timer?
Timer Failure Diagnostics
Timer Removal
Timer Shipping Instructions
Pricing & Terms
Service Firms
Manufacturers
Appliance Brands
Timer Models
Request Service
Repair/Purchase Request
Bill Payment
FAQs
Contact Us
Send us an Email
Contact Information
Pricing
Home
Appliances
Kenmore
110985751
Kenmore Washer/Dryer 110985751 Timer Repair
110985751 are also sometimes referred to using these Alternative Names/Model numbers
Sears 110985751 Washer/Dryer, 11098575120, 11098575100, 11098575110
110985751 Schematic and Wiring Diagrams
Washer/dryer control panel Parts diagram
Dryer front panel & door Parts diagram
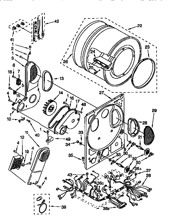
Dryer cabinet & motor Parts diagram
Dryer bulkhead Parts diagram
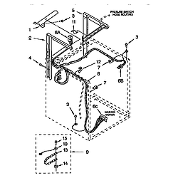
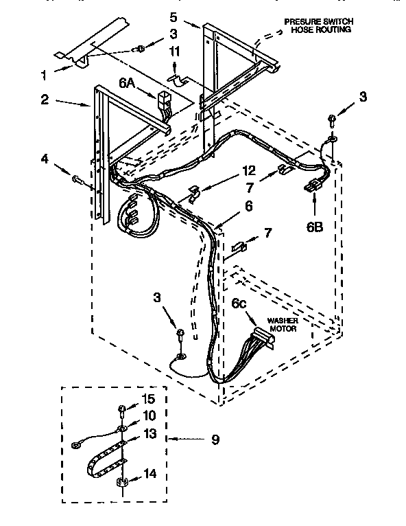
Dryer support & washer Parts diagram
Washer top & lid Parts diagram
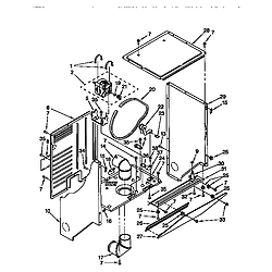
Washer cabinet Parts diagram
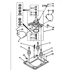
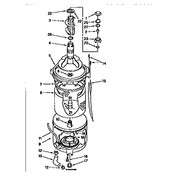
Brake,clutch,gearcase,motor&pump Parts diagram
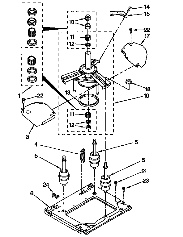
Machine base Parts diagram
Tub & basket Parts diagram
Washer water system Parts diagram
Exhaust deflector kit (complete) Parts diagram
Side exhaust extension kit (comp) Parts diagram
Repairing, reconditioning and rebuilding appliance timers
and stove clocks since 1969.
Experts in relay boards, washer timers, dryer timers, timer repair, range timers, dishwasher panels and ERCs.
©2026 ApplianceTimers.ca - A unit of Macro Point Ltd.
Privacy Policy
Site Map
v20240510