Kenmore Automatic Washer 1109219551 Timer Repair

What is the timer/clock part number for the Kenmore 1109219551 Automatic Washer?

Timer part number 3407086 for Kenmore 1109219551

The 1109219551 Automatic Washer uses timer part number 3407086.

Do you have a failed Kenmore 1109219551 control panel? Click here:

Request Appliance Timer Service

We can repair or replace your faulty Kenmore 1109219551 timer.

1109219551 are also sometimes referred to using these Alternative Names/Model numbers

Sears 1109219551 Automatic Washer, 11092195510, 11092195810, 11092195110, 11092195800, 11092195100, 11092195500

1109219551 Schematic and Wiring Diagrams

Top and cabinet Parts diagram
1109219551 Automatic Washer Top and cabinet Parts diagram
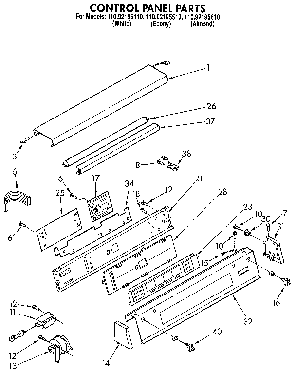
Control panel Parts diagram
1109219551 Automatic Washer Control panel Parts diagram
Rear panel Parts diagram
1109219551 Automatic Washer Rear panel Parts diagram
Tub, basket, and agitator Parts diagram
1109219551 Automatic Washer Tub, basket, and agitator Parts diagram
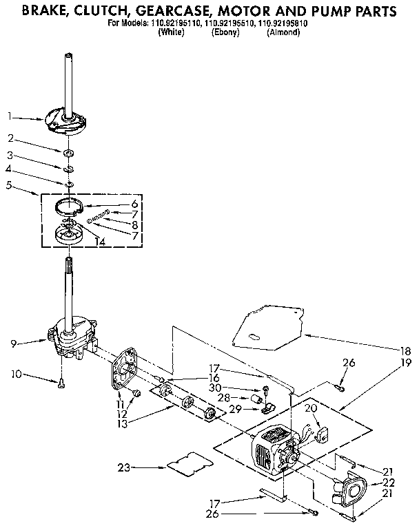
Brake, clutch, gearcase, motor and pump Parts diagram
1109219551 Automatic Washer Brake, clutch, gearcase, motor and pump Parts diagram
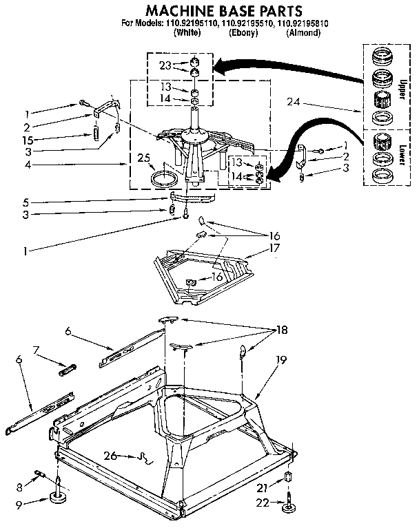
Machine base Parts diagram
1109219551 Automatic Washer Machine base Parts diagram
Bleach, detergent and rinse dispenser Parts diagram
1109219551 Automatic Washer Bleach, detergent and rinse dispenser Parts diagram
Water system Parts diagram
1109219551 Automatic Washer Water system Parts diagram
Wiring harness Parts diagram
1109219551 Automatic Washer Wiring harness Parts diagram
Gearcase Parts diagram
1109219551 Automatic Washer Gearcase Parts diagram